

作品包括:
word说明书一份,共28页,约13000字
工序卡一套
过程卡一份
CAD版本图纸,共5张
变速齿轮箱体加工工艺及其夹具设计
摘 要:本次设计完成了犁刀变速齿轮箱体的加工工艺的确定及钻夹具、铣夹具的设计,采用模块化的设计思想,从零件的多方面分析,快速将需要的模块联系在一起组成一个整体。论文首先对零件进行分析并确定其毛坯材料,然后选择定位基准,制定工艺路线,选择加工设备及刀、夹、量具并对每道工序进行分析及计算出时间定额;最后确定夹具设计方案,考虑定位精度及计算出夹紧力与切削力并确定螺杆直径。本次设计的夹具结构简单,易于确保精度。
关键词:变速齿轮箱体;夹具设计;工艺
目 录
摘 要 1
关键词 1
1 前言 2
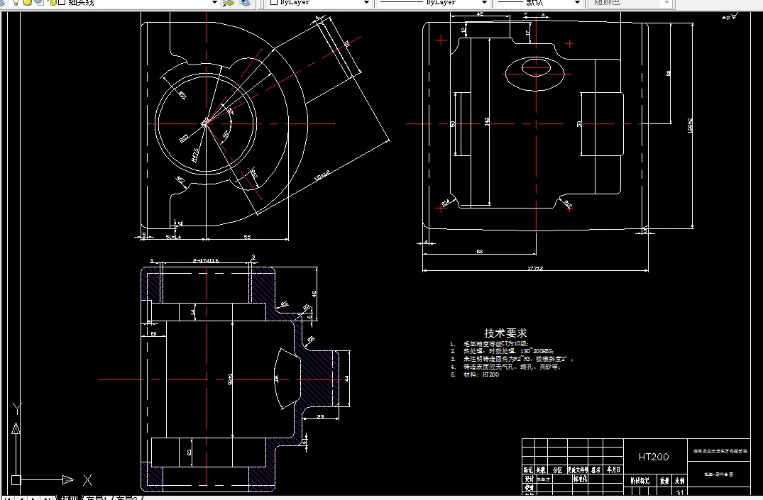
2 零件结构工艺性分析 2
2.1 零件图分析 2
2.2 结构工艺分析 2
3 零件毛坯 3
3.1 毛坯材料的选择 3
3.2 铸件尺寸公差 3
3.3 铸件机械加工余量 3
3.4毛坯零件综合图 4
4 工艺规程设计 4
4.1 定位基准的选择 4
4.2 制订工艺路线 5
4.3 选择加工设备及工艺装备 7
4.4 加工工序设计 9
4.5 填写机械加工工艺过程卡和机械加工工序卡。 17
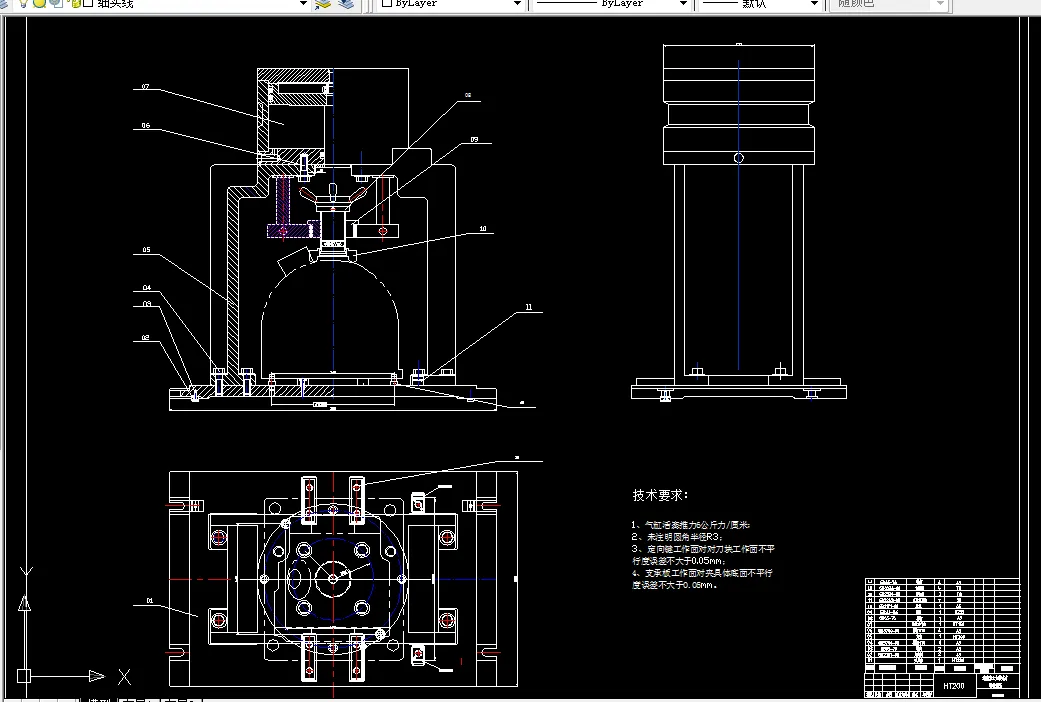
5 夹具设计 17
5.1铣R、Q面的夹具设计 17
5.1.1确定设计方案 17
5.1.2夹具操作说明 18
5.1.3 定位精度分析 18
5.1.4.计算夹紧力及切削力并确定螺杆直径 18
5.2 钻扩铰2-Φ9F9孔夹具设计 19
5.2.1 确定设计方案 19
5.2.2 操作说明 20
5.2.3 定位精度分析 20
5.2.4紧力与切削的计算 21
6 结论 22
参考文献 23
致 谢 23
附 录 24
温馨提示:
1、题目前面的备注【字母数字编号】为本站整理分类的编号,与课题内容无关,请选题时忽视;
2、若题目上备注三维,则表示文件里包含三维源文件,由于三维组成零件数量较多,为保证预览截图的简洁性,本站将三维文件夹进行了打包。三维及CAD预览截图,均为本站电脑打开软件进行截图的,保证能够打开,下载原件超高清,下载后解压即可;
3、本站所有资源如无特殊说明,都需要本地电脑安装Office2007。图纸软件为AutoCAD,PROE,UG,SolidWorks,CATIA等;
4、本站所有图文资料仅供用户学习参考,不作为任何商用或其他用途;
5、本站不保证下载资源的准确性、安全性和完整性, 不包修改,不支持退换,同时也不承担用户因使用这些下载资源对自己和他人造成任何形式的伤害或损失;
6、 下载文件中如有侵权或不适当内容,请与我们联系,我们立即纠正。