

作品包括:
Word版说明书1份,共18页,4700字
工序卡1张
工艺过程卡1张
任务书一份
CAD版本图纸,共4张
Proe三维图一份
仿真视频一份


摘要
机械制造业是一个国家的立国之本,是一个国家的民族产业和支柱产业,同时其发展对世界经济起着非常重要的作用,而机械加工工艺的编制是机械制造技术的重要组成部分和关键工作。本文论述的是输出轴的加工工艺和夹具设计,着重于几个重要表面的加工,具有一定的尺寸,形状,位置要求,还有一些强度,表面粗糙度要求,通过对输出轴加工工艺的分析,设计出一套符合经济性要求和结构要求的工艺路线。
关键词:输出轴,工艺分析,工艺设计,夹具设计
目录
摘要1
前言3
第1章输出轴零件工艺分析4
1.1输出轴零件的作用与结构4
1.1.1输出轴零件的作用4
1.1.2输出轴零件的结构特点4
1.1.3输出轴零件的结构工艺性4
1.2输出轴零件关键表面的技术要求4
第2章输出轴零件工艺设计5
2.1输出轴生产类型的确定5
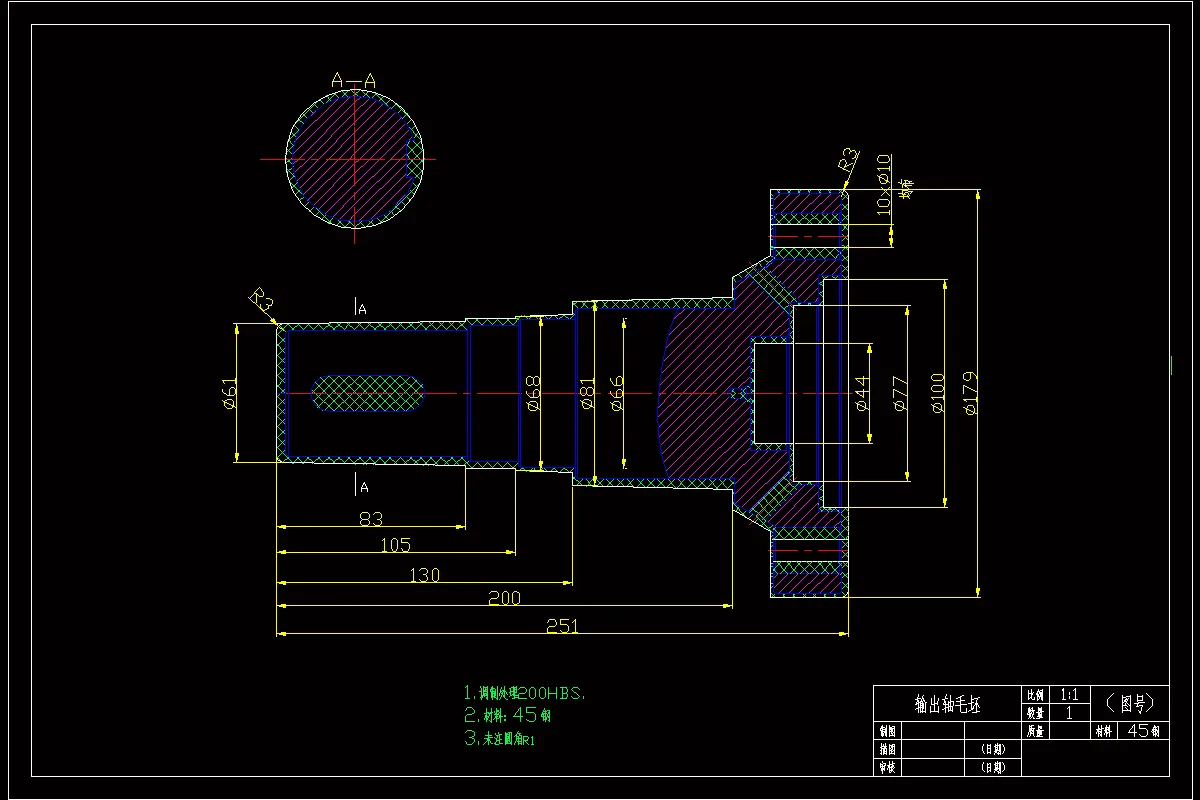
2.2输出轴毛坯的选择与毛坯图的说明5
2.2.1输出轴毛坯选择5
2.2.2输出轴毛坯图的说明5
2.3输出轴工艺路线的确定6
2.3.1方案一6
2.3.2方案二7
2.4输出轴加工余量、切削余量的确定8
2.5输出轴加工刀具和量具的确定11
2.5.1刀具的确定11
2.5.2量具的选择11
第3章钻10-φ20孔(模板)夹具设计12
3.1总体方案设计12
3.2定位方案分析与定位误差计算12
3.4夹紧机构设计与夹紧力计算13
3.5夹紧操作动作说明15
设计心得16
参考文献17
附录输出轴钻10-φ20孔(模板)夹具三维图18
温馨提示:
1、题目前面的备注【字母数字编号】为本站整理分类的编号,与课题内容无关,请选题时忽视;
2、若题目上备注三维,则表示文件里包含三维源文件,由于三维组成零件数量较多,为保证预览截图的简洁性,本站将三维文件夹进行了打包。三维及CAD预览截图,均为本站电脑打开软件进行截图的,保证能够打开,下载原件超高清,下载后解压即可;
3、本站所有资源如无特殊说明,都需要本地电脑安装Office2007。图纸软件为AutoCAD,PROE,UG,SolidWorks,CATIA等;
4、本站所有图文资料仅供用户学习参考,不作为任何商用或其他用途;
5、本站不保证下载资源的准确性、安全性和完整性, 不包修改,不支持退换,同时也不承担用户因使用这些下载资源对自己和他人造成任何形式的伤害或损失;
6、 下载文件中如有侵权或不适当内容,请与我们联系,我们立即纠正。