

作品包括:
Word版说明书1份,共23页,约6300字
工序卡6张
工艺过程卡1张
CAD版本图纸,共4张

摘要
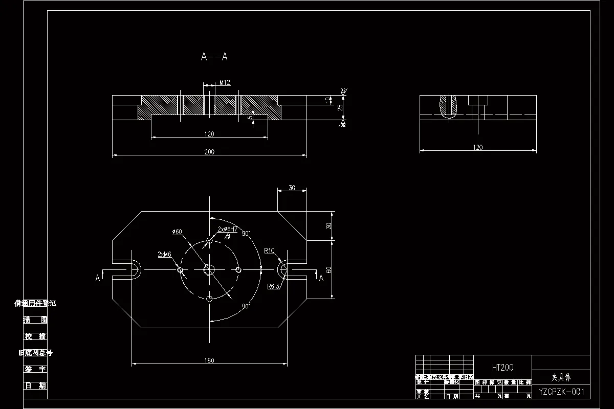
本次课设为“右支撑”零件工艺规程及钻孔夹具的设计。
重点分析”右支撑”零件的工艺分析,根据工艺分析制定合理的工艺路线,制定详细的工艺规程和工序卡;结合图纸要求及工艺规程选用合理的机床及刀具;根据相关资料计算各工序切削速度及切削时间;设计加工钻孔夹具一套,绘制总装配图及相关定位零件,分析夹具的定位误差及夹紧力。
关键词:“右支撑”零件;工艺规程;切削用量;钻孔夹具;定位误差;夹紧力。
目录
摘要1
第一章零件的工艺分析及生产类型的确定2
1.1零件的用途2
1.2零件的技术要求3
第二章确定毛坯种类、绘制毛坯简图4
2.1毛坯得制造形式4
2.2毛坯余量的确定5
2.3毛坯尺寸确定5
第三章拟定右支撑零件工艺路线6
3.1定位基准的选择6
3.1.1精基准的选择6
3.1.2粗基准的选择6
3.2各表面加工方案的确定6
3.3工序顺序的安排7
3.3.1机械加工顺序7
3.3.2辅助工序7
3.4确定工艺路线7
第四章切削用量计算9
第五章专用夹具设计12
5.1夹具定位方案确定12
5.2夹具体设计13
5.3夹具定位误差计算13
5.4夹具导向装置的设计14
5.5夹紧力计算14
总结19
致谢20
参考文献21
温馨提示:
1、题目前面的备注【字母数字编号】为本站整理分类的编号,与课题内容无关,请选题时忽视;
2、若题目上备注三维,则表示文件里包含三维源文件,由于三维组成零件数量较多,为保证预览截图的简洁性,本站将三维文件夹进行了打包。三维及CAD预览截图,均为本站电脑打开软件进行截图的,保证能够打开,下载原件超高清,下载后解压即可;
3、本站所有资源如无特殊说明,都需要本地电脑安装Office2007。图纸软件为AutoCAD,PROE,UG,SolidWorks,CATIA等;
4、本站所有图文资料仅供用户学习参考,不作为任何商用或其他用途;
5、本站不保证下载资源的准确性、安全性和完整性, 不包修改,不支持退换,同时也不承担用户因使用这些下载资源对自己和他人造成任何形式的伤害或损失;
6、 下载文件中如有侵权或不适当内容,请与我们联系,我们立即纠正。