

作品包括:
Word版说明书1份,共35页,约13000字
工序卡8张
工艺过程卡1张
CAD版本图纸,共10张
Proe三维图一套
SW三维图一套

摘要
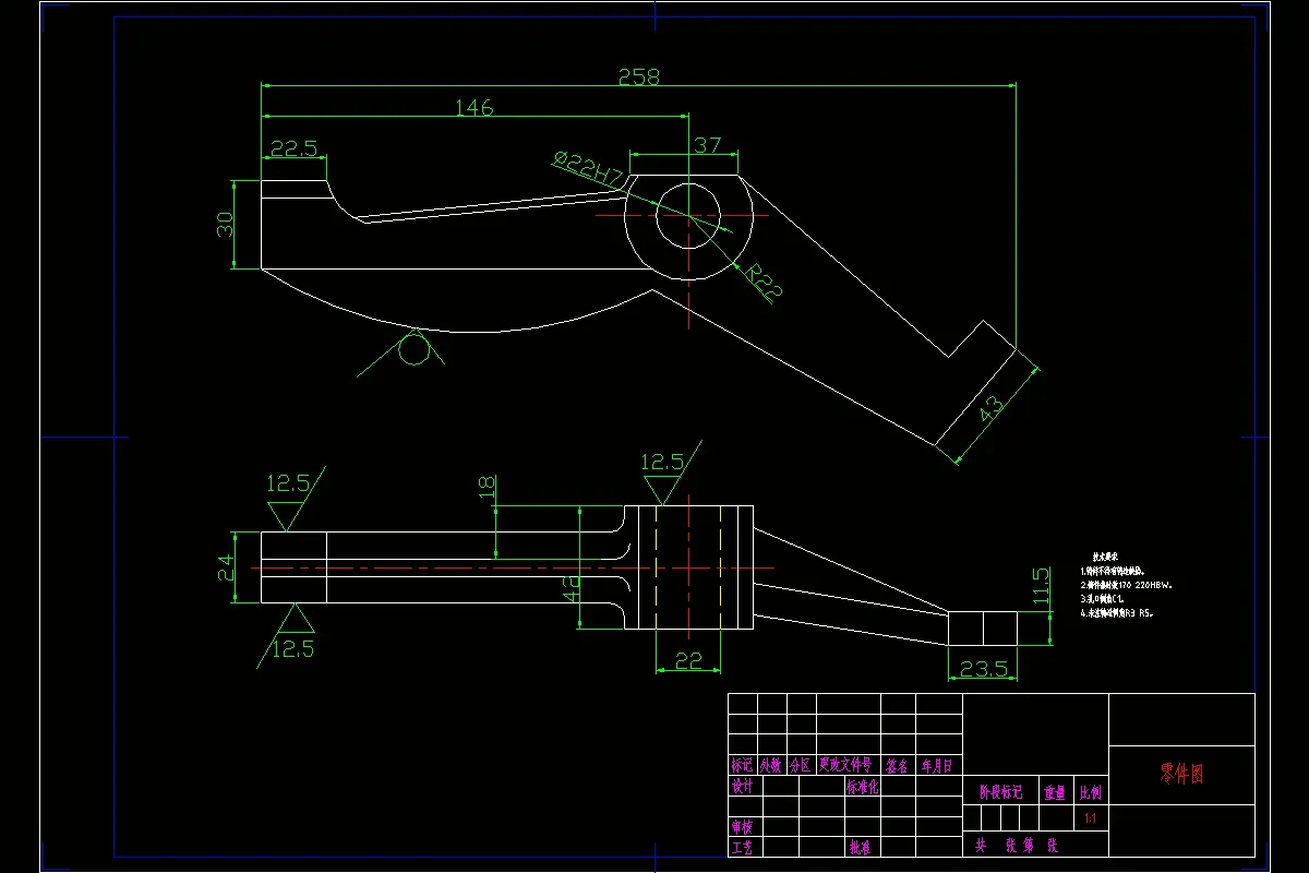
本文选择了牵引机连接杆作为研究对象,连接杆是牵引机的组成部分之一,通过与其他零部件连接在一起。为牵引机的正常工作提供保障。
本文主要研究内容是牵引机连接杆的工艺编制及夹具设计。制定了加工牵引机连接杆的机械加工工艺路线,详细计算了加工余量、切削用量、尺寸公差,确定各工序尺寸、工序加工余量、加工工时、机械加工等,选择其加工设备。通过本设计掌握零件的加工过程分析、工艺卡片的编制和步骤。学会应用手册、标准、规范等资料。认识到工艺在机械制造中的重要性。了解刀具的选用规则,产品质量、精度、寿命等属性和节约材料,降低成本,最重要的是提高生产效率。
设计加工铣24单平面槽铣床专用夹具,设计内容有:定位机构和夹紧机构的确定,定位元件和夹紧元件的选择,夹具体的设计等等。
关键词:牵引机连接杆;工艺;夹具;铣24单平面槽;铣床
目录
1引言1
1.1零件的结构分析3
1.1.1零件的工艺分析3
1.1.2零件的工艺要求4
2.1加工工艺过程6
2.2确定各表面加工方案6
2.2.1影响加工方法的因素6
2.2.2加工方案的选择7
2.3确定定位基准7
2.3.1粗基准的选择7
2.3.2精基准选择的原则8
2.4工艺路线的拟订8
2.4.1工序的集中与分散8
2.4.2加工阶段的划分9
2.4.3加工工艺路线方案的比较10
2.5零件的偏差,加工余量,工序尺寸及毛坯尺寸的确定11
2.5.1毛坯的结构工艺要求11
2.5.2零件的偏差计算13
2.6确定切削用量及工时定额15
3铣24单平面夹具设计24
3.1铣床夹具设计要求说明24
3.2铣床夹具的设计要求24
3.3定位机构24
3.4夹紧机构25
3.5零件的铣床夹具的加工误差分析25
3.6确定夹具体结构尺寸和总体结构26
结论29
致谢30
参考文献31
温馨提示:
1、题目前面的备注【字母数字编号】为本站整理分类的编号,与课题内容无关,请选题时忽视;
2、若题目上备注三维,则表示文件里包含三维源文件,由于三维组成零件数量较多,为保证预览截图的简洁性,本站将三维文件夹进行了打包。三维及CAD预览截图,均为本站电脑打开软件进行截图的,保证能够打开,下载原件超高清,下载后解压即可;
3、本站所有资源如无特殊说明,都需要本地电脑安装Office2007。图纸软件为AutoCAD,PROE,UG,SolidWorks,CATIA等;
4、本站所有图文资料仅供用户学习参考,不作为任何商用或其他用途;
5、本站不保证下载资源的准确性、安全性和完整性, 不包修改,不支持退换,同时也不承担用户因使用这些下载资源对自己和他人造成任何形式的伤害或损失;
6、 下载文件中如有侵权或不适当内容,请与我们联系,我们立即纠正。