

作品包括:
Word版说明书1份,共32页,约10000字
工序卡8张
工艺过程卡1张
CAD版本图纸,共4张

摘要
滑动叉是汽车后桥上的一个重要的零件,它具有传递扭矩、调整传动轴的长短及位置,从而使汽车在前进中获得动力,并使零件之间达到更好的配合。因此,对其进行设计和研究是非常有意义的。
本文主要研究滑动叉的工艺规程及钻、攻4-M8螺纹孔夹具。设计之初,对加工零件进行全面的技术分析,从加工零件的材料到加工零件的形位公差,从加工成本到生产工艺,每一步都详细而认真作了规划。在拟订了工艺生产路线时,考虑零件的全部技术要求、生产的效率高低、生产的成本多少、生产劳动的强度等的,对各工序切削用量及切削时间进行计算。
专用钻床夹具设计的内容有定位方案、定位元件的选择;夹紧方案、夹紧元件的选择;夹具体、导向装置的选择;切削力和夹紧力的计算;定位误差的分析等。
关键词:滑动叉、工艺规程,钻、攻4-M8螺纹孔、钻床夹具
目录
摘要I
Abstract II
第一章绪论1
1.1本课题研究的目的及意义1
1.2机械加工工艺规程1
1.2.1机械加工工艺规程的概述1
1.2.2机械加工艺规程的作用1
1.2.3制定机械加工工艺规程的原则2
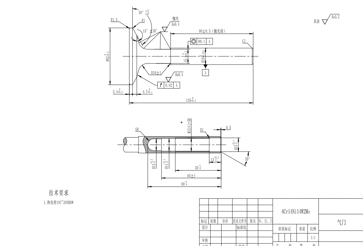
第二章滑动叉零件的分析3
2.1零件的作用3
2.2零件的分析3
2.2.1零件的工艺分析3
2.2.2零件结构分析4
2.2.3零件的技术要求分析4
2.2.4零件的组成表面4
2.2.5零件的技术要求5
2.2.6零件的形位公差5
第三章滑动叉工艺规程的设计6
3.1零件生产类型的确定6
3.2确定零件的材料及制造方式6
3.3选择加工的定位基准7
3.4加工工艺路线的选择、比较与确定7
3.4.1加工工艺路线方案一8
3.4.2加工工艺路线方案二8
3.4.3加工工艺路线的比较与确定8
3.5加工设备、加工刀具及量具的选用9
3.6各工序工步加工余量的计算10
3.7确定切削用量及基本工时11
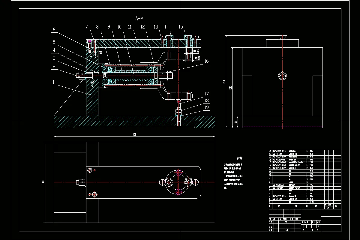
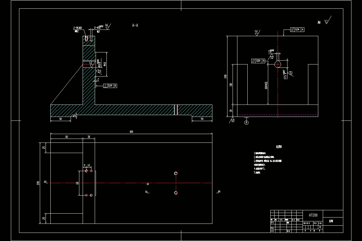
第四章钻、攻4-M8-6H螺纹孔专用夹具设计22
4.1问题提出22
4.2定位基准的选择22
4.3定位误差分析22
4.4切削力的计算与夹紧力分析23
4.5钻套设计24
4.6夹具设计及操作简要说明26
结论27
致谢28
参考文献29
温馨提示:
1、题目前面的备注【字母数字编号】为本站整理分类的编号,与课题内容无关,请选题时忽视;
2、若题目上备注三维,则表示文件里包含三维源文件,由于三维组成零件数量较多,为保证预览截图的简洁性,本站将三维文件夹进行了打包。三维及CAD预览截图,均为本站电脑打开软件进行截图的,保证能够打开,下载原件超高清,下载后解压即可;
3、本站所有资源如无特殊说明,都需要本地电脑安装Office2007。图纸软件为AutoCAD,PROE,UG,SolidWorks,CATIA等;
4、本站所有图文资料仅供用户学习参考,不作为任何商用或其他用途;
5、本站不保证下载资源的准确性、安全性和完整性, 不包修改,不支持退换,同时也不承担用户因使用这些下载资源对自己和他人造成任何形式的伤害或损失;
6、 下载文件中如有侵权或不适当内容,请与我们联系,我们立即纠正。