

作品包括:
Word版说明书1份,共15页,约6200字
工序卡10张
工艺过程卡1张
CAD图纸,共3张
Proe三维图一套

目录
摘要1
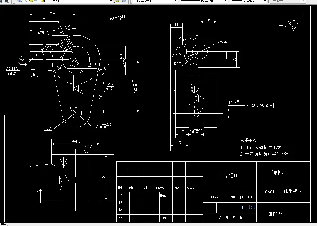
第一章 零件的分析3
1.1零件的作用3
1.2零件的工艺分析3
1.2.1孔的加工3
1.2.2面的加工3
1.2.3槽的加工3
1.2.4螺纹孔的加工3
第二章 工艺规划设计4
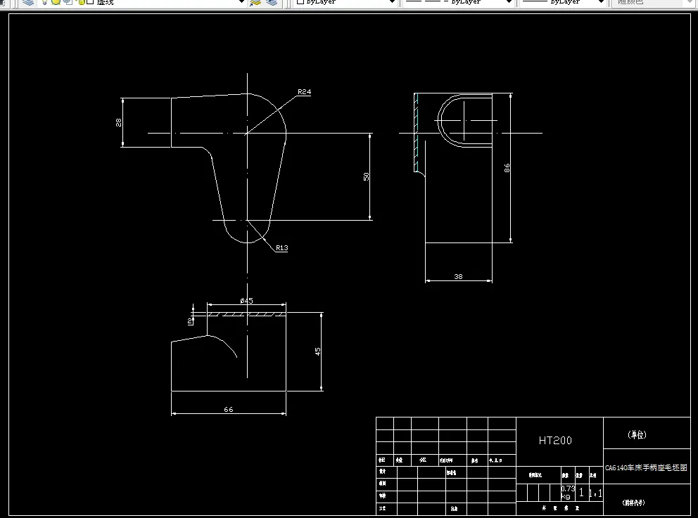
2.1毛坯的制造形式4
2.2基面的选择4
2.2.1粗基准的选择4
2.2.2精基准的选择4
2.3工艺路线的拟定4
2.3.1工艺路线方案一4
2.3.2工艺路线方案二5
2.3.3工艺方案的比较与分析5
2.3.4工艺方案的确定6
2.4毛坯尺寸及其加工余量的确定7
3.4.1φ45mm圆柱两端面毛坯尺寸及加工余量计算7
2.5确定各工序切削用量及基本工时(钻扩铰φ14H7mm孔与钻φ5mm圆锥孔)8
第三章 夹具设计10
3.1定位方案的确定10
3.1.1工序要求10
3.1.3定位误差分析11
3.1.4定位元件的型号和安装方式11
3.2夹紧方案的确定11
3.2.1夹紧装置的设计11
3.2.2切削力及夹紧力的计算12
3.2.3夹具的操作及维护13
小 结14
参考文献15
温馨提示:
1、题目前面的备注【字母数字编号】为本站整理分类的编号,与课题内容无关,请选题时忽视;
2、若题目上备注三维,则表示文件里包含三维源文件,由于三维组成零件数量较多,为保证预览截图的简洁性,本站将三维文件夹进行了打包。三维及CAD预览截图,均为本站电脑打开软件进行截图的,保证能够打开,下载原件超高清,下载后解压即可;
3、本站所有资源如无特殊说明,都需要本地电脑安装Office2007。图纸软件为AutoCAD,PROE,UG,SolidWorks,CATIA等;
4、本站所有图文资料仅供用户学习参考,不作为任何商用或其他用途;
5、本站不保证下载资源的准确性、安全性和完整性, 不包修改,不支持退换,同时也不承担用户因使用这些下载资源对自己和他人造成任何形式的伤害或损失;
6、 下载文件中如有侵权或不适当内容,请与我们联系,我们立即纠正。