

作品包括:
Word版说明书1份,共37页,约14000字
开题报告一份
工序卡9张
工艺过程卡1张
CAD版本图纸,共4张
SW三维图一套
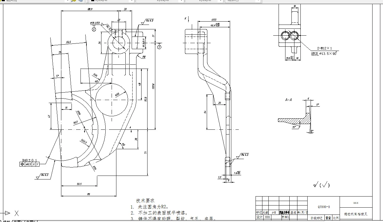
![1751257498576727.webp 66B%RLEPC3S]`PNFPBLB67C.webp](/static/upload/image/20250630/1751257498576727.webp)
摘 要
本设计是基于拖拉机倒挡拨叉零件的加工工艺规程和一些工序,设计了专用夹具。拖拉机倒挡拨叉零件的主要加工表面是平面和孔系。通常,保证平面的加工精度比保证孔系的加工精度容易。因此,本设计遵循"先面后孔"的原则,并将孔和平面的加工划分为粗加工和精加工两个阶段,以确保孔系的加工精度。为了完成本次的零件的工艺分析和具体的夹具设计内容,通过查阅相关资料和文献确定夹具设计的工艺方法,针对本次设计的零件进行功能和使用分析,从而确定其重要的加工面和加工孔,然后针对性的制定相关的工艺路线,对工艺路线中主要的工序进行计算完成切削速度、进给量、切削量的设计计算,并针对本次设计任务书的铣槽工具进行具体的夹具设计,从定位基准和夹具基本夹紧方案以及夹紧力和切消力进行计算从而完成夹具的整体设计,最后采用机械设计图形辅助软件CAD和solidworks、、成相关尺寸和墨模型的绘制,最后整理其设计说明书,通过本次对设计能够更好的加强自身的对所学知识的理解和应用,并对国内夹具的发展提供一定的理论参考意义。
关键词:倒挡拨叉;工艺路线;夹具;进给量;切削量;
目录
摘 要 I
ABSTRACT III
第1章 绪论 2
1.1机械加工工艺概述 2
1.2机械加工工艺流程 2
1.3夹具概述 3
1.4机床夹具的功能 3
1.5研究的主要内容 3
第二章 加工工艺规程设计 4
2.1 零件的分析 4
2.2技工基准的选择 6
2.3工艺路线的制定 6
第四章 加工工序的计算 9
4.1粗铣Ф19.1mm两侧面 9
4.2钻Ф19.1定位孔至Ф18mm 10
4.3粗铣叉口两侧面 12
4.4精铣叉口两侧面 14
4.5粗车叉口 15
4.6精车叉口 17
4.7粗铣、精铣19.3mm槽 18
4.8扩、铰孔Ф19.1mm孔、倒角 21
4.8.1扩 mm孔至 21
4.9钻、攻2-M12螺纹孔 23
第三章 铣槽夹具设计 25
3.1研究原始质料 25
3.2定位基准的选择 25
3.3 切削力及夹紧分析计算 26
3.4 误差分析与计算 27
3.5 定向键与对刀装置设计 28
3.5 夹具体的设计 30
3.6 装配图的设计 31
总结 33
参考文献 34
致谢 35
温馨提示:
1、题目前面的备注【字母数字编号】为本站整理分类的编号,与课题内容无关,请选题时忽视;
2、若题目上备注三维,则表示文件里包含三维源文件,由于三维组成零件数量较多,为保证预览截图的简洁性,本站将三维文件夹进行了打包。三维及CAD预览截图,均为本站电脑打开软件进行截图的,保证能够打开,下载原件超高清,下载后解压即可;
3、本站所有资源如无特殊说明,都需要本地电脑安装Office2007。图纸软件为AutoCAD,PROE,UG,SolidWorks,CATIA等;
4、本站所有图文资料仅供用户学习参考,不作为任何商用或其他用途;
5、本站不保证下载资源的准确性、安全性和完整性, 不包修改,不支持退换,同时也不承担用户因使用这些下载资源对自己和他人造成任何形式的伤害或损失;
6、 下载文件中如有侵权或不适当内容,请与我们联系,我们立即纠正。