

作品包括:
Word版说明书1份,共47页,约16000字
工序卡9张
工艺过程卡1张
CAD版本图纸,共5张
摘 要
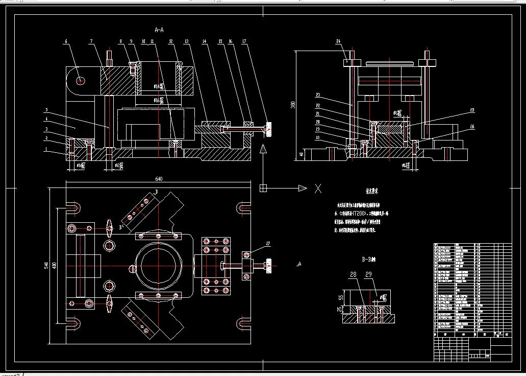
本课题的目的就是对角形轴承器加工工艺进行规划及典型夹具的夹具设计。首先先进行零件加工工艺分析,根据零件制订加工工艺规程,并对典型工序进行切削用量的计算和制定工艺卡片。然后对φ180这一工序做夹具设计。这需要对制造工艺学和机床夹具设计学有较深入的学习研究。在这几个月里,通过查询和阅读大量有关的文献资料,在指导老师的辅导下,学生逐步完成了各项任务并和完善了该毕业设计。
【关键词】:角形轴承器;工艺过程;切削用量;工时:夹具设计。
目 录
摘 要 I
Abstract II
1 零件的分析 1
1.1 零件的结构分析 1
1.2 零件的技术要求分析 1
1.3 计算生产纲领,确定零件的生产类型 2
2 确定毛坯,画毛坯图 3
2.1 铸件尺寸公差 3
2.2 铸件机械加工余量 3
2.3 毛坯图 4
3 工艺规程设计 5
3.1 选择定位基准 5
3.1.1 粗基准的选择 5
3.1.2 精基准的选择 5
3.2 零件表面加工方法的选择 6
3.3 制定工艺路线 6
3.4 机械加工余量、工序尺寸的确定 9
4. 确立切削用量及基本工时 10
5 镗φ180H7孔夹具设计 39
5.1 问题的提出 39
5.2 定位分析 39
5.3 定位误差计算 39
5.4 切削力及夹紧力的计算 39
5.5夹具设计及简要操作说明 40
总 结 41
参考文献 42
致 谢 43
温馨提示:
1、题目前面的备注【字母数字编号】为本站整理分类的编号,与课题内容无关,请选题时忽视;
2、若题目上备注三维,则表示文件里包含三维源文件,由于三维组成零件数量较多,为保证预览截图的简洁性,本站将三维文件夹进行了打包。三维及CAD预览截图,均为本站电脑打开软件进行截图的,保证能够打开,下载原件超高清,下载后解压即可;
3、本站所有资源如无特殊说明,都需要本地电脑安装Office2007。图纸软件为AutoCAD,PROE,UG,SolidWorks,CATIA等;
4、本站所有图文资料仅供用户学习参考,不作为任何商用或其他用途;
5、本站不保证下载资源的准确性、安全性和完整性, 不包修改,不支持退换,同时也不承担用户因使用这些下载资源对自己和他人造成任何形式的伤害或损失;
6、 下载文件中如有侵权或不适当内容,请与我们联系,我们立即纠正。