

作品包括:
Word版说明书1份,共43页,约13000字
工序卡15张
工艺过程卡1张
CAD版本图纸,共6张
![1695816564319370.webp CIZ{Y@76EOG5$]Q})J(RZVB.webp](/static/upload/image/20230927/1695816564319370.webp)
摘 要
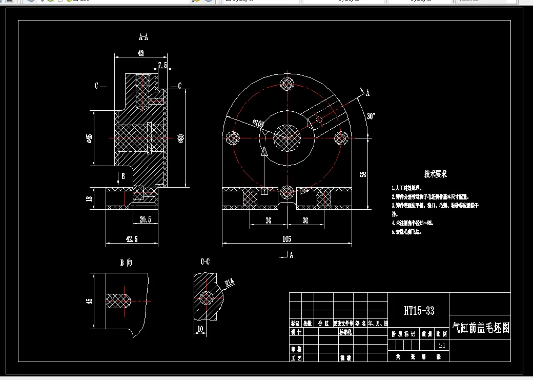
此次毕业设计我分配的题目为:气缸前盖零件机械加工工艺过程、铣R5.5槽夹具,中批量生产。从气缸前盖的零件图结构可以看出,Ф22孔粗糙度Ra0.8,Ф75外圆粗糙度Ra1.6,Ф7孔端面粗糙度Ra1.6,这三处是工件精度最高的位置。
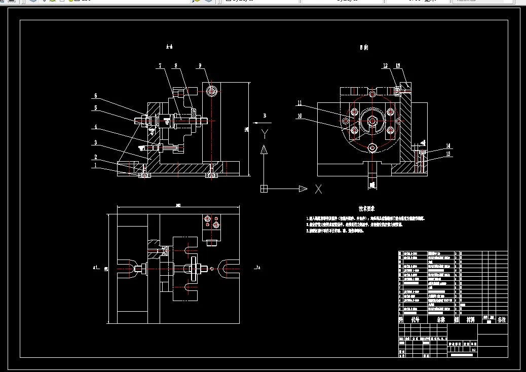
铣R5.5槽夹具,设计的夹具所应用的机床为X52K,定位位置为Φ75端面、Ф22孔和Ф7孔,定位方案采用两个支承板60×16×10、心轴和B型固定式定位销Ф7,夹紧方案为心轴螺旋结构,导向为圆形对刀块结构。
关键词:气缸前盖;铣R5.5槽夹具
目 录 1
摘 要 3
Abstract 4
第1章 绪论 5
1.1课题的目的及意义 5
1.2国内外发展动态 5
第2章 工艺规程设计 6
2.1 气缸前盖生产类型 6
2.2 零件分析 7
2.3确定毛坯制定形式 7
2.4基准选择 8
2.4.1精基准选择 9
2.4.2粗基准选择 9
2.5工艺规程设计 10
2.5.1表面加工方案选择 10
2.5.2加工阶段划分 10
2.5.3工序的集中与分散 11
2.5.4机械加工顺序的安排 12
2.5.5机械加工工艺路线安排 13
2.6工序内容 13
2.6.1加工设备选择 13
2.6.2工序尺寸及公差 14
第3章 切削工时计算 18
第4章 铣R5.5槽夹具 37
4.1设计任务 37
4.2工件的定位方案分析 37
4.3定位误差分析 39
4.4夹紧方案分析 39
4.5夹具体设计及与机床的连接 40
总结与体会 41
致谢 42
参考文献 43
温馨提示:
1、题目前面的备注【字母数字编号】为本站整理分类的编号,与课题内容无关,请选题时忽视;
2、若题目上备注三维,则表示文件里包含三维源文件,由于三维组成零件数量较多,为保证预览截图的简洁性,本站将三维文件夹进行了打包。三维及CAD预览截图,均为本站电脑打开软件进行截图的,保证能够打开,下载原件超高清,下载后解压即可;
3、本站所有资源如无特殊说明,都需要本地电脑安装Office2007。图纸软件为AutoCAD,PROE,UG,SolidWorks,CATIA等;
4、本站所有图文资料仅供用户学习参考,不作为任何商用或其他用途;
5、本站不保证下载资源的准确性、安全性和完整性, 不包修改,不支持退换,同时也不承担用户因使用这些下载资源对自己和他人造成任何形式的伤害或损失;
6、 下载文件中如有侵权或不适当内容,请与我们联系,我们立即纠正。