

作品包括:
Word版说明书1份,共21页,约5300字
工序卡8张
工艺过程卡1张
CAD版本图纸,共4张
目 录 1
第1章 引言 1
1.1工艺规程 1
1.2研究方法及技术路线 1
1.3课题背景及发展趋势 1
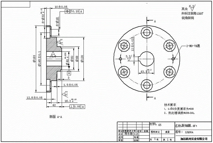
第2章 法兰盘转接板的工艺分析 3
2.1 法兰盘转接板的作用 3
2.2 法兰盘转接板工艺分析 3
第3章 法兰盘转接板的工艺 5
3.1法兰盘转接板毛坯 5
3.2法兰盘转接板的加工余量 5
3.3 法兰盘转接板工艺路线 5
3.4 法兰盘转接板工时计算 6
第4章 法兰盘转接板钻床夹具 16
4.1 加工要求 16
4.2定位分析 16
4.3钻削力计算 16
4.4 夹紧力计算 17
4.5误差分析 17
4.5夹具设计及操作简要说明 18
结 论 19
参考文献 20
温馨提示:
1、题目前面的备注【字母数字编号】为本站整理分类的编号,与课题内容无关,请选题时忽视;
2、若题目上备注三维,则表示文件里包含三维源文件,由于三维组成零件数量较多,为保证预览截图的简洁性,本站将三维文件夹进行了打包。三维及CAD预览截图,均为本站电脑打开软件进行截图的,保证能够打开,下载原件超高清,下载后解压即可;
3、本站所有资源如无特殊说明,都需要本地电脑安装Office2007。图纸软件为AutoCAD,PROE,UG,SolidWorks,CATIA等;
4、本站所有图文资料仅供用户学习参考,不作为任何商用或其他用途;
5、本站不保证下载资源的准确性、安全性和完整性, 不包修改,不支持退换,同时也不承担用户因使用这些下载资源对自己和他人造成任何形式的伤害或损失;
6、 下载文件中如有侵权或不适当内容,请与我们联系,我们立即纠正。