

作品包括:
Word版说明书1份,共35页,约10000字
工序卡片14张
工艺过程卡1张
CAD版本图纸,共13张
![1697637773708462.webp 2~JX{X}6]T35VU2D2EKB]PO.webp](/static/upload/image/20231018/1697637773708462.webp)
摘 要
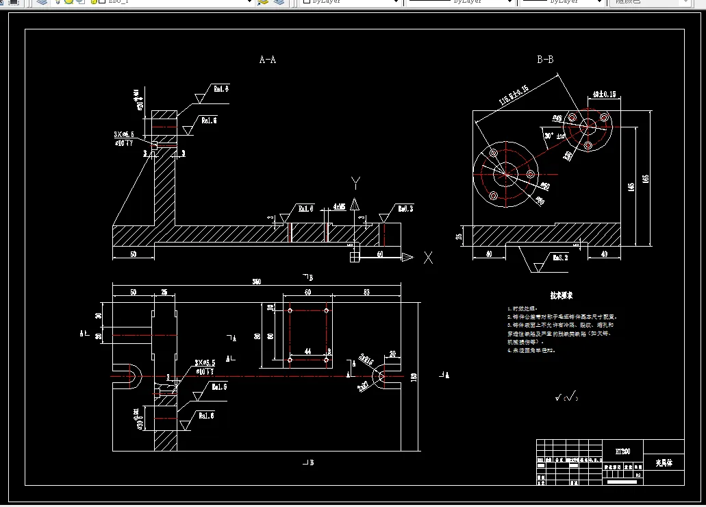
我被分配的任务为拨叉工艺规程及其铣斜面夹具。从我的任务书上也可以看出,此所分配的毕业设计大体上分为三部分,第一部分为拨叉工艺设计,主要介绍拨叉的特点及加工;第二部分为铣斜面夹具部分,此部分主要介绍夹具,包括定位元件、夹紧机构;第三部分为Slidworks绘制三维。
拨叉零件工艺规程又分为零件分析、毛坯选择、机床刀具确定及切削工时计算。零件分析主要介绍拨叉作用及加工表面、孔;因拨叉材料QT450-10,所以拨叉毛坯为铸件;拨叉加工采用机床为数控铣床XK7132、立式铣床X52K和立式钻床Z525等,刀具为立铣刀、麻花钻和镗刀等;切削工时的计算就有些复杂,需要参考机床参数,刀具参数、切削深度和主轴转速等。
关键词:拨叉;工艺设计;铣斜面夹具;Slidworks
目 录
摘 要 1
Abstract 2
第1章 绪论 3
1.1 选题的意义与目的 3
1.2 设计思路与创新思路 3
第2章 零件的分析 4
2.1零件的作用 4
2.2零件的工艺分析 4
第3章工艺规程的设计 6
3.1确定毛坯制定形式 6
3.2基准选择 7
3.2.1粗基准选择 7
3.2.2精基准选择 7
3.3工序尺寸及公差 8
3.4 制定工艺路线 10
第4章 切削工时计算 12
4.1工序03 12
3.2工序04 13
3.3工序05 14
3.4工序06 17
3.5工序07 19
3.6工序08 20
3.7工序09 20
3.8工序10 21
3.9工序11 22
3.10工序12 23
3.11工序13 25
3.12工序14 25
3.13工序15 26
3.14工序16 27
第4章 铣斜面夹具 29
4.1设计任务 29
4. 2工件的定位方案分析 29
4.3定位误差分析 29
4.4夹紧方案分析 30
4.5夹具体的设计与确定 31
致谢 32
参考文献 33
温馨提示:
1、题目前面的备注【字母数字编号】为本站整理分类的编号,与课题内容无关,请选题时忽视;
2、若题目上备注三维,则表示文件里包含三维源文件,由于三维组成零件数量较多,为保证预览截图的简洁性,本站将三维文件夹进行了打包。三维及CAD预览截图,均为本站电脑打开软件进行截图的,保证能够打开,下载原件超高清,下载后解压即可;
3、本站所有资源如无特殊说明,都需要本地电脑安装Office2007。图纸软件为AutoCAD,PROE,UG,SolidWorks,CATIA等;
4、本站所有图文资料仅供用户学习参考,不作为任何商用或其他用途;
5、本站不保证下载资源的准确性、安全性和完整性, 不包修改,不支持退换,同时也不承担用户因使用这些下载资源对自己和他人造成任何形式的伤害或损失;
6、 下载文件中如有侵权或不适当内容,请与我们联系,我们立即纠正。