

作品包括:
Word版说明书1份,共32页,约9800字
工序卡片13张
工艺过程卡1张
CAD版本图纸,共6张
![1697639236789679.webp 1AB5{0]N5}9P`AW3XH(JEKY.webp](/static/upload/image/20231018/1697639236789679.webp)
摘 要
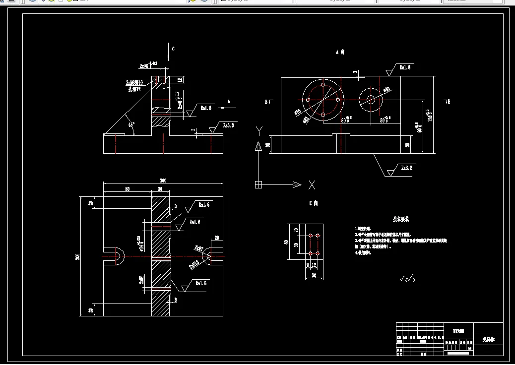
此次毕业设计我分配的题目为:连杆零件机械加工工艺过程及其夹具设计。从连杆的零件图结构可以看出,Φ28H7孔粗糙度Ra1.6、Φ10H9孔粗糙度Ra1.6、左侧Ф40端面粗糙度Ra3.2、Ф10H9孔两端面粗糙度Ra3.2,尺寸36两端面粗糙度Ra3.2,这几处为连杆精度最高的地方。我的夹具为连杆钻Ф11孔夹具。
连杆零件工艺规程又分为零件分析、毛坯选择、机床刀具确定及切削工时计算。零件分析主要介绍连杆作用及加工表面、孔;因连杆材料45钢,故毛坯为锻件;连杆加工采用机床为立式铣床X52K、卧式铣床X62和立式钻床Z525,刀具为立铣刀、麻花钻和三面刃铣刀等;切削工时的计算就有些复杂,需要参考机床参数,刀具参数、切削深度和主轴转速等。
连杆钻Ф11孔夹具,定位位置为左侧Ф40端面、Ф28H7孔和Ф10H9孔,定位元件为心轴、B型固定式定位销,夹紧方案为心轴夹紧结构,对刀装置为可换钻套、衬套等结构。
关键词:连杆;工艺分析;钻Ф11孔夹具
目 录
摘 要 1
Abstract 2
第1章 绪论 3
1.1课题的目的及意义 3
1.2国内外发展动态 3
第2章 工艺规程设计 4
2.1 连杆生产类型 4
2.2 零件分析 5
2.3确定毛坯制定形式 5
2.4基准选择 6
2.4.1精基准选择 6
2.4.2粗基准选择 7
2.5工艺规程设计 7
2.5.1表面加工方案选择 7
2.5.2加工阶段划分 8
2.6工序内容 8
2.6.1加工设备选择 8
2.6.2工序尺寸及公差 9
2.7 制定工艺路线 11
第3章 切削工时计算 13
第4章 钻Ф11孔夹具 27
4.1设计任务 27
4.2工件的定位方案分析 27
4.3定位误差分析 27
4.4夹紧方案分析 28
4.5钻模方案确定 29
总结与体会 30
参考文献 31
温馨提示:
1、题目前面的备注【字母数字编号】为本站整理分类的编号,与课题内容无关,请选题时忽视;
2、若题目上备注三维,则表示文件里包含三维源文件,由于三维组成零件数量较多,为保证预览截图的简洁性,本站将三维文件夹进行了打包。三维及CAD预览截图,均为本站电脑打开软件进行截图的,保证能够打开,下载原件超高清,下载后解压即可;
3、本站所有资源如无特殊说明,都需要本地电脑安装Office2007。图纸软件为AutoCAD,PROE,UG,SolidWorks,CATIA等;
4、本站所有图文资料仅供用户学习参考,不作为任何商用或其他用途;
5、本站不保证下载资源的准确性、安全性和完整性, 不包修改,不支持退换,同时也不承担用户因使用这些下载资源对自己和他人造成任何形式的伤害或损失;
6、 下载文件中如有侵权或不适当内容,请与我们联系,我们立即纠正。