

作品包括:
Word版设计说明书1份
任务书一份
开题报告一份
工序卡10张
工艺过程卡1张
CAD版本图纸,共6张
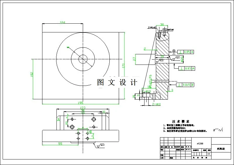
摘要
本文的内容是矿样破碎装置定心套制造工艺设计,包含零件的工艺分析,零件的工序确定,零件的材料选择,采用GCr15进行加工;工艺部分主要是针对零件的材料性能从而给出一个合适的加工工艺。工艺设计依据GCr15材料的性能确定采用锻造方法成型毛坯,依据图纸技术要求公差特点和工件的形状来确定加工方案零件的加工方式确定,切削用量的计算,切削工时的设计,夹具误差尺寸的计算,夹具装置的选择,用CAD完成夹具零件的设计装配。通过本次设计,可以提高零件的生产效率,降低生产成本,在一套铣床上完成铣右端面工序的夹具设计,实现了托板的批量化生产。
温馨提示:
1、题目前面的备注【字母数字编号】为本站整理分类的编号,与课题内容无关,请选题时忽视;
2、若题目上备注三维,则表示文件里包含三维源文件,由于三维组成零件数量较多,为保证预览截图的简洁性,本站将三维文件夹进行了打包。三维及CAD预览截图,均为本站电脑打开软件进行截图的,保证能够打开,下载原件超高清,下载后解压即可;
3、本站所有资源如无特殊说明,都需要本地电脑安装Office2007。图纸软件为AutoCAD,PROE,UG,SolidWorks,CATIA等;
4、本站所有图文资料仅供用户学习参考,不作为任何商用或其他用途;
5、本站不保证下载资源的准确性、安全性和完整性, 不包修改,不支持退换,同时也不承担用户因使用这些下载资源对自己和他人造成任何形式的伤害或损失;
6、 下载文件中如有侵权或不适当内容,请与我们联系,我们立即纠正。