

作品包括:
说明书1份,共34页,约7400字左右
工序卡9张
工艺过程卡1张
CAD版本图纸,共4张
SW三维图一套

目 录
目 录 2
序 言 1
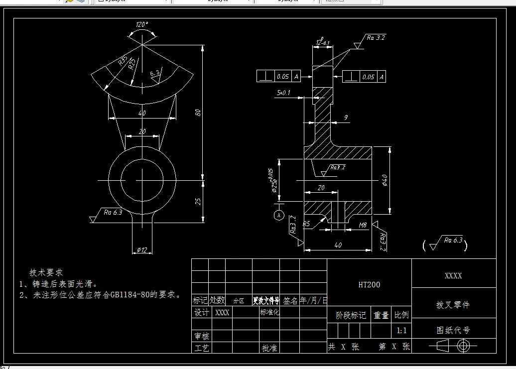
第一章 零件的工艺分析 2
1.1 零件的作用 2
1.2零件的工艺分析 2
第二章 工艺路线的拟定 3
2.1毛坯的选择 3
2.2 定位基准的选择 3
2.1.1粗基准选择 3
2.1.2 精基准的选择 4
2.3 表面加工方法的选择 5
2.4 工艺路线的拟定 6
第三章 主要工序设计 9
3.1工序1设计 9
3.2工序2设计 9
3.3工序3粗铣Φ40左端面 9
3.4工序4精铣Φ40左端面 10
3.5工序5粗铣Φ40右端面 11
3.6工序6精铣Φ40右端面 12
3.7工序7钻扩铰Φ25的孔 13
3.8工序8粗铣R35的两端面 15
3.9工序9精铣R35的两端面 16
3.10 工序10铣Φ12的端面 17
3.11 工序11钻M8的螺纹孔,攻丝 19
第四章 夹具设计 21
4.1 任务与要求 21
4.2 定位方案设计 21
4.2.1定位基准的选择 21
4.2.2 定位元件的布置 22
4.2.3 定位误差分析与计算 23
4.3 切削力及夹紧力计算 24
4.3.1 夹紧力计算 24
4.3.2夹紧元件 26
4.4夹具设计及操作简要说明 26
总 结 28
致 谢 30
参 考 文 献 31
温馨提示:
1、题目前面的备注【字母数字编号】为本站整理分类的编号,与课题内容无关,请选题时忽视;
2、若题目上备注三维,则表示文件里包含三维源文件,由于三维组成零件数量较多,为保证预览截图的简洁性,本站将三维文件夹进行了打包。三维及CAD预览截图,均为本站电脑打开软件进行截图的,保证能够打开,下载原件超高清,下载后解压即可;
3、本站所有资源如无特殊说明,都需要本地电脑安装Office2007。图纸软件为AutoCAD,PROE,UG,SolidWorks,CATIA等;
4、本站所有图文资料仅供用户学习参考,不作为任何商用或其他用途;
5、本站不保证下载资源的准确性、安全性和完整性, 不包修改,不支持退换,同时也不承担用户因使用这些下载资源对自己和他人造成任何形式的伤害或损失;
6、 下载文件中如有侵权或不适当内容,请与我们联系,我们立即纠正。