

作品包括:
Word版设计说明书1份
CAD版本图纸,共8张
摘要
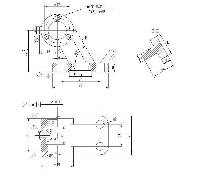
本次设计的汽车离合器壳体,直径为φ68的孔用来中心轴,其尺寸与另一产品有配合要求,需要单独加工,此处表面和四周孔的表面粗糙度和位置精度比较高,所以可以先精加工Ф68的中心孔,然后以此作为基准采用专用夹具进行中间表面,左边台阶孔,四周小孔等,并且保证位置精度要求。其余所需要加工的部位均可以此两孔作为加工基准,本次设计就是其中一套钻孔夹具的设计。
温馨提示:
1、题目前面的备注【字母数字编号】为本站整理分类的编号,与课题内容无关,请选题时忽视;
2、若题目上备注三维,则表示文件里包含三维源文件,由于三维组成零件数量较多,为保证预览截图的简洁性,本站将三维文件夹进行了打包。三维及CAD预览截图,均为本站电脑打开软件进行截图的,保证能够打开,下载原件超高清,下载后解压即可;
3、本站所有资源如无特殊说明,都需要本地电脑安装Office2007。图纸软件为AutoCAD,PROE,UG,SolidWorks,CATIA等;
4、本站所有图文资料仅供用户学习参考,不作为任何商用或其他用途;
5、本站不保证下载资源的准确性、安全性和完整性, 不包修改,不支持退换,同时也不承担用户因使用这些下载资源对自己和他人造成任何形式的伤害或损失;
6、 下载文件中如有侵权或不适当内容,请与我们联系,我们立即纠正。