

作品包括:
Word设计说明书1份
CAD版本图纸,共7张

摘要
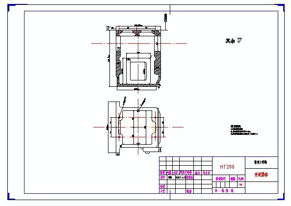
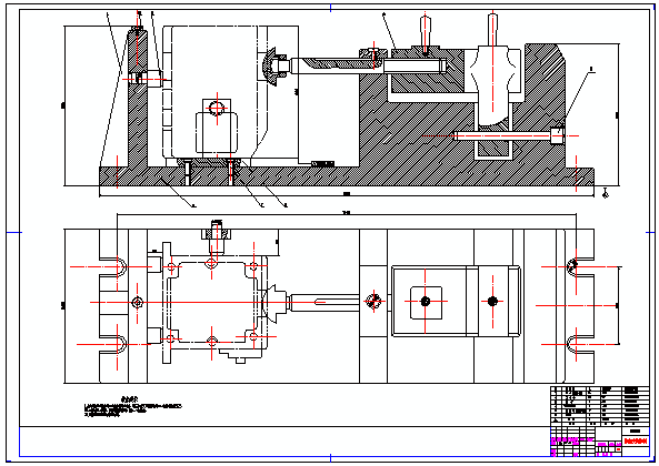
汽车变速器体的工艺及夹具设计 本课题主要是对汽车变速器的机械加工工艺规程的设计以及工艺装备的设计(年产量为5000件),为企业解决实际的问题。本课题的设计综合运用了我们所学的机械制图、机械设计基础、机床概论、机械制造工艺学、机床夹具设计等专业理论知识,通过设计提高我的基础理论和查阅各种资料的综合分析的能力,使我得到一次运用所学知识的综合训练。
温馨提示:
1、题目前面的备注【字母数字编号】为本站整理分类的编号,与课题内容无关,请选题时忽视;
2、若题目上备注三维,则表示文件里包含三维源文件,由于三维组成零件数量较多,为保证预览截图的简洁性,本站将三维文件夹进行了打包。三维及CAD预览截图,均为本站电脑打开软件进行截图的,保证能够打开,下载原件超高清,下载后解压即可;
3、本站所有资源如无特殊说明,都需要本地电脑安装Office2007。图纸软件为AutoCAD,PROE,UG,SolidWorks,CATIA等;
4、本站所有图文资料仅供用户学习参考,不作为任何商用或其他用途;
5、本站不保证下载资源的准确性、安全性和完整性, 不包修改,不支持退换,同时也不承担用户因使用这些下载资源对自己和他人造成任何形式的伤害或损失;
6、 下载文件中如有侵权或不适当内容,请与我们联系,我们立即纠正。