

作品包括:
Word设计说明书1份
工序卡13张
工艺过程卡1张
CAD版本图纸,共5张
摘要
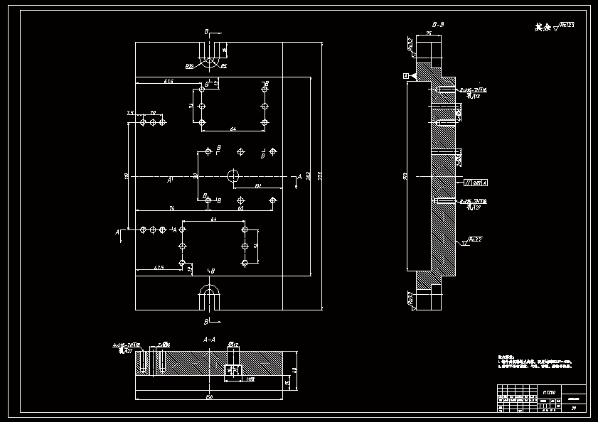
本课题是谐波减速器壳体CAPP与钻S1、S2孔夹具设计,其设计重点在于利用CAPP辅助编制工艺规程,输出工艺规程卡片,并设计钻S1、S2孔这一工序的夹具。 工艺规程的编制步骤包括:分析零件的加工精度及相对位置精度;选择毛坯的制造方法;选择定位基准;拟定加工的工艺路线;确定各工序尺寸及公差;确定各工序的工艺装备;确定各工序的切削用量和工时;填写工艺文件等。 在拟定零件加工的工艺路线时,首先考虑定位基准的选择,然后考虑各表面加工方法的选择,加工阶段的划分,工序先后顺序的安排,工序集中与分散的程度等问题。本文对拟定的两条加工路线进行比较,从而制定出最优的工艺路线方案。另外,切削用量的选择需遵循一定的原则,并通过查表和计算得出。最后,通过CAPP输出工艺规程卡片,大大提高了工艺设计的质量,同时对大批量生产有重要意义。 作为一种装夹工件的工艺装备,夹具的主要功用是实现工件的定位和夹紧,使工件加工时相对于机床、刀具有正确的位置,以保证工件的精度,提高劳动生产率。本文中对钻S1、S2孔的夹具设计,是完成定位设计、夹紧设计和导向设计,以及如何将这些机构装配成一个整体,并绘制出钻孔夹具总装图的过程。
温馨提示:
1、题目前面的备注【字母数字编号】为本站整理分类的编号,与课题内容无关,请选题时忽视;
2、若题目上备注三维,则表示文件里包含三维源文件,由于三维组成零件数量较多,为保证预览截图的简洁性,本站将三维文件夹进行了打包。三维及CAD预览截图,均为本站电脑打开软件进行截图的,保证能够打开,下载原件超高清,下载后解压即可;
3、本站所有资源如无特殊说明,都需要本地电脑安装Office2007。图纸软件为AutoCAD,PROE,UG,SolidWorks,CATIA等;
4、本站所有图文资料仅供用户学习参考,不作为任何商用或其他用途;
5、本站不保证下载资源的准确性、安全性和完整性, 不包修改,不支持退换,同时也不承担用户因使用这些下载资源对自己和他人造成任何形式的伤害或损失;
6、 下载文件中如有侵权或不适当内容,请与我们联系,我们立即纠正。