

作品包括:
Word版设计说明书1份,共45页,约16000字
工序卡12张
工艺过程卡1张
CAD版本图纸,共11张
Proe三维图一套

摘要
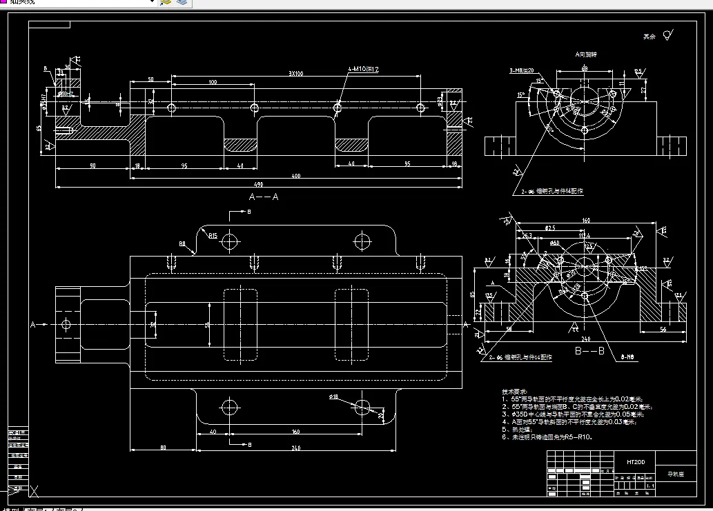
导轨座零件的工艺分析、夹具设计是这次毕业设计的重点,也是难点,导轨座零件的工艺分析运用到工程材料、粗精基准、刀具和机床型号等,导轨座零件的夹具设计运用到六点定位原理、常用定位元件、夹紧装置、常用夹紧机构、对刀及引导装置和夹具体等。通过这次导轨座的毕业设计,不但使我对这几年所学进行了一次复习、巩固,更是通过查阅相关资料,丰富了所学,对以往的不足进行补充。
本设计前期我主要介绍了专用夹具的准备工作,之后又讲述了专用夹具设计的理论知道及其常用的软件与设计技巧,接着介绍了导轨座钻床夹具、铣床夹具设计主要过程与参考,中间配插了专用夹具设计参数化实体图片。总的来说,专用夹具无外乎包括三大机构:定位机构、夹紧机构和引导机构。在介绍定位机构时,重点介绍了定位机构的常用定位元件大小及使用原则。具体设计请查看导轨座夹具设计工程图,里面很多参数化设计与设计依据与上面介绍的大体相同。随着产品设计师技术水平的提高,随着夹具加工工艺的改进,夹具加工设备更新换代,夹具结构只能越来越人性化,越来越高精专化。夹具人才的含金量也会越来越高。
关键词:导轨座、工艺规程、夹具、铣顶面
目 录
摘要 I
ABSTRACT III
1 绪论 1
1.1 机械加工工艺规程的概述 1
1.2 研究的目的与意义 1
1.3 机械加工工艺规程制定的原则 2
1.4 机械加工工艺规程应满足的使用要求 2
1.5 机床夹具的概述、组成及功能 3
1.5.1 机床夹具的概述 3
1.5.2 机床夹具的组成 3
1.5.3 机床夹具的功能 4
1.6 机床夹具的发展现状 5
1.7 主要研究目标及方法 6
1.7.1 研究目标 6
1.7.2 研究方法 6
2 加工工艺设计 7
2.1 零件的作用 7
2.2 零件的结构工艺分析 7
2.3 确定毛坯的制造形式 9
2.4 基面的选择 9
2.5 划分加工阶段 10
2.6 工序的集中与分散 11
2.8 制定工艺路线 12
3 工序设计 14
3.1 确定各工序的加工余量、计算工序尺寸及公差 14
3.2 确定切削用量及基本工时 16
4 铣床夹具设计 35
4.1 问题提出 35
4.2 定位基准的选择 35
4.3 定位元件的设计 35
4.4 定位误差分析 35
4.5 切削力的计算与夹紧力分析 36
4.6 夹具设计及操作简要说明 36
5 结论 38
致 谢 39
参考文献 40
温馨提示:
1、题目前面的备注【字母数字编号】为本站整理分类的编号,与课题内容无关,请选题时忽视;
2、若题目上备注三维,则表示文件里包含三维源文件,由于三维组成零件数量较多,为保证预览截图的简洁性,本站将三维文件夹进行了打包。三维及CAD预览截图,均为本站电脑打开软件进行截图的,保证能够打开,下载原件超高清,下载后解压即可;
3、本站所有资源如无特殊说明,都需要本地电脑安装Office2007。图纸软件为AutoCAD,PROE,UG,SolidWorks,CATIA等;
4、本站所有图文资料仅供用户学习参考,不作为任何商用或其他用途;
5、本站不保证下载资源的准确性、安全性和完整性, 不包修改,不支持退换,同时也不承担用户因使用这些下载资源对自己和他人造成任何形式的伤害或损失;
6、 下载文件中如有侵权或不适当内容,请与我们联系,我们立即纠正。