

作品包括:
Word版说明书1份,共24页,约8600字
CAD版本图纸,共3张
工序卡一张
目录
目录1
第一章 绪 论1
第二章 分析挡盖的零件图2
2.1挡盖工艺性的分析2
2.1.1挡盖结构功用分析2
2.1.2零件结构工艺性分析2
2.1.3主要技术的条件3
2.2 确定毛坯的结构3
第三章 挡盖的加工工艺设计3
3.1 选取加工基面3
3.2 零件各加工部位加工方法的选择4
3.3 加工顺序的安排5
3.4 制定工艺路线5
3.5机械加工余量、工序尺寸及公差的确定6
3.5.1毛坯的种类分析6
3.5.2毛坯的加工余量7
3.6设备及其工艺装备确定8
3.7确定切削用量及基本工时8
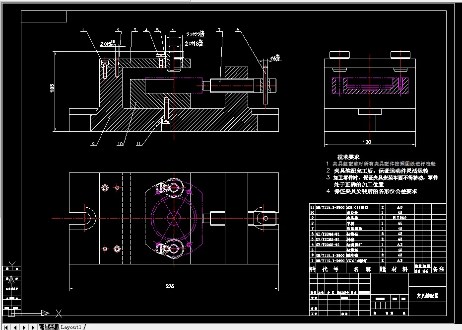
第四章 夹具设计16
4.1夹具设计要求16
4.1 .1 设计夹具的基本要求16
4.1.2. 对夹具体的要求16
4.2钻2-φ11mm孔夹具设计16
4.2.1引出问题17
4.2.2原始质料的研究17
4.2.3选择使用定位的基准17
4.2.4研究计算切削力与夹紧力17
4.2.5 研究误差和计算19
4.2.6 夹具设计及操作的使用要说明20
第五章 总结21
温馨提示:
1、题目前面的备注【字母数字编号】为本站整理分类的编号,与课题内容无关,请选题时忽视;
2、若题目上备注三维,则表示文件里包含三维源文件,由于三维组成零件数量较多,为保证预览截图的简洁性,本站将三维文件夹进行了打包。三维及CAD预览截图,均为本站电脑打开软件进行截图的,保证能够打开,下载原件超高清,下载后解压即可;
3、本站所有资源如无特殊说明,都需要本地电脑安装Office2007。图纸软件为AutoCAD,PROE,UG,SolidWorks,CATIA等;
4、本站所有图文资料仅供用户学习参考,不作为任何商用或其他用途;
5、本站不保证下载资源的准确性、安全性和完整性, 不包修改,不支持退换,同时也不承担用户因使用这些下载资源对自己和他人造成任何形式的伤害或损失;
6、 下载文件中如有侵权或不适当内容,请与我们联系,我们立即纠正。