

作品包括:
说明书1份,共41页,约19000字左右
CAD版本本图纸,共3张
[摘要] 在现代工业中,数控机床的优劣直接影响着生产率的高低和产品质量的好坏,它在现代工业中的地位越来越高。本文主要是针对立式数控铣床床身、立柱、导轨及Z向进给系统的设计。床身和立柱是机床最重要的支撑件,它的好坏对数控机床有着决定性作用,设计中床身和立柱采用分离式结构;导轨为燕尾型导轨,主要是对运动部件起导向和支承作用;Z向进给采用半闭环系统进行控制,滚珠丝杠螺母机构进行传动。经过设计,最终使立式数控铣床床身和立柱部分性能得到了极大的改善。
[关键词] 数控铣床 床身 立柱
目 录
1.绪论 1
1.1 数控机床的基本组成及加工原理 1
1.1.1 数控机床的产生 1
1.1.2 计算机数控的概念与发展 1
1.1.3 数控机床的基本结构及工作原理 2
1.2数控技术的发展趋势 3
1.2.1数字控制和数控机床的发展 3
1.2.2数控机床的发展趋势 4
2.总体设计 6
2.1立式数控铣床设计的基本要求和设计方法 6
2.1.1 基本要求 6
2.1.2设计方法 6
2.2机床设计步骤 6
2.3总体方案设计 7
2.3.1几何运动设计 8
2.3.2机床总体结构方案设计 8
2.4机床主要参数设计 9
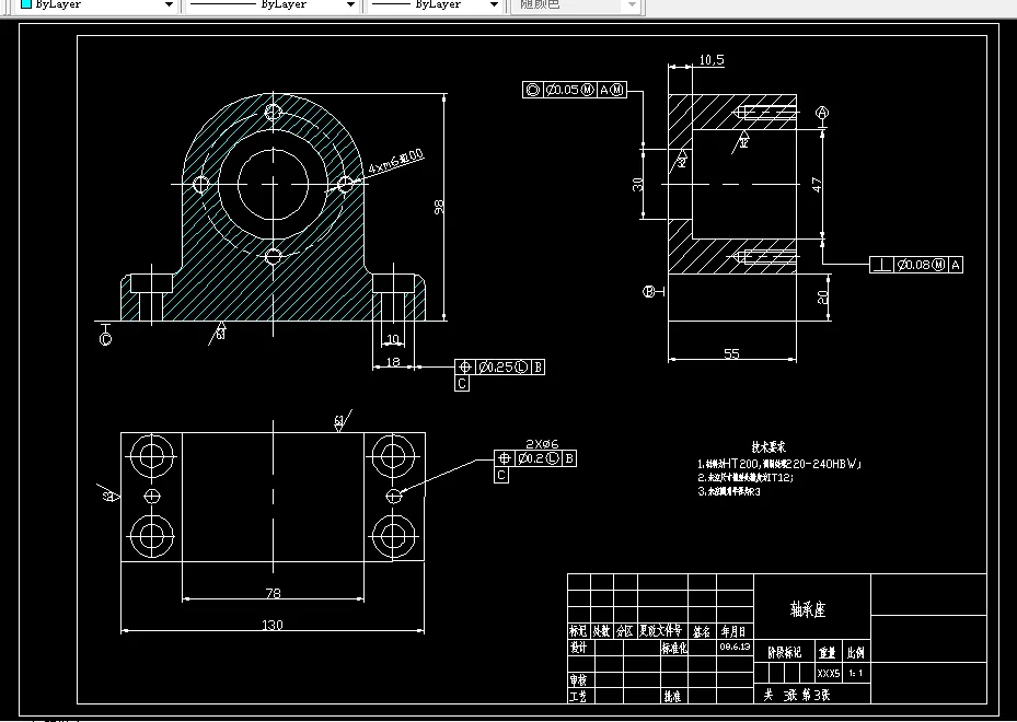
3.床身、立柱及Z方向系统的设计 11
3.1切削力计算 11
3.2床身设计 11
3.2.1床身材料的选择 12
3.2.2.对床身结构的基本要求 12
3.2.3.床身的结构 12
3.2.4床身的截面形状 12
3.2.5床身的刚度 13
3.2.6箱体封沙结构 14
3.3导轨的设计 14
3.3.1导轨材料选择 15
3.3.2导轨的类型 15
3.3.3导轨间隙的调整. 15
3.3.4导轨的计算 16
3.3.5.导轨的润滑与防护 18
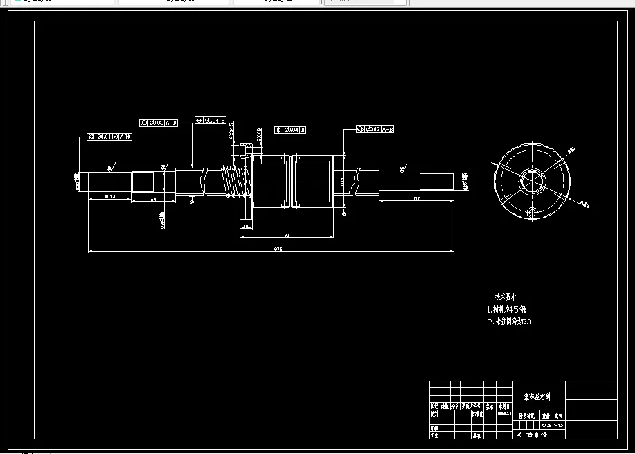
3.4.滚珠丝杠副的计算及选用 19
3.4.1.滚珠丝杠的介绍 19
3.4.2滚珠丝杠螺母副的选择计算 20
3.5 伺服电机的选择及计算 23
3.6确定滚珠丝杠副型号 25
3.7联轴器的选择 29
3.7.1.联轴器的介绍 29
3.7.2联轴器的选用 30
4.检测元件与数控系统 32
4.1位置检测装置的要求与分类 32
4.2位置检测装置的选择 33
4.3数控系统的选择 34
致谢 36
参考文献 37
温馨提示:
1、题目前面的备注【字母数字编号】为本站整理分类的编号,与课题内容无关,请选题时忽视;
2、若题目上备注三维,则表示文件里包含三维源文件,由于三维组成零件数量较多,为保证预览截图的简洁性,本站将三维文件夹进行了打包。三维及CAD预览截图,均为本站电脑打开软件进行截图的,保证能够打开,下载原件超高清,下载后解压即可;
3、本站所有资源如无特殊说明,都需要本地电脑安装Office2007。图纸软件为AutoCAD,PROE,UG,SolidWorks,CATIA等;
4、本站所有图文资料仅供用户学习参考,不作为任何商用或其他用途;
5、本站不保证下载资源的准确性、安全性和完整性, 不包修改,不支持退换,同时也不承担用户因使用这些下载资源对自己和他人造成任何形式的伤害或损失;
6、 下载文件中如有侵权或不适当内容,请与我们联系,我们立即纠正。