

作品包括:
说明书1份,共40页,约17000字左右
CAD版本本图纸,共13张
摘 要
机械制造业是一个国家经济发展的重要支柱。而制造业的生产能力主要取决于制造装备——机床的先进程度。组合机床兼有低成本和高效率的优点,在大批、大量生产中得到广泛应用,并可用以组成自动生产线。
本文对ZH1105WA柴油机曲轴螺纹孔的加工工艺进行了详细的分析,就其孔的加工提出了“一次装夹,单工位加工,达到产品图样的精度要求”的思路。根据这一思路设计了四轴头单工位攻丝组合机床。
该组合机床由立柱、立柱底座、中间底座、液压滑台、动力箱、多轴箱等组成。本文对各部分的设计进行了详细的计算和论证。
关键词:组合机床,ZH1105WA柴油机曲轴,主轴箱,夹具
目 录
第1章 绪论 1
1.1 机床在国民经济的地位及其发展简史 1
1.2 组合机床的国内、外现状 3
1.2.1 国内组合机床现状 3
1.2.2 国外组合机床现状 7
1.3 机床设计的目的、要求 7
1.3.1 设计的目的 7
1.3.2 设计要求 7
1.4 本课题的要求和预期目标 7
第2章 总体方案设计 9
2.1 工艺方案 9
2.2 配置形式 9
2.2.1 确定组合机床的配置形式和结构方案 9
2.3 “三图一卡”的编制 10
2.3.1.被加工零件图 10
2.3.2 加工示意图 11
2.3.3 绘制加工示意图的有关计算 12
2.3.5 机床联系尺寸图 16
2.3.6 生产率卡 21
第3章 主轴箱设计 24
3.1 绘制主轴箱设计原始依据图 24
3.2主轴结构形式的选择及动力计算 27
3.2.1初步确定齿轮模数 27
3.2.2主轴箱的动力计算 28
3.3传动系统的设计与计算 29
3.3.1传动系统设计 29
3.3.2 验算各主轴转速 29
3.4主轴箱的坐标计算 30
3.4.1 计算各传动轴的坐标 31
3.4.2绘制坐标检查图 32
3.5 主轴箱总图设计 32
3.5.1 主视图和侧视图 32
3.5.2 展开图 33
3.5.3主轴和传动轴装配表 34
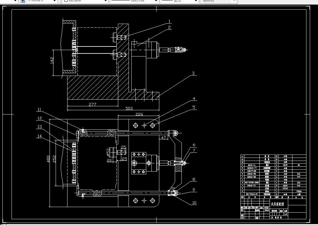
第4章 夹具设计 36
4.1 机床夹具的概述 36
4.1.1 机床夹具的组成 36
4.1.2 机床夹具的类型 37
4.2 工件的定位和夹具的定位设计 37
4.3 夹紧方案的设计 37
结论 38
参考文献 39
致谢 40
温馨提示:
1、题目前面的备注【字母数字编号】为本站整理分类的编号,与课题内容无关,请选题时忽视;
2、若题目上备注三维,则表示文件里包含三维源文件,由于三维组成零件数量较多,为保证预览截图的简洁性,本站将三维文件夹进行了打包。三维及CAD预览截图,均为本站电脑打开软件进行截图的,保证能够打开,下载原件超高清,下载后解压即可;
3、本站所有资源如无特殊说明,都需要本地电脑安装Office2007。图纸软件为AutoCAD,PROE,UG,SolidWorks,CATIA等;
4、本站所有图文资料仅供用户学习参考,不作为任何商用或其他用途;
5、本站不保证下载资源的准确性、安全性和完整性, 不包修改,不支持退换,同时也不承担用户因使用这些下载资源对自己和他人造成任何形式的伤害或损失;
6、 下载文件中如有侵权或不适当内容,请与我们联系,我们立即纠正。