

作品包括:
说明书一份,共60页,约16000字
CAD版本图纸,共4张
摘 要
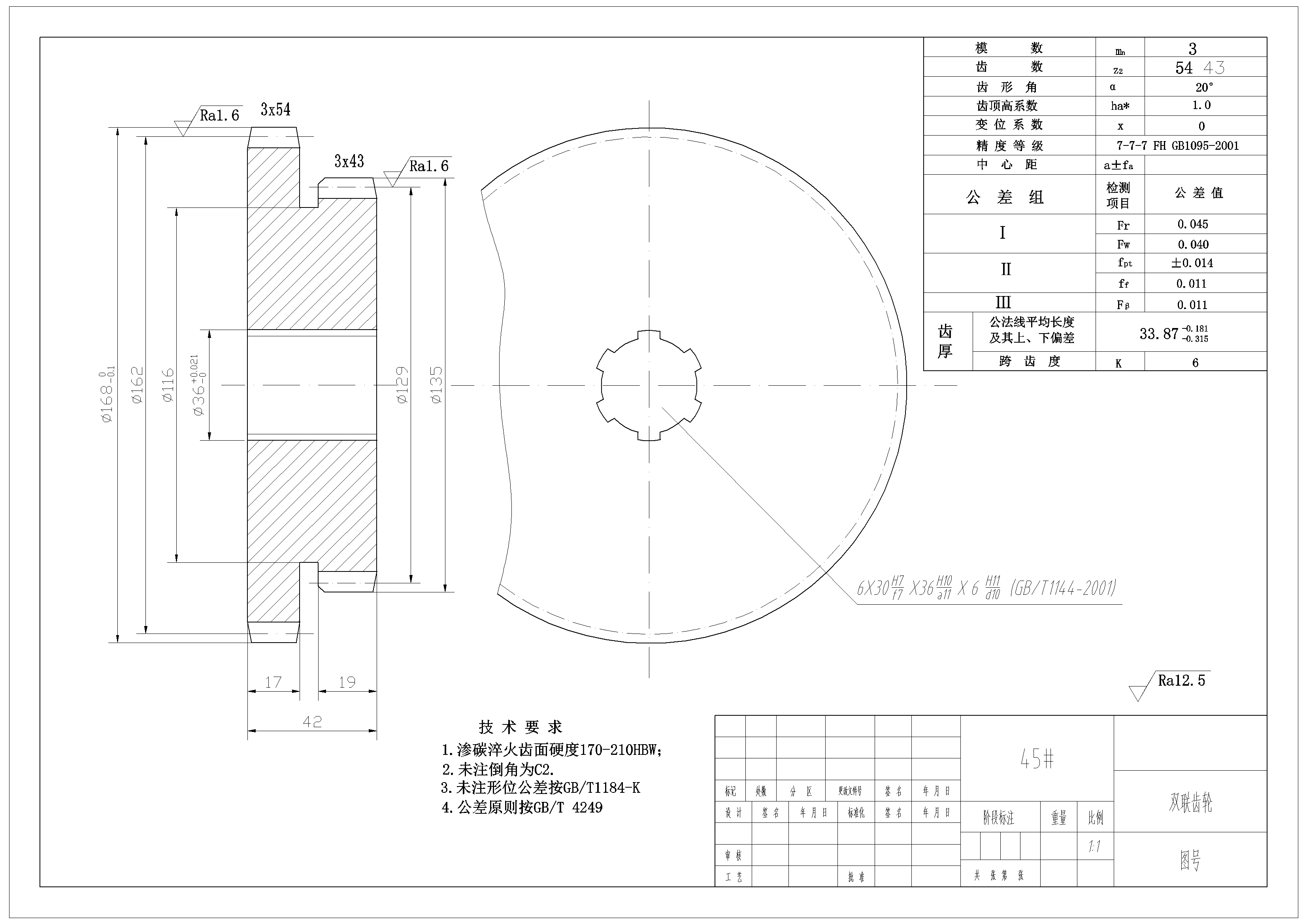
设计普通车床的主轴箱部件设计时首先利用传动系统设计方法求出理想解和多个合理解。根据机床主传动系统及主轴功率与转矩特性要求,分析了机电关联分级调速主传动系统的设计原理和方法。从主传动系统结构网入手,确定最佳机床主轴功率与转矩特性匹配方案,计算和校核相关运动参数和动力参数。本说明书着重研究机床主传动系统的设计步骤和设计方法,根据已确定的运动参数以变速箱展开图的总中心距最小为目标,拟定变速系统的变速方案,以获得最优方案以及较高的设计效率。在机床主传动系统中,为减少齿轮数目,简化结构,缩短轴向尺寸,用齿轮齿数的设计方法是试算,凑算法,计算麻烦且不易找出合理的设计方案。本文通过对主传动系统中三联滑移齿轮传动特点的分析与研究,绘制零件工作图与主轴箱展开图及剖视图。
关键词 Ф400 mm的普通车床,传动副,结构网,结构式,齿轮模数,传动比
目 录
第1章 绪论 1
1.1 课程设计的目的 1
1.2 课程设计的内容 1
1.2.1 理论分析与设计计算 1
1.2.2 图样技术设计 1
1.2.3编制技术文件 1
1.3 课程设计题目、主要技术参数和技术要求 1
第2章 运动设计 2
2.1 车床主参数和基本参数 2
2.2 拟定参数的步骤和方法 2
2.2.1 极限切削速度Vmax、Vmin 2
2.2.2主轴的极限转速 2
2.2.3 主电机功率——动力参数的确定 3
2.2.4确定结构式 3
2.2.5确定结构网 3
2.2.6绘制转速图和传动系统图 3
2.3 确定各变速组此论传动副齿数 5
2.4 核算主轴转速误差 6
第3章 动力设计 7
3.1 带传动设计 7
3.1.1计算设计功率Pd 7
3.1.2选择带型 7
3.1.3确定带轮的基准直径并验证带速 8
3.1.4确定中心距离、带的基准长度并验算小轮包角 8
3.1.5确定带的根数z 9
3.1.6确定带轮的结构和尺寸 9
3.1.7确定带的张紧装置 9
3.1.8计算压轴力 9
3.2 计算转速的确定 12
3.3 齿轮模数计算及验算 12
3.4 齿轮的排布设计 16
3.5 传动轴的设计与校核 18
3.6 传动轴的直径估算 19
3.7 轴的校核 20
3.7.1 I轴的设计及强度校核 20
3.7.2 Ⅱ轴的设计及强度校核 22
3.7.3 Ⅲ轴的设计及强度校核 24
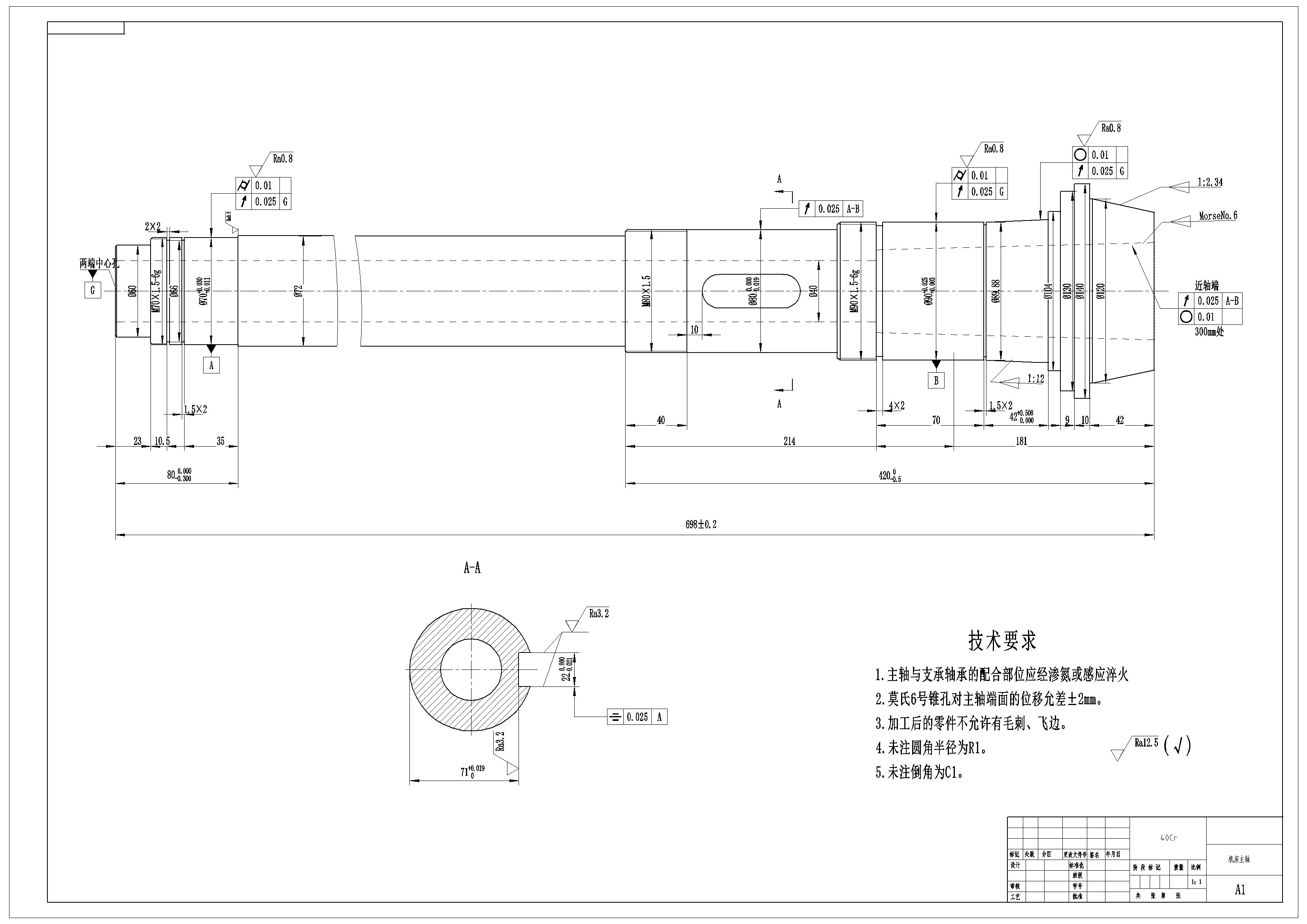
3.8 主轴的设计 26
3.9 主轴抗震性的验算 28
3.10 齿轮校验 30
3.11 主轴设计计算及校核 31
3.12 主轴的校核 32
第4章 摩擦离合器的选择和计算 35
第5章 轴承的校核 38
5.1 Ⅰ轴上轴承的校核 38
5.2 Ⅱ轴上轴承的校核 38
5.3 Ⅲ轴上轴承的校核 39
5.4 主轴上轴承的校核 39
5.5 键的选用及其强度校核 40
5.6 主轴上键的选用及其强度校核 41
5.7 键的选用及校核 41
第6章 轴承端盖设计 43
第7章 箱体的结构设计 44
7.1 箱体材料 44
7.2 箱体结构 44
第8章 结构设计及说明 46
8.1 结构设计的内容、技术要求和方案 46
8.2 展开图及其布置 46
8.3 I轴(输入轴)的设计 46
8.4 齿轮块设计 47
8.5 传动轴的设计 48
8.6 主轴组件设计 49
8.6.1 各部分尺寸的选择 49
8.6.2 主轴轴承 50
8.6.3 主轴与齿轮的连接 51
8.6.4 润滑与密封 52
8.6.5 其他问题 52
结束语 53
参考文献 54
致 谢 55
温馨提示:
1、题目前面的备注【字母数字编号】为本站整理分类的编号,与课题内容无关,请选题时忽视;
2、若题目上备注三维,则表示文件里包含三维源文件,由于三维组成零件数量较多,为保证预览截图的简洁性,本站将三维文件夹进行了打包。三维及CAD预览截图,均为本站电脑打开软件进行截图的,保证能够打开,下载原件超高清,下载后解压即可;
3、本站所有资源如无特殊说明,都需要本地电脑安装Office2007。图纸软件为AutoCAD,PROE,UG,SolidWorks,CATIA等;
4、本站所有图文资料仅供用户学习参考,不作为任何商用或其他用途;
5、本站不保证下载资源的准确性、安全性和完整性, 不包修改,不支持退换,同时也不承担用户因使用这些下载资源对自己和他人造成任何形式的伤害或损失;
6、 下载文件中如有侵权或不适当内容,请与我们联系,我们立即纠正。