

作品包括:
Word版设计说明书1份
任务书一份
中期报告一份
CAD版本图纸,共4张
摘要
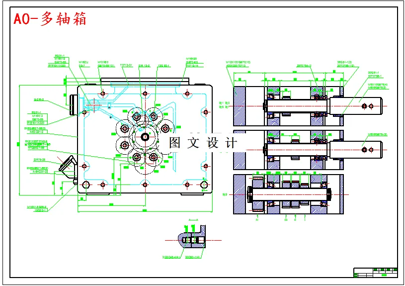
本次设计是针对阻尼缸左端盖加工机床的设计,目的是在保证加工精度的前提下,将组合机床的工序集中,生产效率提高。设计的主要内容包括组合机床的总体设计以及多轴箱的设计。组合机床的总体设计主要包括“三图一卡”,即被加工零件工序图、加工机床示意图、机床联系尺寸图与机床生产效率卡,“三图一卡“可以确定组合机床的大致尺寸与加工参数,为多轴箱设计提供准确的数据。多轴箱的设计关键是传动系统方案的设计与确定,设计好传动系统方案后,可根据传动系统方案图确定机床手柄轴和油泵轴的位置安排,之后进行坐标计算,绘制多轴箱尺寸检查图,校核关键部位零件,当尺寸检查与零件校核均无误后,最后绘制出多轴箱装配总图,填写设计说明书。
温馨提示:
1、题目前面的备注【字母数字编号】为本站整理分类的编号,与课题内容无关,请选题时忽视;
2、若题目上备注三维,则表示文件里包含三维源文件,由于三维组成零件数量较多,为保证预览截图的简洁性,本站将三维文件夹进行了打包。三维及CAD预览截图,均为本站电脑打开软件进行截图的,保证能够打开,下载原件超高清,下载后解压即可;
3、本站所有资源如无特殊说明,都需要本地电脑安装Office2007。图纸软件为AutoCAD,PROE,UG,SolidWorks,CATIA等;
4、本站所有图文资料仅供用户学习参考,不作为任何商用或其他用途;
5、本站不保证下载资源的准确性、安全性和完整性, 不包修改,不支持退换,同时也不承担用户因使用这些下载资源对自己和他人造成任何形式的伤害或损失;
6、 下载文件中如有侵权或不适当内容,请与我们联系,我们立即纠正。