

作品包括:
Word版设计说明书1份
CAD版本图纸,共6张
摘要
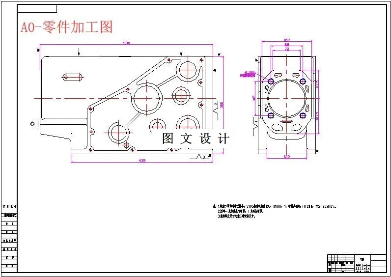
本次设计的攻螺纹组合机床可以完成特定零件—S195箱体上4个螺纹孔的加工。本文通过对定位方式的选择和对工件工艺性的分析,以及对零件工序图、加工示意图、机床联系尺寸图和生产率计算卡这“三图一卡”的分析,提出对组合机床的总体设计方案。 我设计的组合机床,它由液压滑台、中间底座、侧底座、动力箱、夹具、多轴箱等通用部件组成。 动力箱和动力滑台是组合机床完成切削主运动和进给运动的动力部件。 床身、中间底座等是组合机床的支承部件,起着机床的基础骨架作用。组合机床的刚度和部件之间的精度保持性,主要是由这些部件保证.。 设计的过程涉及了大量的数学计算,保证了机床设计的合理性以及机床的精度和质量。
温馨提示:
1、题目前面的备注【字母数字编号】为本站整理分类的编号,与课题内容无关,请选题时忽视;
2、若题目上备注三维,则表示文件里包含三维源文件,由于三维组成零件数量较多,为保证预览截图的简洁性,本站将三维文件夹进行了打包。三维及CAD预览截图,均为本站电脑打开软件进行截图的,保证能够打开,下载原件超高清,下载后解压即可;
3、本站所有资源如无特殊说明,都需要本地电脑安装Office2007。图纸软件为AutoCAD,PROE,UG,SolidWorks,CATIA等;
4、本站所有图文资料仅供用户学习参考,不作为任何商用或其他用途;
5、本站不保证下载资源的准确性、安全性和完整性, 不包修改,不支持退换,同时也不承担用户因使用这些下载资源对自己和他人造成任何形式的伤害或损失;
6、 下载文件中如有侵权或不适当内容,请与我们联系,我们立即纠正。