

作品包括:
Word版设计说明书1份
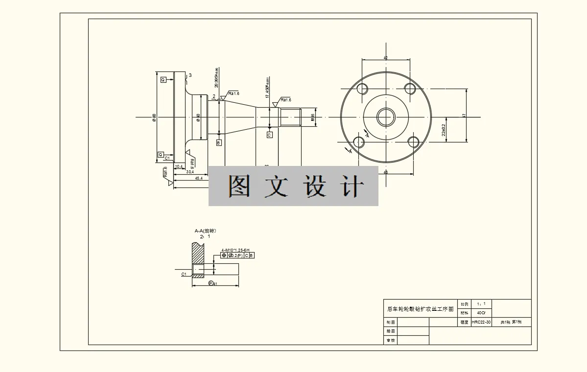
CAD版本图纸,共6张
UG三维零件图1张
摘要
本文主要研究关于汽车后轮毂加工的组合机床设计,由于后轮毂加工有四个螺纹孔,需要钻-扩-攻丝,多工位一体,所以要设计成立式四工位回转台组合机床,此机床的特点就是加工精度较高,制造成本较低,并且也能保证较好的生产效率。而且机床自身结构较为简单,易于工人的操作。本文的主要内容也是主要研究方法为绘制三图一卡,但前期的准备工作也是必不可少的,包括要进行零件的材料选择,对于切削用量的计算,以及机床内部通用部件的选择。在本设计的最后阶段,为了能让读者更好的了解机床的部件,绘制出了钻模板零件图的三维模型图,使得部件形状更为鲜明
温馨提示:
1、题目前面的备注【字母数字编号】为本站整理分类的编号,与课题内容无关,请选题时忽视;
2、若题目上备注三维,则表示文件里包含三维源文件,由于三维组成零件数量较多,为保证预览截图的简洁性,本站将三维文件夹进行了打包。三维及CAD预览截图,均为本站电脑打开软件进行截图的,保证能够打开,下载原件超高清,下载后解压即可;
3、本站所有资源如无特殊说明,都需要本地电脑安装Office2007。图纸软件为AutoCAD,PROE,UG,SolidWorks,CATIA等;
4、本站所有图文资料仅供用户学习参考,不作为任何商用或其他用途;
5、本站不保证下载资源的准确性、安全性和完整性, 不包修改,不支持退换,同时也不承担用户因使用这些下载资源对自己和他人造成任何形式的伤害或损失;
6、 下载文件中如有侵权或不适当内容,请与我们联系,我们立即纠正。