

作品包括:
Word版设计说明书1份
CAD版本图纸,共10张
摘要
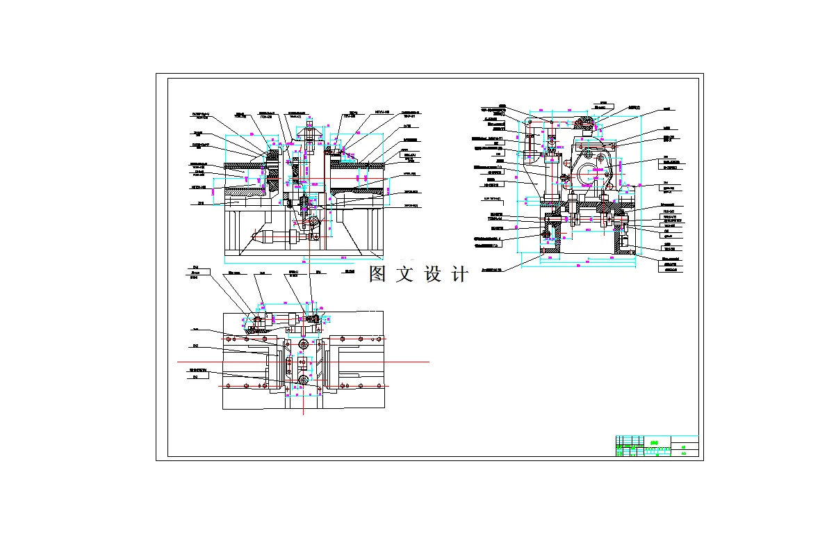
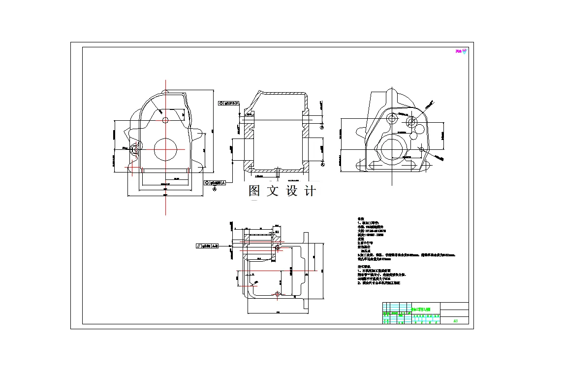
在组合机床上所用的部件都是可以通用的,因为用于该设备的部件都是一系列的标准的,除了这些基础部件以外还有小部分的专用部件,这些专业部件是用来配合特殊形状的工件和不同的工艺要求,前者的特点是缩短设备的设计与制造时间,所以组合机床不需要大量的人为劳动力。通过机械部件的相互配合产生的工件误差小。 本课题是设计 NJ130 变速箱体精镗组合机床的夹具,通过对加工零件及参考文献的分析,阐述了镗床夹具设计的工艺要求。展示了工件的定位夹紧方案,夹紧力的计算及其定位精度的计算。本夹具设计的装配图采用CAD制图。
温馨提示:
1、题目前面的备注【字母数字编号】为本站整理分类的编号,与课题内容无关,请选题时忽视;
2、若题目上备注三维,则表示文件里包含三维源文件,由于三维组成零件数量较多,为保证预览截图的简洁性,本站将三维文件夹进行了打包。三维及CAD预览截图,均为本站电脑打开软件进行截图的,保证能够打开,下载原件超高清,下载后解压即可;
3、本站所有资源如无特殊说明,都需要本地电脑安装Office2007。图纸软件为AutoCAD,PROE,UG,SolidWorks,CATIA等;
4、本站所有图文资料仅供用户学习参考,不作为任何商用或其他用途;
5、本站不保证下载资源的准确性、安全性和完整性, 不包修改,不支持退换,同时也不承担用户因使用这些下载资源对自己和他人造成任何形式的伤害或损失;
6、 下载文件中如有侵权或不适当内容,请与我们联系,我们立即纠正。