

作品包括:
Word设计说明书1份
CAD版本图纸,共4张

摘要
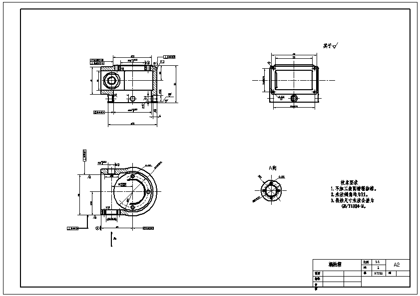
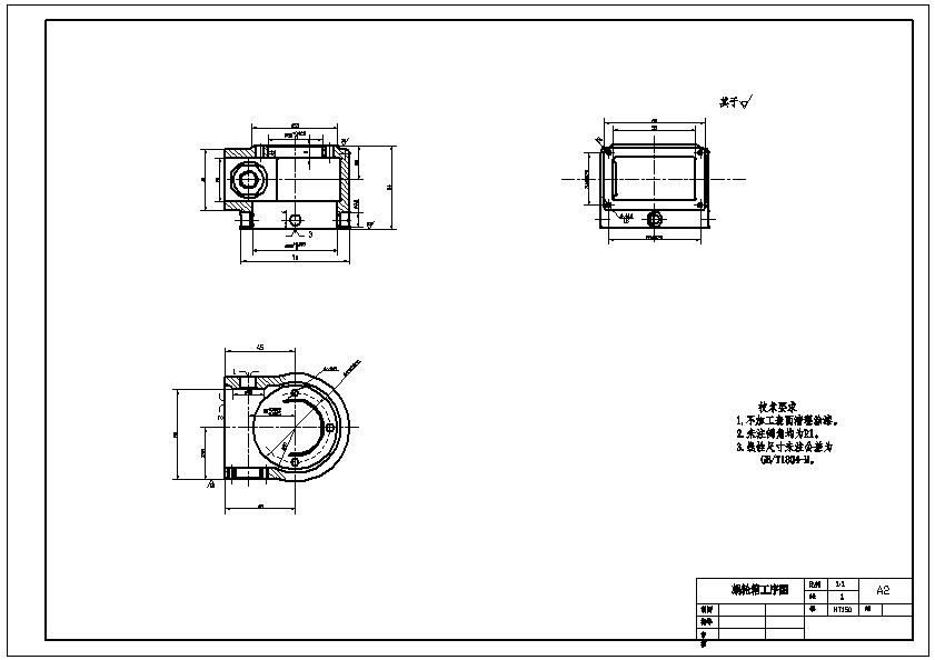
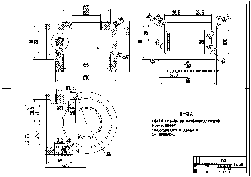
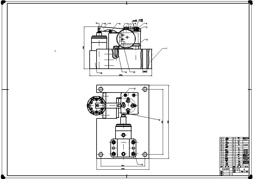
涡轮箱顶面4×M6孔钻孔专用机床夹具设计工艺方案制定的正确与否,将决定机床能否达到体积小,重量轻,结构简单。为了使工艺方案制定得合理,先进,必须认真分析被加工零件图纸开始,深入现场全面了解被加工零件的结构特点,加工部位,尺寸精度,表面粗糙度和技术要求,定位、夹紧要求,工艺方法和加工过程所采用的刀具、辅具,切削用量及生产率要求等,分析优缺点。
温馨提示:
1、题目前面的备注【字母数字编号】为本站整理分类的编号,与课题内容无关,请选题时忽视;
2、若题目上备注三维,则表示文件里包含三维源文件,由于三维组成零件数量较多,为保证预览截图的简洁性,本站将三维文件夹进行了打包。三维及CAD预览截图,均为本站电脑打开软件进行截图的,保证能够打开,下载原件超高清,下载后解压即可;
3、本站所有资源如无特殊说明,都需要本地电脑安装Office2007。图纸软件为AutoCAD,PROE,UG,SolidWorks,CATIA等;
4、本站所有图文资料仅供用户学习参考,不作为任何商用或其他用途;
5、本站不保证下载资源的准确性、安全性和完整性, 不包修改,不支持退换,同时也不承担用户因使用这些下载资源对自己和他人造成任何形式的伤害或损失;
6、 下载文件中如有侵权或不适当内容,请与我们联系,我们立即纠正。