

作品包括:
Word设计说明书1份,共64页,约23000字
CAD版本图纸,共3张
摘要
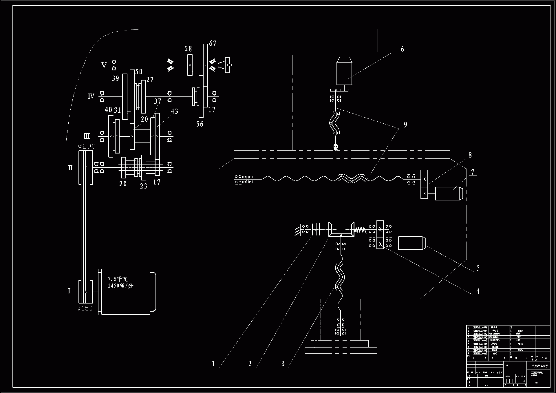
XK6125数控铣床总体及横向进给传动机构设计 本说明书是对XK6125数控铣床总体及横向进给传动机构设计,其内容包括:进给伺服系统机械部分设计与计算、步进电动机的计算与选型、铣床改造的结构特点、安装调整中应注意的问题等。对普通铣床进行数控改造符合我国国情,即适合我国目前的经济水平、教育水平和生产水平,又是国内许多企业提高生产设备自动化水平和精密程度的主要途径,在我国有着广阔的市场。从另一个角度来说,该设计既有机床结构方面内容,又有机加工方面内容,还有数控技术方面的内容,有利于将大学所学的知识进行综合运用。虽然设计者未曾系统的学习过机床设计的课程,但通过该设计拓宽了知识面,增强了实践能力,对普通机床和数控机床都有了进一步的了解。
温馨提示:
1、题目前面的备注【字母数字编号】为本站整理分类的编号,与课题内容无关,请选题时忽视;
2、若题目上备注三维,则表示文件里包含三维源文件,由于三维组成零件数量较多,为保证预览截图的简洁性,本站将三维文件夹进行了打包。三维及CAD预览截图,均为本站电脑打开软件进行截图的,保证能够打开,下载原件超高清,下载后解压即可;
3、本站所有资源如无特殊说明,都需要本地电脑安装Office2007。图纸软件为AutoCAD,PROE,UG,SolidWorks,CATIA等;
4、本站所有图文资料仅供用户学习参考,不作为任何商用或其他用途;
5、本站不保证下载资源的准确性、安全性和完整性, 不包修改,不支持退换,同时也不承担用户因使用这些下载资源对自己和他人造成任何形式的伤害或损失;
6、 下载文件中如有侵权或不适当内容,请与我们联系,我们立即纠正。