

作品包括:
Word设计说明书1份,共47页,约21000字
CAD版本图纸,共16张
Proe三维图一套
摘要
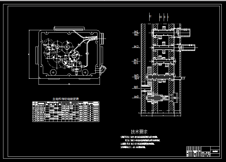
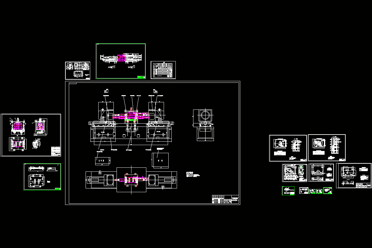
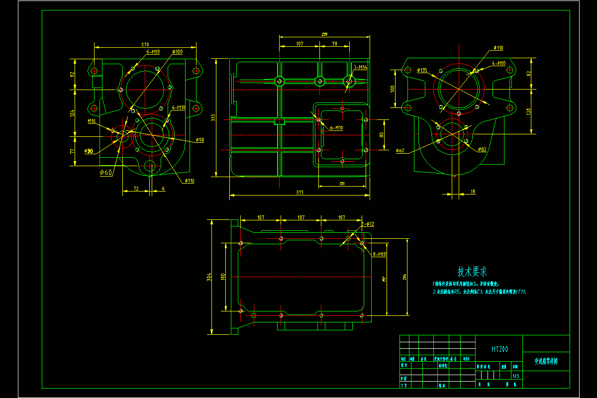
本说明书主要说明组合机床设计的基本过程及要求。组合机床是按高度集中原则设计的,即在一台机床上可以同时完成同一种工序或多种不同工序的加工。组合机床发展于工业生产末期,与传统的机床相比:组合机床具有许多优点:效率高、精度高、成本低。它由床身、立柱、工作台、及电源一些基本部件及一些特殊部件,根据不同的工件加工所需而设计的。 在组合机床上可以完成很多工序,但就目前使用的大多数组合机床来说,则主要用于平面加工和孔加工两大类工序。说明书主要内容包括四大部分: (1)、制定工艺方案 通过了解被加工零件的加工特点、精度和技术要求、定位夹紧情况、生产效率及机床的结构特点等,确定在组合机床上完成的工艺内容及加工方法,并绘制被加工零件工序图。 (2)、组合机床的总体设计 确定机床各部件之间的相互关系,选择通用部件和刀具的导向,计算切削用量及机床生产效率、绘制机床的尺寸联系图及加工示意图。 (3)、组合机床部件设计 包括专用多轴箱的设计,传动布局合理,轴与齿轮之间不发生干涉,保证传动的平稳性和精确性。专用主轴设计、轴承的选用及电机的选择等。
温馨提示:
1、题目前面的备注【字母数字编号】为本站整理分类的编号,与课题内容无关,请选题时忽视;
2、若题目上备注三维,则表示文件里包含三维源文件,由于三维组成零件数量较多,为保证预览截图的简洁性,本站将三维文件夹进行了打包。三维及CAD预览截图,均为本站电脑打开软件进行截图的,保证能够打开,下载原件超高清,下载后解压即可;
3、本站所有资源如无特殊说明,都需要本地电脑安装Office2007。图纸软件为AutoCAD,PROE,UG,SolidWorks,CATIA等;
4、本站所有图文资料仅供用户学习参考,不作为任何商用或其他用途;
5、本站不保证下载资源的准确性、安全性和完整性, 不包修改,不支持退换,同时也不承担用户因使用这些下载资源对自己和他人造成任何形式的伤害或损失;
6、 下载文件中如有侵权或不适当内容,请与我们联系,我们立即纠正。