

作品包括:
Word版说明书一份,34页,约19000字
CAD版本图纸,共6张
摘 要
毕业设计是同们对所学的理论与实际的完美结合。我的毕业设计题目是:“汽车变速器上盖钻孔组合机床设计”。组合机床是以通用部件为基础,配以少量专用部件,对一种或若干种工件按预先的工序进行加工的机床。它能对工件进行多刀,多轴,多面,多工位同时加工。因此节省了大量的劳动力减轻了工人的劳动强度。组合机床在现代化实际生产中得到广泛应用。
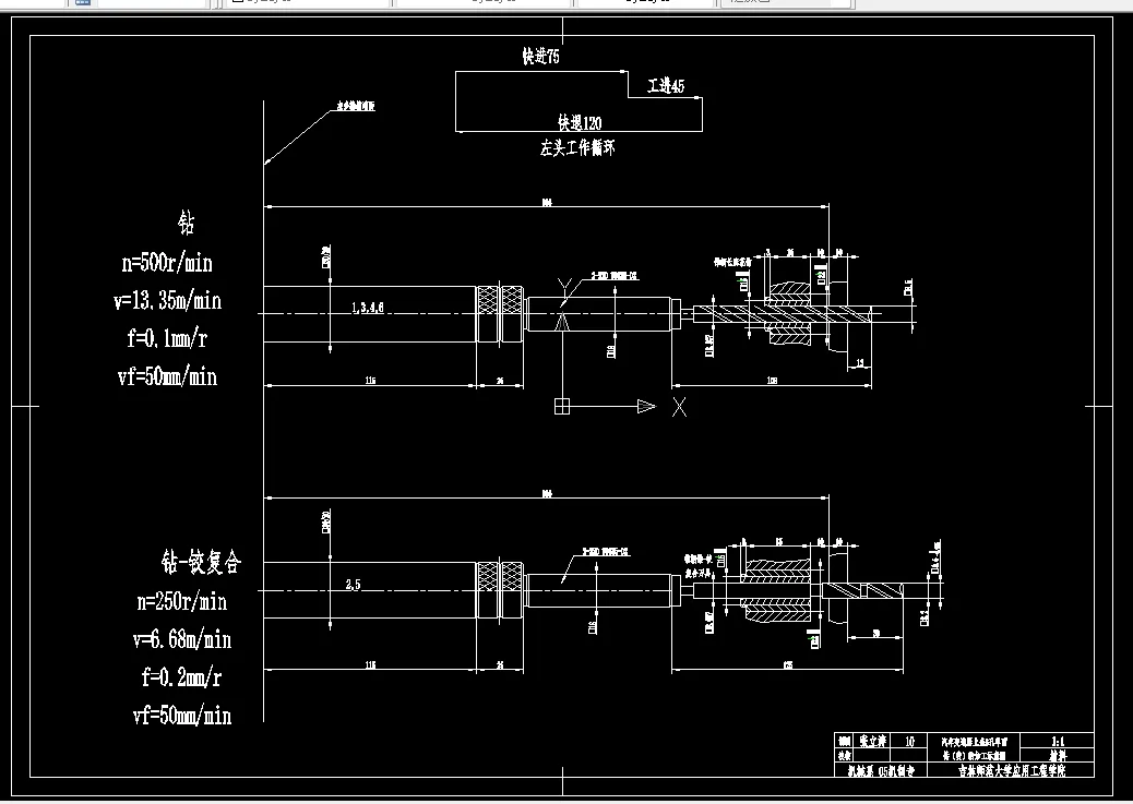
本设计为汽车变速器上盖钻孔专用组合钻床的设计,进行加工2-φ8.5H10和4-φ8.5的孔。设计中采用“一面一孔”的定位方式。在夹具方面,选用机械夹紧。主轴箱内的设计中,采用一根传动轴带动四根主轴的方式,本设计中组合机床所选用的通用部件是按标准化、系列化、通用化原则选用的具有特定功能的基础部件。每种通用部件有合理的规格尺寸系列,有适用的技术参数和完善的配套关系。
关键词:组合机床 钻孔 多轴箱
目 录
一 绪论……………………………………………………1
二 组合机床总设计…………………………………………2
(一)组合机床设计步骤……………………………………2
(二)组合机床方案的制定…………………………………3
(三)确定切削用量及选择刀具……………………………6
三 三图一卡的设计…………………………………………10
(一)被加工零件工序图……………………………………10
(二)加工示意图……………………………………………12
(三)机床尺寸联系图………………………………………15
(四)机床生产率计算卡……………………………………21
四多轴箱的设计…………………………………………… 23
(一)概述……………………………………………………23
(二)多轴箱的设计步骤和内容……………………………24
(三)多轴箱总图设计………………………………………27
致谢…………………………………………………………29
参考文献………………………………………………… 30
温馨提示:
1、题目前面的备注【字母数字编号】为本站整理分类的编号,与课题内容无关,请选题时忽视;
2、若题目上备注三维,则表示文件里包含三维源文件,由于三维组成零件数量较多,为保证预览截图的简洁性,本站将三维文件夹进行了打包。三维及CAD预览截图,均为本站电脑打开软件进行截图的,保证能够打开,下载原件超高清,下载后解压即可;
3、本站所有资源如无特殊说明,都需要本地电脑安装Office2007。图纸软件为AutoCAD,PROE,UG,SolidWorks,CATIA等;
4、本站所有图文资料仅供用户学习参考,不作为任何商用或其他用途;
5、本站不保证下载资源的准确性、安全性和完整性, 不包修改,不支持退换,同时也不承担用户因使用这些下载资源对自己和他人造成任何形式的伤害或损失;
6、 下载文件中如有侵权或不适当内容,请与我们联系,我们立即纠正。