

作品包括:
word版说明书一份,59页,23000字左右.
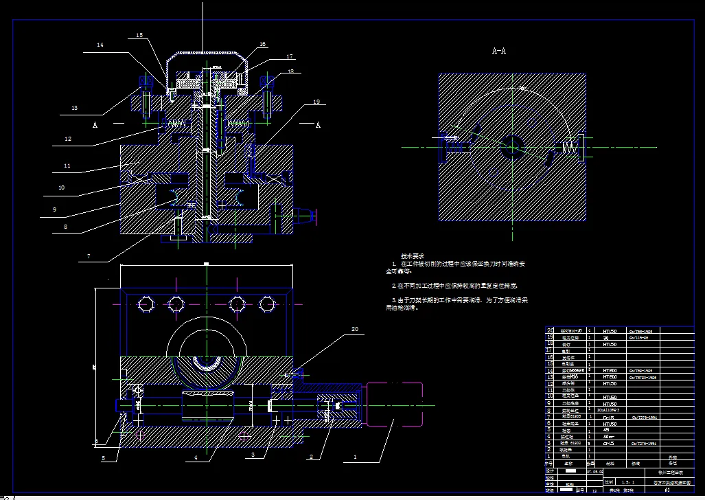
CAD版本图纸,共5张
摘要
普通机床的经济型数控改造主要是在合理选择数控系统的前提下,然后再对普通车床进行适当的机械改造,改造的内容主要包括:
(1) 床身的改造,为使改造后的机床有较好的精度保持性,除尽可能地减少电器和机械故障的同时,应充分考虑机床零部件的耐磨性,尤其是机床导轨。为此,本例中采用旧床身淬火并贴膜。
(2) 拖板的改造,拖板是数控系统直接控制的对象,所以对其改造尤显重要。这中间最突出一点就是选用滚珠丝杠代替滚动丝杠,提高了传动的灵敏性和降低功率步进电机力矩损失。
(3) 变速箱体的改造,由于采用数控系统控制,所以要对输入和输出轴以及减速齿轮进行设计,从而再对箱体进行改造。
(4) 刀架的改造,采用数控刀架,这样可以用数控系统直接控制,而且刀架体积小,重复定位精度高,安全可靠。
通过对机床的改造并根据要求选用步进电机作为驱动元件,这样改造后的机床就能基本满足现代化的加工要求。
关键字:普通车床 数控改造 步进电机 经济型数控系统 数控刀架
目录
1.绪论 1
2.设计要求 3
2.1总体方案设计要求 3
2.2设计参数 4
2.3.其它要求 6
3. 车床改造的结构特点 7
3.1.滚珠丝杆 7
3.2导轨副 7
3.3安装电动卡盘 7
3.4脉冲发生器 7
4.进给伺服系统机械部分设计与计算 8
4.1 机械部分的改造 8
4.2进给系统机械结构改造设计 9
4.3进给伺服系统机械部分的计算与选型 10
4.3.1确定系统的脉冲当量 10
4.3.2纵向滚珠丝杠螺母副的副的型号选择雨校核步骤 10
4.3.3 横向滚珠丝杠螺母副的型号选择与校核步骤 14
4.3.4齿轮有关计算 16
4.3.4(1)纵向齿轮及转矩的有关计算 16
4.3.4 (2)横向齿轮及转矩的有关计算 20
5. 步进电动机的计算与选型 23
5.1步进电动机选用的基本原则 23
5.2步进电动机的选折 24
6.主轴交流伺服电机 24
6.1机床主运动电机的确定 26
6.2主轴的变速变速范围 26
6.3初选主轴电机的型号 27
6.4主轴电机的校核 27
7. 微机控制系统硬件电路设计 28
7.1控制系统的功能要求 28
7.2硬件电路的组成 28
7.3设计说明 31
8.安装调整中应注意的问题 31
8.1滚珠丝杠副的特点 31
8.2滚珠丝杠螺母副的选择 32
8.3滚珠丝杠螺母副的调整 32
8.4联轴器的安装 32
8.5主轴脉冲发生器的安装 32
结论 35
参考文献 36
温馨提示:
1、题目前面的备注【字母数字编号】为本站整理分类的编号,与课题内容无关,请选题时忽视;
2、若题目上备注三维,则表示文件里包含三维源文件,由于三维组成零件数量较多,为保证预览截图的简洁性,本站将三维文件夹进行了打包。三维及CAD预览截图,均为本站电脑打开软件进行截图的,保证能够打开,下载原件超高清,下载后解压即可;
3、本站所有资源如无特殊说明,都需要本地电脑安装Office2007。图纸软件为AutoCAD,PROE,UG,SolidWorks,CATIA等;
4、本站所有图文资料仅供用户学习参考,不作为任何商用或其他用途;
5、本站不保证下载资源的准确性、安全性和完整性, 不包修改,不支持退换,同时也不承担用户因使用这些下载资源对自己和他人造成任何形式的伤害或损失;
6、 下载文件中如有侵权或不适当内容,请与我们联系,我们立即纠正。