

作品包括:
说明书1份,共29页,约11000字左右
CAD版本本图纸,共4张
摘 要
由于液压技术优于传统的电力驱动而广泛使用,为液压设备提供液压动力的移动式试验台的重要性也凸显出来,由于其功能强大,可移动性而很受欢迎。设计通过对移动式试验台具体工况的分析,确定试验台总体方案的设计,并且对试验台的液压系统,动力系统,行走机构,机架分别设计。确定每个部分详细的方案,并完成机构的设计,详细计算或 选择零件的尺寸规格,对重要零件进行强度校核。通过对移动式试验台 的详细设计,使其满足了使用者的要求,同时对不同压力和流量的液压设备提供液压动力。
关键字:无管集成;试验台;移动式
目 录
前言 6
1 设计概论 7
2 液压系统的设计 8
2.1 设计要求 8
2.2 分析系统工况,确定主要参数 8
2.3 草拟出系统原理图,确定控制形式 10
2.5.2液压介质的选择 13
2.5.3液压阀类元件的选择 13
2.6 油路板的设计 14
2.6.1控制阀的布置 14
2.6.2孔径的确定 14
2.6.3油路板的安装形式 15
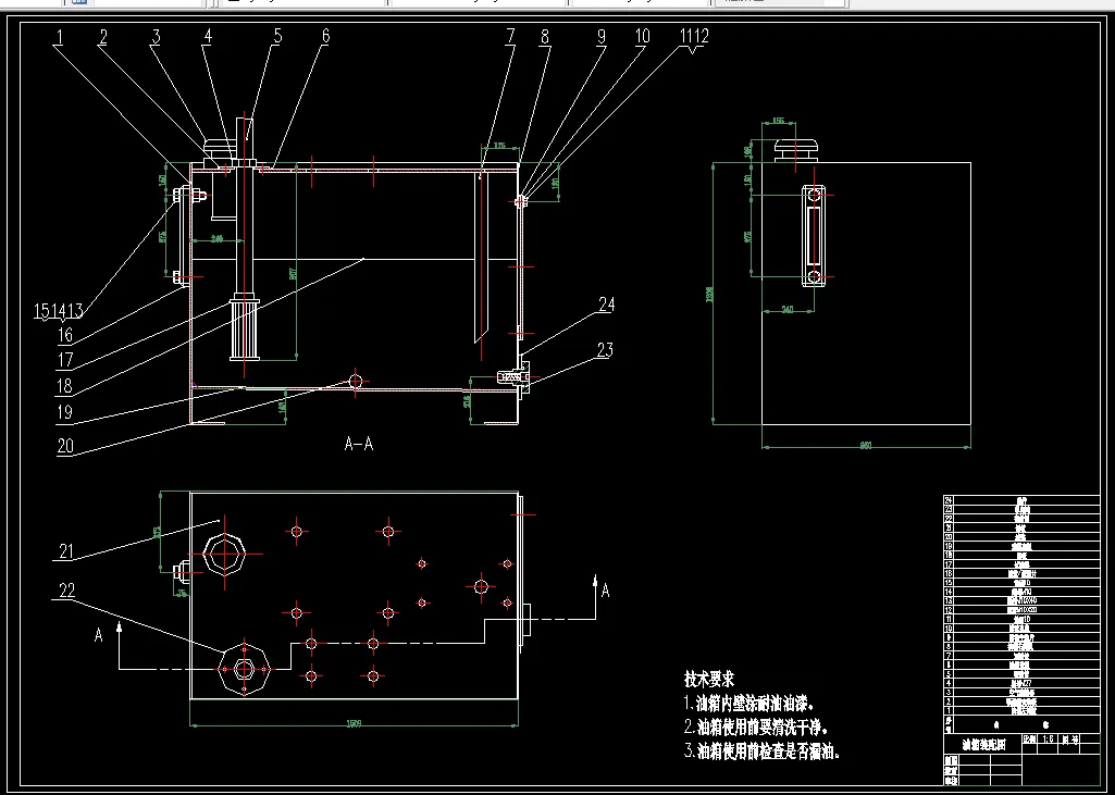
2.7 油箱的设计 15
2.8 其它辅助液压装置的设计选择 20
2.8.1滤油器 20
2.8.2管件和管接头 20
3 动力系统的设计 23
3.1 动力系统的设计 23
3.2 柴油机型号的选择 24
4 机架的设计 25
5 其他辅助机构设计 26
5.1 行走机构 26
5.2 蓄电瓶 26
5.3 固定支撑机构 26
6 装配总成 27
6.1 油箱的安装 27
6.2 液压泵和柴油机的安装和布局 27
6.3 其他辅助装置的布局 28
6.3.1油箱顶面零件的安装 28
6.3.2固定支撑机构的安装 28
结论 30
致 谢 31
参考文献 32
温馨提示:
1、题目前面的备注【字母数字编号】为本站整理分类的编号,与课题内容无关,请选题时忽视;
2、若题目上备注三维,则表示文件里包含三维源文件,由于三维组成零件数量较多,为保证预览截图的简洁性,本站将三维文件夹进行了打包。三维及CAD预览截图,均为本站电脑打开软件进行截图的,保证能够打开,下载原件超高清,下载后解压即可;
3、本站所有资源如无特殊说明,都需要本地电脑安装Office2007。图纸软件为AutoCAD,PROE,UG,SolidWorks,CATIA等;
4、本站所有图文资料仅供用户学习参考,不作为任何商用或其他用途;
5、本站不保证下载资源的准确性、安全性和完整性, 不包修改,不支持退换,同时也不承担用户因使用这些下载资源对自己和他人造成任何形式的伤害或损失;
6、 下载文件中如有侵权或不适当内容,请与我们联系,我们立即纠正。