

作品包括:
说明书1份,共25页,约12000字左右
CAD版本图纸,共24张
中文摘要
在工业上,自动控制系统有着广泛的应用,如工业自动化机床控制,计算机系统,机器人等。而工业机器人是相对较新的电子设备,它正开始改变现代化工业面貌。实际的机器人由带有腕(或称为手臂)的主机身和机身端部的工具(通常是某些类型的夹持器)组成,同时也包括一个辅助动力系统。本文是对整个设计工作较全面的介绍和总结。该机械手的设计重点是总体设计和控制设计两部分,总体设计包括确定机械手的外形尺寸和工作空间,拟定机械手各环节的总体运动方案,对机械手抓取物体的形式以及整体结构进行详细设计,选择气动的方式作为机械手的动力,并合理布置气缸的位置,确定各级传动参数,对齿轮、气缸、轴和轴承的进行设计计算和校核。控制设计包括选取西门子S7-200PLC作为控制器,编写出全部程序,并构建一个完整的机、电、气动一体化的综合性控制系统。本次设计需要掌握PLC的运行原理、PLC程序的编写方法、变频器的实现原理、变频器的配置、传感器的原理,合理的连接各个系统部件,调节控制系统各个部分协同工作,控制电机的运行等。设计完成后,整个系统能满足实验的要求,结构简单,装卸方便,便于维修、调整,并具有刚性好,位置精度高、系统运行平稳的特点,基本满足设计要求。
关键词:手臂;夹持器;工业机器人;控制系统
目录
中文摘要 ……………………………………………………………………………………… 1
Abstract ……………………………………………………………………………………… 1
第1章 绪论………………………………………………………………………………… 2
1.1工业机器人简介…………………………………………………………………………… 2
1.2工业机器人的发展………………………………………………………………………… 2
第2章 工业机器人的总体设计……………………………………………………………… 3
2.1工业机器人的组成及各部分关系概述…………………………………………………… 3
2.2工业机器人的设计分析…………………………………………………………………… 3
2.2.1设计要求……………………………………………………………………………… 3
2.2.2总体方案拟定………………………………………………………………………… 3
2.2.3工业机器人主要技术性能参数……………………………………………………… 4
第3章 工业机器人的机械系统设计……………………………………………………… 5
3.1工业机器人的运动系统分析…………………………………………………………… 5
3.1.1 机器人的运动概述………………………………………………………………… 5
3.1.2 机器人的运动过程分析…………………………………………………………… 6
3.2工业机器人的执行机构设计…………………………………………………………… 7
3.2.1 末端执行机构设计………………………………………………………………… 7
3.2.1.1 设计时要注意的问题:……………………………………………………… 7
3.2.1.2 总体结构设计……………………………………………………………… 7
3.2.1.3 液压油缸的选择和夹紧力的校验………………………………………… 8
3.2.1.4 弹性爪的强度校验…………………………………………………………… 10
3.2.2 手臂机构的设计………………………………………………………………… 10
3.2.2.1 手臂的设计要求…………………………………………………………… 10
3.2.2.2 伸缩液压油缸的选择……………………………………………………… 11
3.2.2.3 活塞杆的强度校核………………………………………………………… 11
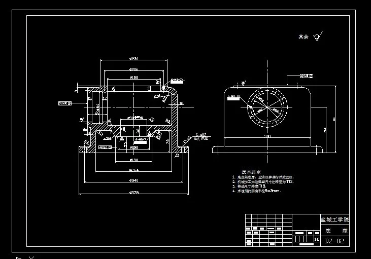
3.2.3 腰部和基座设计………………………………………………………………… 13
3.2.3.1 结构设计…………………………………………………………………… 13
3.2.3.2 步进电机的选取…………………………………………………………… 13
3.2.3.3 轴承的选取………………………………………………………………… 16
3.2.3.4 齿轮的选取………………………………………………………………… 17
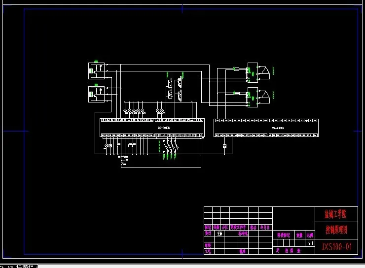
第4章 工业机器人的计算机控制系统概述……………………………………………… 18
4.1 工业机器人控制系统的特点及对控制功能的基本要求……………………………… 18
4.2 计算机控制系统的设计方案…………………………………………………………… 18
4.3 硬件电路的组成………………………………………………………………………… 19
4.4 电路接口说明…………………………………………………………………………… 19
第5章 工业机器人运行时应采取的安全措施……………………………………………… 21
5.1 安全要求………………………………………………………………………………… 21
5.2实施方法………………………………………………………………………………… 21
总 结……………………………………………………………………………………… 22
鸣 谢……………………………………………………………………………………… 23
参考文献……………………………………………………………………………………… 24
温馨提示:
1、题目前面的备注【字母数字编号】为本站整理分类的编号,与课题内容无关,请选题时忽视;
2、若题目上备注三维,则表示文件里包含三维源文件,由于三维组成零件数量较多,为保证预览截图的简洁性,本站将三维文件夹进行了打包。三维及CAD预览截图,均为本站电脑打开软件进行截图的,保证能够打开,下载原件超高清,下载后解压即可;
3、本站所有资源如无特殊说明,都需要本地电脑安装Office2007。图纸软件为AutoCAD,PROE,UG,SolidWorks,CATIA等;
4、本站所有图文资料仅供用户学习参考,不作为任何商用或其他用途;
5、本站不保证下载资源的准确性、安全性和完整性, 不包修改,不支持退换,同时也不承担用户因使用这些下载资源对自己和他人造成任何形式的伤害或损失;
6、 下载文件中如有侵权或不适当内容,请与我们联系,我们立即纠正。