

作品包括:
说明书1份,共44页,约11000字左右
CAD版本本图纸,共7张
1150钢坯开坯轧机主传动设计
摘要
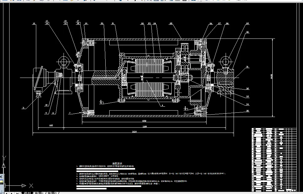
1150钢坯开坯轧机主传动装置是轧钢生产中非常重要的轧制设备,它在轧钢生产中使用越来越广泛,尤其是在热轧薄板带钢生产中的破鳞、控制板坯宽度等方面更是必不可少的轧钢设备。本次设计的主要目的是对开坯轧机的主传动系统进行了解和研究,并对主要部件进行设计和校核计算,最终设计绘制出1150开坯轧机主传动系统的总装配图。本次设计主要包括阐述开坯轧机的发展、结构、作用和主传动方案等,并重点对开坯轧机主传动系统中涉及的各个零部件进行了设计计算。主要包括轧机结构参数计算、力能参数计算、主电机选择、、轧辊设计与校核、轧辊轴承计算等相关内容。通过本次设计各方面的分析和计算,我们对设备的性能和存在的问题有了更深的了解,并使设备在理论上得到进一步的改进。
关键词:主传动系统;轧机;轧辊;机架
目录
1 绪论 1
1.1轧钢机械的定义 1
1.2初轧机在轧钢生产中的作用 1
1.3轧钢机械设备的组成 1
1.4轧钢机的分类及标称 1
1.5国内外开坯机的现状及发展情况 2
1.5.1国内外开坯机的现状 2
1.5.2国内外开坯机的发展情况 2
1.6Φ1150钢坯开坯机主传动 3
2总体方案设计 5
3 φ1150钢坯开坯机力能参数的计算 7
3.1 电机容量的选择 7
3.1.1电机轴上的力 7
3.1.2电机的发热和过载校核 9
3.2轧制力的计算 11
3.2.1轧制规程 11
3.2.2轧辊主要尺寸的确定 12
3.2.3轧制力的计算 13
3.3电机驱动轧辊时的力矩计算 17
3.3.1轧辊受力分析 17
3.3.2电机驱动轧辊的力矩 18
4 零部件的选择与强度校核 20
4.1轧辊轴承的选择与校核 20
4.1.1轴承的选择 20
4.1.2轴承冷却及用水量的校核 21
4.2轧辊的强度计算 22
4.3机架的选择和强度计算 25
4.3.1机架的设计准则 25
4.3.2机架结构尺寸的确定 26
4.3.3机架强度的校核计算 27
4.4万向接轴的选择与计算 31
4.4.1 扁头强度计算 31
4.4.2 叉头的强度计算 32
5开坯机的润滑方式 33
5.1轧机轧辊的润滑 33
5.2轧辊轴承的润滑 33
5.3轧机主轴连接的润滑 34
6 设备的环保、可靠性和经济评价 35
6.1设备的环保 35
6.2机械设备的可靠性 35
6.2.1机械设备的平均寿命 36
6.2.2机械设备的有效度 36
6.3机械设备的经济评价 37
总结 38
致谢 39
参考文献 40
温馨提示:
1、题目前面的备注【字母数字编号】为本站整理分类的编号,与课题内容无关,请选题时忽视;
2、若题目上备注三维,则表示文件里包含三维源文件,由于三维组成零件数量较多,为保证预览截图的简洁性,本站将三维文件夹进行了打包。三维及CAD预览截图,均为本站电脑打开软件进行截图的,保证能够打开,下载原件超高清,下载后解压即可;
3、本站所有资源如无特殊说明,都需要本地电脑安装Office2007。图纸软件为AutoCAD,PROE,UG,SolidWorks,CATIA等;
4、本站所有图文资料仅供用户学习参考,不作为任何商用或其他用途;
5、本站不保证下载资源的准确性、安全性和完整性, 不包修改,不支持退换,同时也不承担用户因使用这些下载资源对自己和他人造成任何形式的伤害或损失;
6、 下载文件中如有侵权或不适当内容,请与我们联系,我们立即纠正。