

作品包括:
WORD版设计说明书1份,共47页,约17000字
任务书一份
CAD版本图纸,共4张
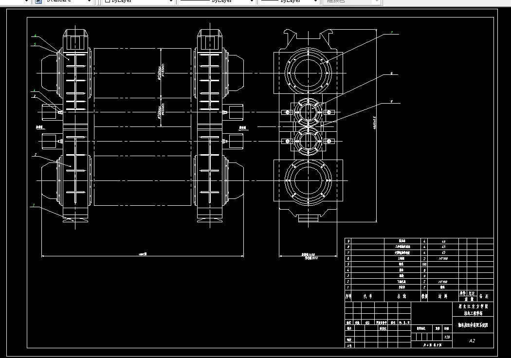
2300型四辊热轧钢板初轧机的结构设计
摘要
伴随着第二次工业革命,我国的钢铁产业有了十足的发展,众所周知我国是钢铁产量大国,但是我国的钢铁质量并不高。随着我国现代工业的发展和钢铁工业在20世纪取得了重大发展,钢铁变成了全球广泛使用的基础材料。在百余年来冶金工业的发展中,高效的轧钢工业和技术使轧钢始终是钢铁工业中钢材成型的主要方式。用轧制方法生产钢材这种生产方式具有生产率高、品种多、生产连续性强、机械化程度高和自动化等优点,中国百分之九十的钢材都是用轧钢方法生产的。为了提高对产品质量的控制能力及实现短流程钢厂的效益最大化而进行了技术改造,从而也提高了轧机生产的自动化程度。四辊轧机在冶金工业中是经常用到的装备,它不仅能初轧,也能精轧;不仅能够轧制板材,也能轧制型钢。随着轧制工业和机械制造技术的不断发展,今年来出现了六辊轧机,十二辊轧机,二十辊轧机等多种轧辊的轧机,但这些都是在四辊轧机的基础上发展起来的,所以四辊轧机的设计是对其它轧机设计的基础。
该设计完成的主要内容有:
1.轧辊及轧辊轴承座的设计;
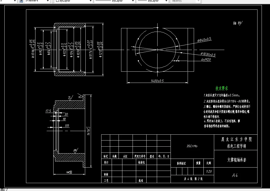
2.轧辊轴承的设计,工作辊和支撑辊均采用四列圆锥滚子轴承;
3.压下装置的设计,该轧机采用电动压下装置;
4.平衡装置的设计,该轧机采用五缸式液压平衡方式。
5.机架的设计。
关键词 轧钢系统;轧辊;轧制力;热轧带钢;轧辊轴承;
目录
摘要
Abstract
1 前言 1
1.1 轧制的简介 1
1.3 轧制工艺的特点和发展趋势 1
2 轧辊的设计 2
2.1 轧辊 2
2.1.1 工作辊及支承辊的计算 3
2.2 工作辊和支承辊的组合分析 5
2.2.1 钢板轧辊的强度计算 7
2.2.2 四辊轧机轧辊的接触强度计算 8
2.3 本章小结 11
3 轧制的力能参数 12
3.1 轧制总压力 12
3.3 轧机主电动机力矩与电动机功率 15
3.3.1 轧机主电动机力矩 15
3.3.2 电动机功率的选择 16
3.4 本章小结 17
4 轧辊轴承及轴承座 18
4.1 轧辊轴承及轴承座的安装 18
4.2 轧辊轴承承载负荷性质 19
4.3 结构实际举例 20
4.4 滚动轴承装置设计与安装要点 20
图4.2 四列圆锥滚柱轴承的安装 22
4.5 本章小结 22
5 压下装置及平衡装置 22
5.1 压下装置 22
5.2 液压平衡装置 26
5.3 本章小结 29
6 机 架 30
6.1 机架的主要型式 30
6.2 机架的结构 30
6.3 机架设计要点 30
6.4 本章小结 31
7 换辊装置 32
7.1 换辊装置 32
7.2 本章小结 33
结论 34
参考文献 35
附录 37
致谢 38
温馨提示:
1、题目前面的备注【字母数字编号】为本站整理分类的编号,与课题内容无关,请选题时忽视;
2、若题目上备注三维,则表示文件里包含三维源文件,由于三维组成零件数量较多,为保证预览截图的简洁性,本站将三维文件夹进行了打包。三维及CAD预览截图,均为本站电脑打开软件进行截图的,保证能够打开,下载原件超高清,下载后解压即可;
3、本站所有资源如无特殊说明,都需要本地电脑安装Office2007。图纸软件为AutoCAD,PROE,UG,SolidWorks,CATIA等;
4、本站所有图文资料仅供用户学习参考,不作为任何商用或其他用途;
5、本站不保证下载资源的准确性、安全性和完整性, 不包修改,不支持退换,同时也不承担用户因使用这些下载资源对自己和他人造成任何形式的伤害或损失;
6、 下载文件中如有侵权或不适当内容,请与我们联系,我们立即纠正。