

作品包括:
WORD版设计说明书1份,共24页,约7100字
开题报告一份
任务书一份
文献综述一份
外文翻译一份
CAD版本图纸,共15张
目 录
摘 要 I
Abstract II
1绪论 1
1.1多功能封口机设计背景 1
1.2设计目的与意义 1
1.3设计内容 2
2方案设计 5
2.1方案设计方法 5
2.2任务要求键入章标题(第 2 级) 5
2.3多功能封口机工作原理 5
2.4方案选择 6
2.5 总体布置 7
3结构设计 8
3.1成形器 8
3.1.1袋形选择 8
3.1.2成形器种类及选择 8
3.1.3成形器相关计算 9
3.2总体方案设计 11
3.2.1电机的选择 11
3.2.2运动参数计算 12
3.2.3各传动轴参数计算 12
3.2.4主轴最小直径 13
3.2.5功率分配 14
3.3链轮设计 14
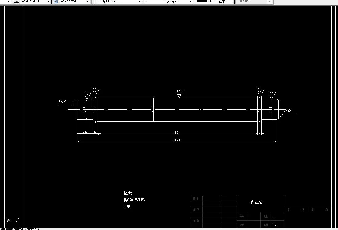
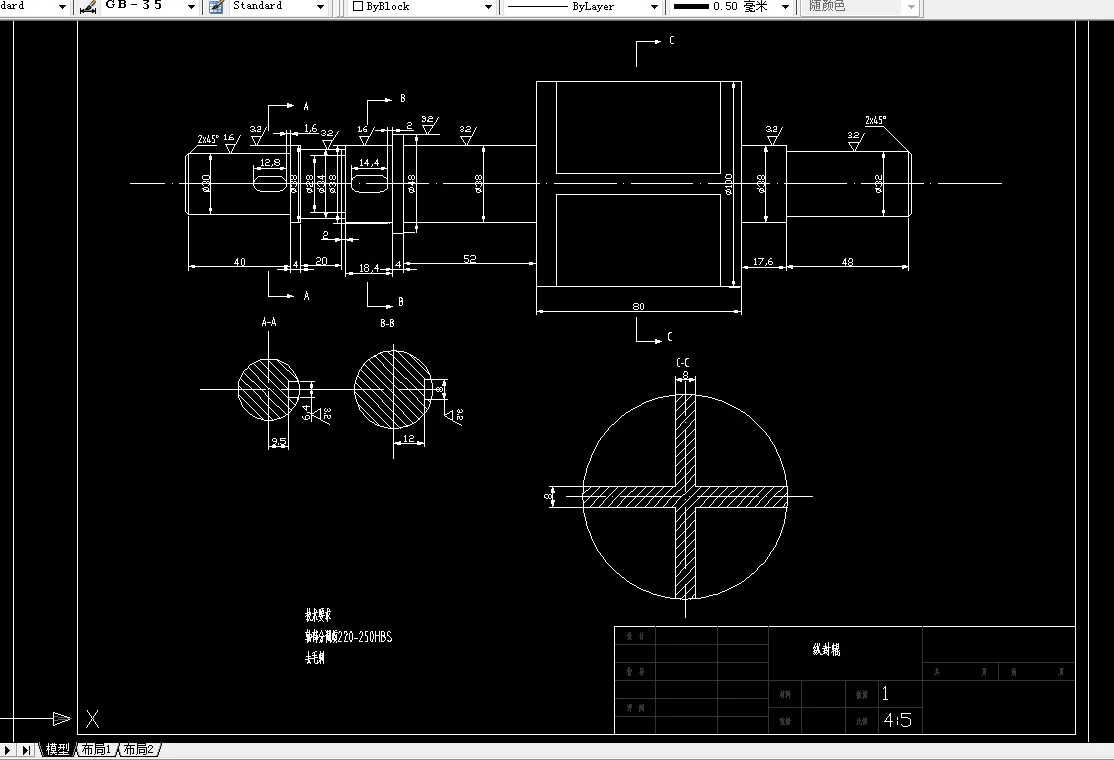
3.4纵封辊 17
3.5横封辊 17
3.6齿轮设计 18
3.7切断装置 20
3.8导辊 21
4 结论 22
致谢 23
参考文献 24
文献综述 25
文献翻译 31
摘 要
本文是针对多功能封口机的设计以及说明。
多功能封口机,即多功能包装机,因为在一台机器上完成两个或两个以上的包装工序故称之为多功能包装机。其主要由引导成型部分、填料部分、封制部分以及切断部分组成。包装材料被安置在卷桶上,经由导辊引导至成型器处,在成型器作用下完成包装袋的基本成型,同时完成填料,此时由横封装置以及纵封装置完成对袋的封口工作,之后由切断装置切断,使之分离为完整的包装袋个体。
本文对多功能包装机的工作原理、结构等做了分析及说明,并在现有多功能封口机的基础上进行设计,设计出一套可行的方案并进行相关计算,使用制图软件画出其相应工程图。
本文使用Autocad2010对其进行绘图,Autocad2010是比较基础的工程制图软件,能够使机械的平面结构简单、清晰地表现出来,是当下十分常见与实用的制图软件之一。
关键词:多功能封口机 包装 Autocad
温馨提示:
1、题目前面的备注【字母数字编号】为本站整理分类的编号,与课题内容无关,请选题时忽视;
2、若题目上备注三维,则表示文件里包含三维源文件,由于三维组成零件数量较多,为保证预览截图的简洁性,本站将三维文件夹进行了打包。三维及CAD预览截图,均为本站电脑打开软件进行截图的,保证能够打开,下载原件超高清,下载后解压即可;
3、本站所有资源如无特殊说明,都需要本地电脑安装Office2007。图纸软件为AutoCAD,PROE,UG,SolidWorks,CATIA等;
4、本站所有图文资料仅供用户学习参考,不作为任何商用或其他用途;
5、本站不保证下载资源的准确性、安全性和完整性, 不包修改,不支持退换,同时也不承担用户因使用这些下载资源对自己和他人造成任何形式的伤害或损失;
6、 下载文件中如有侵权或不适当内容,请与我们联系,我们立即纠正。