

作品包括:
Word版说明书1份,共52页,约22000字
外文翻译一份
开题报告一份
CAD版本图纸,共14张
摘 要
为了解决工人在空顶状态进行支护带来的支护量大、工作效率低、工作环境不安全等问题,有必要设计一套超前支护装置来改善该状况。
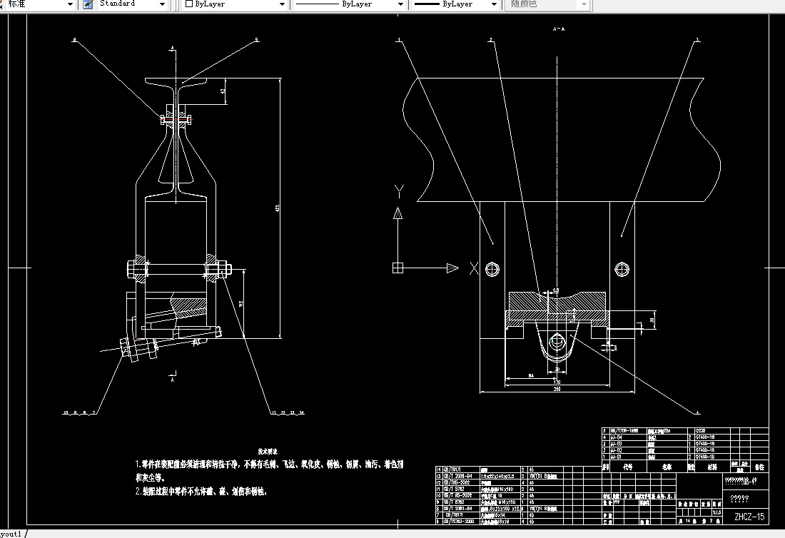
本课题设计了一种自移式巷道临时超前支护装置,包括前探梁、夹具装置和动力驱动装置等。运用科学的计算方法设计各部分的尺寸和机构,运用PRO/E、CAXA等绘图软件进行结构设计和优化设计。所述前探梁后端连接有动力驱动装置,动力驱动装置由液压缸和止推梁组成,前探梁和动力驱动装置上设有支撑固定装置。本设计可便捷实现巷道临时超前支护,且结构简单、成本低廉、安装和维修方便,可减轻工人劳动强度,保障人员和设备安全,能为矿山企业创造良好的生产效益和社会效益。
关键词: 巷道、临时、超前支护
目 录
前 言 - 1 -
1 绪论 - 2 -
1.1 选择该题目的目的和意义 - 2 -
1.2 煤矿掘进巷道顶板事故的危害和特点 - 2 -
1.3临时支护的几种形式 - 2 -
1.4 顶板事故发生的主要原因与防治措施 - 3 -
1.4.1 顶板事故发生的主要原因 - 3 -
1.4.2顶板事故发生的预防措施 - 3 -
1.5 超前临时支护装置的研究现状 - 4 -
1.6 巷道临时超前支护装置的组成与工作原理 - 5 -
2 前探梁的设计 - 7 -
2.1 前探梁的尺寸选定与结构设计 - 7 -
2.2 前探梁的结构设计 - 8 -
3 支撑固定装置的设计 - 9 -
3.1 支撑固定装置的作用 - 9 -
3.2 支撑固定装置的组成、结构设计与工作原理 - 9 -
3.3 支撑固定装置各组成件材料的选择和具体尺寸计算 - 12 -
3.3.1 卡具相关尺寸的计算 - 13 -
3.3.2 底板的相关尺寸的计算 - 14 -
3.3.3 斜楔的相关尺寸的计算 - 15 -
3.3.4 弹簧的选择 - 15 -
4 液压缸主要零部件的设计与计算 - 19 -
4.1 液压缸的作用与设计注意事项 - 19 -
4.2 液压缸的分类与选择 - 20 -
4.2.1 液压缸的分类 - 20 -
4.2.2液压缸类型的选择 - 20 -
4.3 缸筒的设计与计算 - 21 -
4.3.1 缸筒的结构 - 21 -
4.3.2 缸筒材料 - 21 -
4.3.3 对缸筒的要求 - 22 -
4.3.4 缸筒计算 - 22 -
4.3.5缸筒底部的厚度 - 26 -
4.3.6 缸筒头部法兰盘厚度与法兰盘的连接强度计算 - 27 -
4.3.7 液压缸工作行程的确定 - 30 -
4.3.8 液压缸最小导向长度的确定 - 30 -
4.3.9 缸体长度的确定 - 31 -
4.4 活塞 - 31 -
4.4.1 活塞结构型式 - 31 -
4.4.2 活塞与活塞杆的连接 - 32 -
4.4.3 活塞的密封 - 32 -
4.4.4 活塞材料 - 33 -
4.4.5 活塞尺寸及加工公差 - 33 -
4.5 活塞杆 - 34 -
4.5.1 活塞杆结构 - 34 -
4.5.2 活塞杆的材料和技术要求 - 35 -
4.5.3 活塞杆的计算 - 36 -
4.6 液压缸的缓冲装置 - 42 -
4.7 液压缸的排气装置 - 43 -
4.8 油口 - 43 -
5 止推梁的设计 - 44 -
总 结 - 46 -
致 谢 - 47 -
参考文献 - 47 -
温馨提示:
1、题目前面的备注【字母数字编号】为本站整理分类的编号,与课题内容无关,请选题时忽视;
2、若题目上备注三维,则表示文件里包含三维源文件,由于三维组成零件数量较多,为保证预览截图的简洁性,本站将三维文件夹进行了打包。三维及CAD预览截图,均为本站电脑打开软件进行截图的,保证能够打开,下载原件超高清,下载后解压即可;
3、本站所有资源如无特殊说明,都需要本地电脑安装Office2007。图纸软件为AutoCAD,PROE,UG,SolidWorks,CATIA等;
4、本站所有图文资料仅供用户学习参考,不作为任何商用或其他用途;
5、本站不保证下载资源的准确性、安全性和完整性, 不包修改,不支持退换,同时也不承担用户因使用这些下载资源对自己和他人造成任何形式的伤害或损失;
6、 下载文件中如有侵权或不适当内容,请与我们联系,我们立即纠正。