

作品包括:
word说明书一份,共31页,约14000字
CAD版本图纸,共12张
如下所示
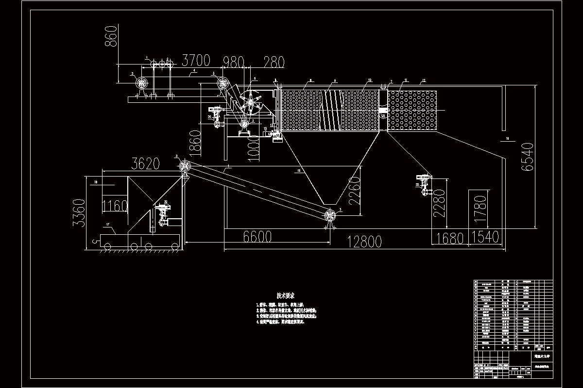
A0-总装图.dwg
A0-机架.dwg
A1-粉碎机构.dwg
A1-输送机构.dwg
A3-主轴.dwg
A3-带轮.dwg
A3-扇盘.dwg
A3-托辊盖.dwg
A3-进料口.dwg
A3-进料辊子.dwg
A3-飞刀.dwg
A4-端盖.dwg
摘要
随着人们对环境意识的日益增强, 对环境的要求也越来越高 ,城市废弃树枝的随意堆放及焚烧被逐渐禁止, 废弃树枝的处理及综合利用成了城市园林及环卫部门亟待解决的问题。经过国内外众多科研单位多年的研究和探索,树枝的切碎技术取得了突破性的进展,树枝粉碎机械也从而得到了前所未有发展。输送机构也从以前的手动式喂入转变为更先进带传动的输送方式,这样既能减少人力劳动,也更能提高效率。
本文对国内外的一些树枝粉碎机的技术特点进行了分析,了解了树枝粉碎效果的因素,以及现有树枝粉碎机产品的优缺点,并在其基础上设计了一台树枝粉碎机,希望对树枝粉碎机的发展能提供一些参考。本树枝粉碎机能够碎直径最大为200mm以内的树枝,采用“浮动”式喂入机构,使其能适应不同直径的树枝。该机器工作平稳,安全可靠,操作方便,加工效率高。并且对该机器还附带了牵引机构,便于移动作业。
关键词:环境 树枝粉碎机 喂入机构 输送机构
目录
摘要 1
目录 3
第一章 绪论 4
1.1 课题研究背景,目的及其意义 4
1.2基本情况 5
1.3 选题的设计思想,设计方法及改进 6
1.4 预期结果 6
第二章 国内外树枝粉碎机的现状 8
2.1 国内外树枝粉碎机的发展现状和趋势 8
2.2 现有产品的优缺分析 8
2.3一般树枝粉碎机的结构 10
2.4树枝粉碎机的工作原理 10
2.5国内外树枝粉碎机产品 11
第三章 主要技术参数的确定与计算 13
3.1输送机构的设计计算 13
3.1.1输送机构的计算 13
3.1.2输送带托辊滚轴和轴承的设计选择 14
3.1.3电机与托辊的传动连接 15
3.2粉碎室结构设计 16
3.2.1刀盘的设计 16
3.2.2飞刀的设计 17
3.3喂入机构的设计计算 18
3.4轴的计算与校核 19
3.5机架的设计 21
3.5.1机架类型的选择 22
3.5.2机架中其他结构的尺寸确定 23
第四章 粉碎机事项 24
4.1使用维护 24
4.2操作及调整 24
4.3保养 24
结论 26
致谢 27
参考文献 28
附录 29
温馨提示:
1、题目前面的备注【字母数字编号】为本站整理分类的编号,与课题内容无关,请选题时忽视;
2、若题目上备注三维,则表示文件里包含三维源文件,由于三维组成零件数量较多,为保证预览截图的简洁性,本站将三维文件夹进行了打包。三维及CAD预览截图,均为本站电脑打开软件进行截图的,保证能够打开,下载原件超高清,下载后解压即可;
3、本站所有资源如无特殊说明,都需要本地电脑安装Office2007。图纸软件为AutoCAD,PROE,UG,SolidWorks,CATIA等;
4、本站所有图文资料仅供用户学习参考,不作为任何商用或其他用途;
5、本站不保证下载资源的准确性、安全性和完整性, 不包修改,不支持退换,同时也不承担用户因使用这些下载资源对自己和他人造成任何形式的伤害或损失;
6、 下载文件中如有侵权或不适当内容,请与我们联系,我们立即纠正。