

作品包括:
word说明书一份,共42页,约20000字
SW版本图纸,共8张
摘要
这篇课程设计的论文主要阐述的是一套系统的关于阀门的电动控制器的设计,这是实现对开环系统中的阀门的开关闭合的控制实现阀门自控,程控和遥控不可缺少的驱动设备。
本文借鉴国内外阀门电动执行机构及其控制器的有效的成功经验,在此基础上,遵循“安全、可靠、简便、先进”的设计原则。在论文中,首先,根据要求对该系统提出了传动系统的方案设计,接着通过查阅资料确定选用电动机的型号,接着对主要参数进行分析计算选择确定合适的传动部件。然后对其结构粗设计,接着就按设计准则和设计理论进行尺寸的计算和校核。最后是对电气控制部分的电路设计。
由于阀门的应用非常广泛,手工机械调节的方式在许多场合已不再适用。本设计能够在较安全的情况下工作,而且效率提高几倍,故设计阀门电动控制器具有实际意义。电动控制器是工业过程控制系统中一个十分重要的现场驱动装置 ,有体积小、接线方便、精度高、操作简单、智能化的优点, 是一种经济实用的产品, 具有广阔的市场开发前景。
关键词 阀门;联轴器;电动控制器;蜗轮蜗杆减速器;PLC
目 录
摘要 I
Abstract II
1 绪论 1
2 传动装置总体设计 2
2.1 传动机构整体设计 2
3 电动机的选择及传动比 3
3.1 电动机类型的选择 3
3.2 电动机功率选择 3
3.3 传动比的分配 3
4传动零件的设计计算 4
4.1选择蜗轮蜗杆材料及精度等级 4
4.2初选几何参数 4
4.3 计算和校核 4
4.4 按齿面接触疲劳强度设计 6
4.5 蜗杆与蜗轮的主要参数与尺寸 7
4.6 校核齿根弯曲疲劳强度 8
5 输出轴的设计 9
5.1选择轴的材料和确定许用应力 9
5.2 按扭转强度估算轴径 9
5.3 设计轴的结构并绘制结构草图 9
6 滚动轴承的选择及校核计算 15
6.1滚动轴承的选型原则 15
6.2 主传动轴上轴承的选择计算 15
6.3 蜗杆两端轴承的选择计算 16
6.4 电机转子轴承的选择 17
7 联轴器的选择和计算 18
8离合器的选择和计算 19
9 减速器的润滑与密封以及箱体的设计 20
9.1润滑方式 20
9.2密封 20
9.3控制器箱体的结构设计 21
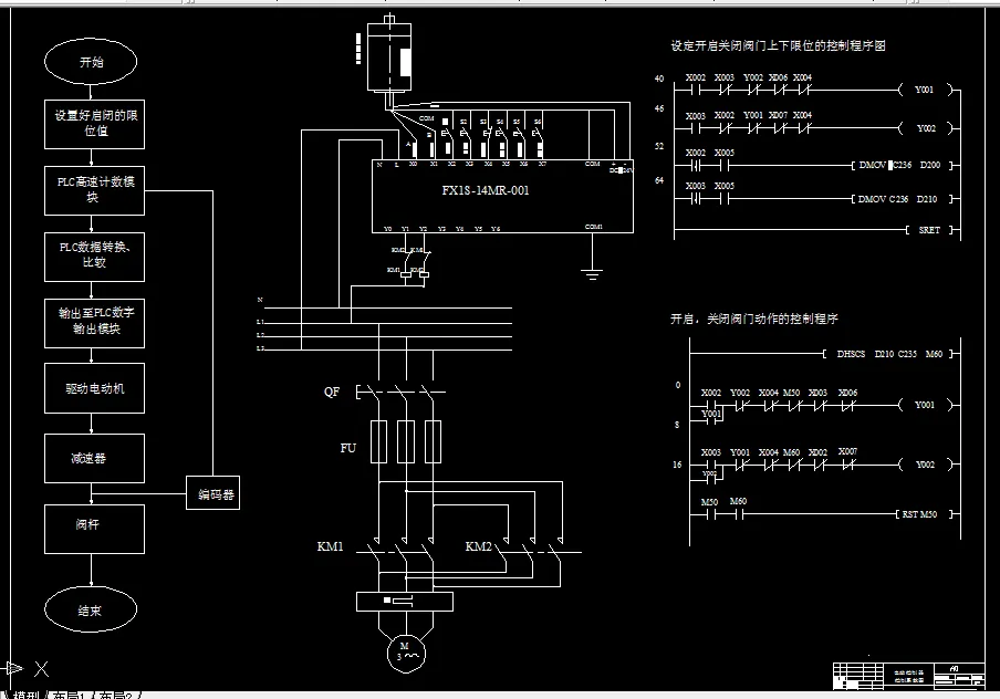
10 电动控制器控制系统部分的设计 23
10.1引言 23
10.2 控制系统总体方案的设计 24
10.3 正反转换向控制电路 25
10.4 反馈装置的选择 27
10.4.1 编码器的选择 28
10.4.2编码器的安装使用 30
10.4.3 PLC的选择 31
10.4.4 PLC程序编写 31
10.4.5 操作说明 32
结论 34
致谢 35
参考文献 36
温馨提示:
1、题目前面的备注【字母数字编号】为本站整理分类的编号,与课题内容无关,请选题时忽视;
2、若题目上备注三维,则表示文件里包含三维源文件,由于三维组成零件数量较多,为保证预览截图的简洁性,本站将三维文件夹进行了打包。三维及CAD预览截图,均为本站电脑打开软件进行截图的,保证能够打开,下载原件超高清,下载后解压即可;
3、本站所有资源如无特殊说明,都需要本地电脑安装Office2007。图纸软件为AutoCAD,PROE,UG,SolidWorks,CATIA等;
4、本站所有图文资料仅供用户学习参考,不作为任何商用或其他用途;
5、本站不保证下载资源的准确性、安全性和完整性, 不包修改,不支持退换,同时也不承担用户因使用这些下载资源对自己和他人造成任何形式的伤害或损失;
6、 下载文件中如有侵权或不适当内容,请与我们联系,我们立即纠正。