

作品包括:
word说明书一份,共45页,约14000字
CAD版本图纸,共9张
目 录
中文摘要 Ⅰ
英文摘要 Ⅱ
第1章 绪论 1
1.1 引言 1
1.2 加工中心简介 1
1.2.1 加工中心的发展简史 1
1.2.2 加工中心的结构组成 2
1.2.3 加工中心的分类 3
1.2.4 加工中心的主要优点 4
1.2.5 加工中心的发展趋势 4
1.3 刀库 5
1.3.1 刀库简介 5
1.3.2 刀库的类型 6
第2章 刀库驱动电机的选定 10
2.1 刀套线速度 10
2.2 链轮参数确定 10
2.3 根据负载转矩选电机 10
2.4 传动比分配 12
2.4.1 各轴转速 12
2.4.2 各轴功率 12
2.4.3 各轴转矩 13
第3章 刀库传动方式 14
3.1 刀库传动方式设计 14
3.1.1 蜗杆蜗轮传动 14
3.1.2 链传动 20
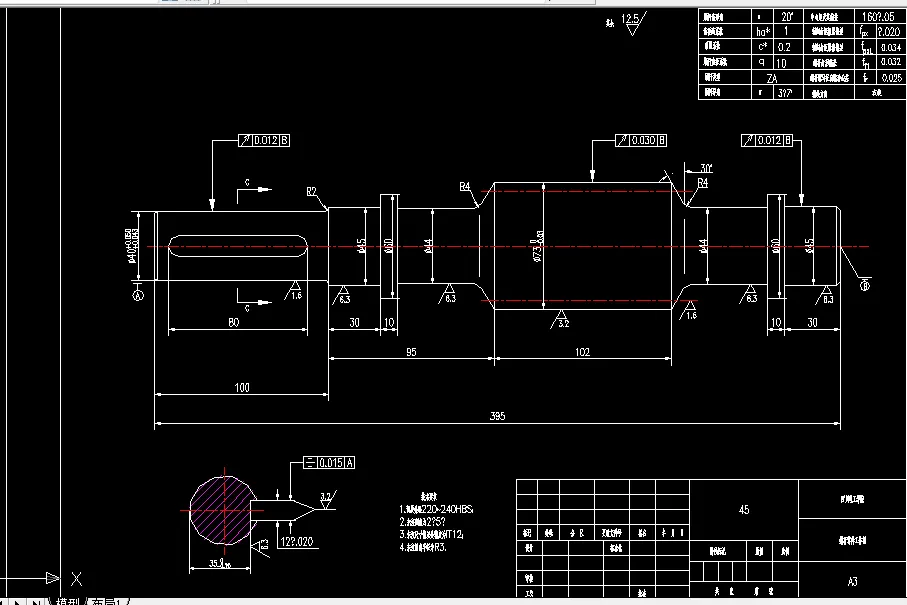
第4章 轴的设计 22
4.1 轴材料选定 22
4.2 蜗杆轴设计 22
4.2.1 初步估算轴的最小直径 22
4.2.2 联轴器选定 22
4.2.3 确定轴承类型 23
4.2.4 初步估算蜗杆轴各段尺寸 23
4.2.5 蜗杆轴效核 23
4.3 蜗轮轴效核 26
4.3.1 初步估算轴的最小直径 26
4.3.2 初步估算蜗轮轴各段的尺寸 26
4.3.3 蜗轮轴效核 27
第5章 轴承效核 30
5.1 蜗杆轴承效核 30
5.2 蜗轮轴承效核 30
第6章 刀库控制系统 32
6.1 刀具的选择方式 32
6.1.1 顺序选择 32
6.1.2顺序选择 32
6.2刀具识别装置 33
6.3刀库控制系统设计 34
第7章 其它零部件设计 36
7.1回零减速撞快尺寸计算 36
第8章 结论 38
参考文献 39
致谢 40
摘 要
以加工中心自动换刀装置中的刀库的设计与控制为背景,根据使用的场合和实际运用的要求,设计了相应的40刀的链式刀库,并且对它的控制进行了一定的研究。
论文首先对40刀刀库总体设计方案进行阐述,阐述其各部件的工作原理,然后就刀库的结构设计与控制分章节对各个部分进行计算与设计。
刀库的机构设计是研究的重点,传动部分为蜗杆蜗轮的减速装置,控制部分为刀库送刀机构,由PLC控制刀库的正反转。
关键词:加工中心,刀库,蜗杆蜗轮, PLC。
温馨提示:
1、题目前面的备注【字母数字编号】为本站整理分类的编号,与课题内容无关,请选题时忽视;
2、若题目上备注三维,则表示文件里包含三维源文件,由于三维组成零件数量较多,为保证预览截图的简洁性,本站将三维文件夹进行了打包。三维及CAD预览截图,均为本站电脑打开软件进行截图的,保证能够打开,下载原件超高清,下载后解压即可;
3、本站所有资源如无特殊说明,都需要本地电脑安装Office2007。图纸软件为AutoCAD,PROE,UG,SolidWorks,CATIA等;
4、本站所有图文资料仅供用户学习参考,不作为任何商用或其他用途;
5、本站不保证下载资源的准确性、安全性和完整性, 不包修改,不支持退换,同时也不承担用户因使用这些下载资源对自己和他人造成任何形式的伤害或损失;
6、 下载文件中如有侵权或不适当内容,请与我们联系,我们立即纠正。