

作品包括:
Word版说明书1份,共53页,约8800字
三菱 PLC程序一份
组态王6.53组态画面一份
CAD版本图纸,共2张

摘 要 I
ABSTRACT II
1 引言 1
1.1 选题背景及实际意义 1
1.2 国内外现状 1
2 设计要求 3
3 硬件设计 4
3.1 器件选择 4
3.1.1接触器的选择 4
3.1.2熔断器的选择 4
3.1.3低压断路器的选择 5
3.1.4按钮的选择 6
3.1.4 PLC的型号选择 6
3.2 主电路图 7
3.3 控制电路图 10
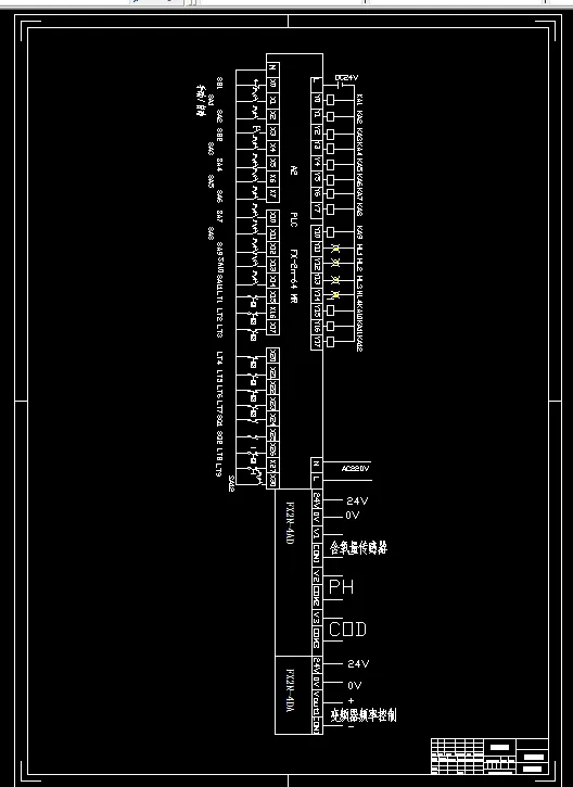
3.4 PLC的I/O分配 11
3.5 PLC外围接线图 13
4 软件设计 16
4.1 PLC内部使用地址 16
4.2 PLC梯形图 17
4.3 语句表程序 28
5 组态画面 37
5.1 通信设定 37
5.2数据词典 41
5.3建立画面 43
5.4运行 45
总 结 48
致 谢 49
参 考 文 献 50
SBR废水处理技术是一种高效废水回用的处理技术。本设计采用PLC和优势菌技术对校园生活污水进行处理,经过处理后的中水可以用来浇灌绿地、花木、冲洗厕所及车辆等,从而达到节约水资源的目的。
1、SBR废水处理系统分别由污水处理池、清水池、中水水箱、电气控制箱以及水泵、罗茨风机、电动阀门和电磁阀等部分组成。在污水处理池、清水池、中水水箱中分别设置了液位开关,用以检测水池与水箱中的水位。
2、在SBR废水处理系统中所使用的动力设备(水泵、罗菠风机、电动阀),均采用三相交流异步电动机。电动机应选配Y系列防水防潮型,电磁阀(220VAC)的选配也应符合防水防潮要求。
(1)1#清水泵:立式离心泵LS50-10-A,扬程10m,流量29m3/h,1kW。
(2)2#清水泵:立式离心泵LS40-32.1,扬程30m,流量16m3/h,3kW。
(3)曝气风机(罗茨风机):TSA 40,0.7m3/min,1.1kW。
(4)电动阀:阀体D97A1X5-10ZB-125mm电动装置LQ20-1,380V/60W(三相),转矩200N?m,转速l r/min。
3、控制装置设计选用PLC作为系统的控制核心;
4、本设计可执行手动/自动两种方案;
5、电动阀上的驱动电机为正、反转双向运行,因此要在PLC控制回路中加装互锁控制线路;
6、PLC的接地,应按产品手册中的要求设计,并在图中表示或说明;
7、为了设备的安全运行,在设计中应考虑必要的保护措施,如电机的过热保护、控制系统的短路保护等
温馨提示:
1、题目前面的备注【字母数字编号】为本站整理分类的编号,与课题内容无关,请选题时忽视;
2、若题目上备注三维,则表示文件里包含三维源文件,由于三维组成零件数量较多,为保证预览截图的简洁性,本站将三维文件夹进行了打包。三维及CAD预览截图,均为本站电脑打开软件进行截图的,保证能够打开,下载原件超高清,下载后解压即可;
3、本站所有资源如无特殊说明,都需要本地电脑安装Office2007。图纸软件为AutoCAD,PROE,UG,SolidWorks,CATIA等;
4、本站所有图文资料仅供用户学习参考,不作为任何商用或其他用途;
5、本站不保证下载资源的准确性、安全性和完整性, 不包修改,不支持退换,同时也不承担用户因使用这些下载资源对自己和他人造成任何形式的伤害或损失;
6、 下载文件中如有侵权或不适当内容,请与我们联系,我们立即纠正。