

作品包括:
Word版说明书1份,共76页,约39000字
外文翻译一份
CAD版本图纸,共6张

摘要
机械制造业是一个国家经济发展的重要支柱。而制造业的生产能力主要取决于制造装备——机床的先进程度。组合机床兼有低成本和高效率的优点,在大批、大量生产中得到广泛应用,并可用以组成自动生产线。
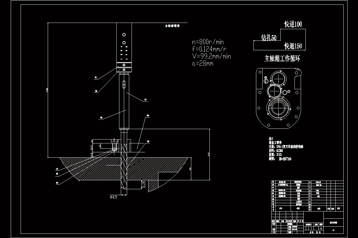
本文对CPQ-1型叉车驱动桥壳体的加工工艺进行了详细的分析,就其孔的加工提出了“一次装夹,单工位加工,达到产品图样的精度要求”的思路。根据这一思路设计了六轴头单工位钻孔组合钻床。
该组合钻床中的多轴箱的主轴的选择和系统传动图。本文对主轴箱部分的设计进行了详细的计算和论证
关键词:组合机床,叉车驱动桥壳体,主轴箱
目录
摘要I
Abstract II
目录III
1前言1
1.1组合机床的现状与发展趋势1
1.2组合机床的组成部分2
1.3组合机床的特点4
2组合机床的总体设计(三图一卡) 5
2.1组合机床工艺方案的制定5
2.1.1被加工零件的特点5
2.1.2基准的选择6
2.1.3被加工零件的工艺分析7
2.1.4组合机床运动介绍9
2.1.5机床使用条件的影响10
2.2机床配置形式和总体布局的选择11
2.3被加工零件的加工精度和加工工序图12
2.4加工示意图14
2.4.1组合机床切削用量的选择15
2.4.2选择切削深度16
2.4.3确定进给量16
2.4.4确定钻削速度16
2.4.5切削功率,切削力,转矩以及刀具耐用度的选择17
2.4.6组合机床生产率的计算19
2.5机床联系尺寸图及相关计算21
3主轴箱的设计28
3.1多轴箱28
3.1.1主轴结构型式的选择28
3.1.2多轴箱传动设计29
3.1.3对多轴箱传动系统的一般要求29
3.2主轴箱装配图的设计30
3.2.1主轴箱原始依据图30
3.2.2主轴参数的确定30
3.2.3设计和计算传动系统33
3.2.4计算主轴箱坐标34
3.3主轴箱体及其附件的选择设计37
3.3.1主轴箱的选择设计37
3.3.2主轴箱上的附件材料的设计37
4齿轮和轴的校核39
4.1齿轮的校核: 39
4.1.1校核齿根弯曲疲劳强度39
4.1.2校核接触疲劳强度40
4.2轴的强度校核: 42
5.专机加工主轴箱46
5.1主轴箱齿轮介绍46
5.2主轴箱旋转机构介绍53
5.3主轴箱箱体的介绍60
5.4主轴箱刀具的介绍61
6.自动化行业的十大发展趋势65
结论69
参考文献71
致谢76
温馨提示:
1、题目前面的备注【字母数字编号】为本站整理分类的编号,与课题内容无关,请选题时忽视;
2、若题目上备注三维,则表示文件里包含三维源文件,由于三维组成零件数量较多,为保证预览截图的简洁性,本站将三维文件夹进行了打包。三维及CAD预览截图,均为本站电脑打开软件进行截图的,保证能够打开,下载原件超高清,下载后解压即可;
3、本站所有资源如无特殊说明,都需要本地电脑安装Office2007。图纸软件为AutoCAD,PROE,UG,SolidWorks,CATIA等;
4、本站所有图文资料仅供用户学习参考,不作为任何商用或其他用途;
5、本站不保证下载资源的准确性、安全性和完整性, 不包修改,不支持退换,同时也不承担用户因使用这些下载资源对自己和他人造成任何形式的伤害或损失;
6、 下载文件中如有侵权或不适当内容,请与我们联系,我们立即纠正。