

作品包括:
Word版说明书1份,共47页,约20000字
CAD版本图纸,共5张

摘要
本设计说明了智能窗帘控制装置系统的设计和制作过程,为了实现针对住宅主人出差,家里无人居住的情况。利用电子技术、传感技术及计算机技术,设计一种智能加遥控的电动窗帘,根据用户的需求,自主切换为智能控制或电话远程遥控控制,实现无人时窗帘也能每天开关,以达到欺骗盗贼不敢来光顾住所的目的。
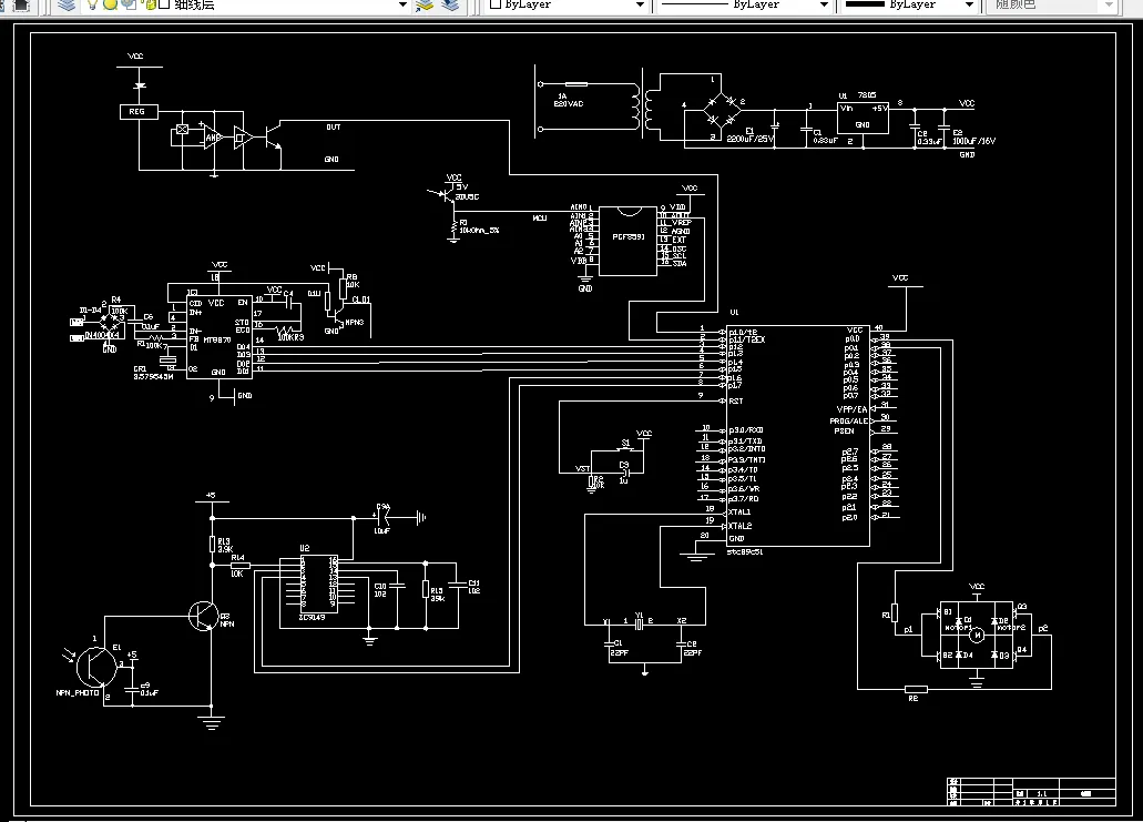
智能窗帘控制装置系统的构成概括主要如下:由光照传感电路、系统主控模块电路、电源转换电路、电机控制电路、红外线控制电路以及双音频控制模块电路等组成。
本设计重点讨论了窗帘自动控制系统的设计过程、硬件选用和软件调试等问题,最终通过本系统可实现利用光照强度、红外线控制以及电话控制窗帘自动开闭。
关键词 单片机;智能窗帘;红外线控制;双音频模块
目 录
摘要 I
Abstract II
1 绪论 1
1.1 智能窗帘概述 1
1.1.1 智能窗帘系统设计背景 1
1.1.2 智能窗帘系统的结构 1
1.1.3 智能窗帘的发展 1
1.2 系统功能思路以及所需解决的问题 2
1.2.1 研究方法技术路线 2
1.2.2 研究解决主要内容 2
2 机械系统总体方案设计 4
2.1 机械结构及关键零部件设计 4
2.1.1 窗帘框架构造设计 4
2.1.2 执行结构 4
2.1.3 电机位置的设计 5
2.1.4 窗帘轨道设计 5
2.2传动系统设计 6
2.3 本章小结 8
3 硬件系统设计 9
3.1 总体设计 9
3.2 控制器选型设计 9
3.3 传感器选型及安装 11
3.4 AD转换电路 12
3.5 电源模块 15
3.6 电机选择 15
3.7晶振复位电路 18
3.7.1复位电路 18
3.7.2晶振电路 18
3.8霍尔元件 19
3.9红外线模块 21
3.10 双音频模块 26
3.10.1振铃检测电路 26
3.10.2 模拟摘挂机电路 27
3.10.3语言提示电路 28
3.10.4 双音频解码电路 29
3.11 本章小结 31
4 智能窗帘软件设计及程序编写 32
4.1 光敏传感器程序设计 32
4.2霍尔元件程序设定 33
4.3 双音频控制系统远程控制程序设计 33
4.4 红外遥控程序设计 35
4.5 主控制芯片的程序设计 36
4.6 本章小结 37
结论 38
致谢 39
参考文献 40
温馨提示:
1、题目前面的备注【字母数字编号】为本站整理分类的编号,与课题内容无关,请选题时忽视;
2、若题目上备注三维,则表示文件里包含三维源文件,由于三维组成零件数量较多,为保证预览截图的简洁性,本站将三维文件夹进行了打包。三维及CAD预览截图,均为本站电脑打开软件进行截图的,保证能够打开,下载原件超高清,下载后解压即可;
3、本站所有资源如无特殊说明,都需要本地电脑安装Office2007。图纸软件为AutoCAD,PROE,UG,SolidWorks,CATIA等;
4、本站所有图文资料仅供用户学习参考,不作为任何商用或其他用途;
5、本站不保证下载资源的准确性、安全性和完整性, 不包修改,不支持退换,同时也不承担用户因使用这些下载资源对自己和他人造成任何形式的伤害或损失;
6、 下载文件中如有侵权或不适当内容,请与我们联系,我们立即纠正。