

作品包括:
Word版说明书1份,共30页,约11000字
外文翻译一份
CAD版本图纸,共5张

摘要
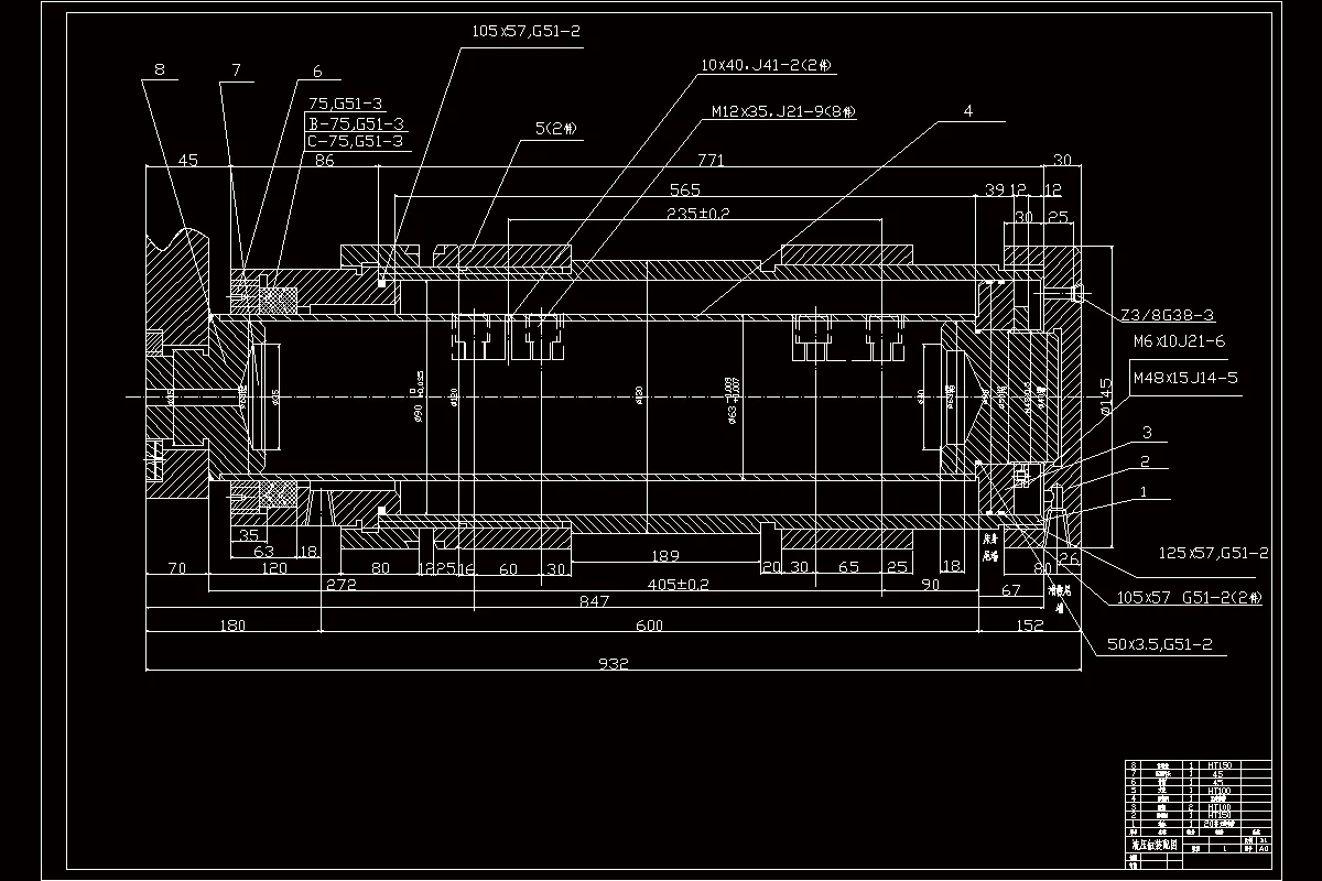
本次设计题目为“外圆及端面加工的组合机床的液压系统设计”,目的是设计一个对掘进机箱的TY170外圆和端面进行加工的组合机床的动力滑台液压系统,首先确定组合机床的总体方案,查找相关参数,再根据相关参数进行液压系统相关内容计算,明确具体的液压设计方案同时确定需要的液压元件,之后进行相关计算的验证用来求证所进行的的设计方案是否可行,再进行液压原理图,液压装配图等的绘制。
本次设计采用了参数计算,图纸绘制的方法,得到了可以进行本次设计加工的组合机床,其中切削力和摩擦力等对方案设计的进行产生了巨大影响,可以得出一个结论:机床床身所受的力是决定并引导本次设计的主要因素。其中液压系统的计算要考虑到油管中有油之后的实际情况和理论计算值有一定偏差,所以一定要进行最后的系统相关参数的重新验算。
关键词:组合机床;液压系统;动力滑台;切削力;
目录
摘要····························································III
Abstract····························································IV
序论···························································1
1.组合机床总体设计及工况分析·································3
1.1组合机床的结构方案进行拟定·····································3
1.2组合机床配置形式的选择···································4
1.3组合机床的总图绘制··········································· 5
1.4组合机床通用部件的选择·········································5
2.组合机床的液压系统设计及要求····································8
2.1负载与运动分析···································8
3.确定液压系统主要参数····································10
3.1初选液压缸工作压力··································10
3.2计算液压缸主要尺寸··································10
4.拟定液压系统方案和基本的图··········································13
4.1选择基本回路················································13
4.2组成液压基本原理图·········································15
5.计算和选择液压元件···············································16
5.1确定液压泵的规格和电动机功率····································16
5.2确定其他元件及辅件···································17
6、液压缸设计基搐········································20
6.1液压缸的轴向尺寸········································20
6.2主要零件强度校核········································20
7.验算液压系统性能·················································23
7.1验算系统压力损失·············································23
7.2验算系统发热与温升················································25
8.设计总结···············································26
参考文献·························································27
附录1:外文翻译························································28
附录2:外文原文························································32
致谢························································37
温馨提示:
1、题目前面的备注【字母数字编号】为本站整理分类的编号,与课题内容无关,请选题时忽视;
2、若题目上备注三维,则表示文件里包含三维源文件,由于三维组成零件数量较多,为保证预览截图的简洁性,本站将三维文件夹进行了打包。三维及CAD预览截图,均为本站电脑打开软件进行截图的,保证能够打开,下载原件超高清,下载后解压即可;
3、本站所有资源如无特殊说明,都需要本地电脑安装Office2007。图纸软件为AutoCAD,PROE,UG,SolidWorks,CATIA等;
4、本站所有图文资料仅供用户学习参考,不作为任何商用或其他用途;
5、本站不保证下载资源的准确性、安全性和完整性, 不包修改,不支持退换,同时也不承担用户因使用这些下载资源对自己和他人造成任何形式的伤害或损失;
6、 下载文件中如有侵权或不适当内容,请与我们联系,我们立即纠正。