

作品包括:
Word版设计说明书1份
任务书一份
开题报告一份
外文翻译一份
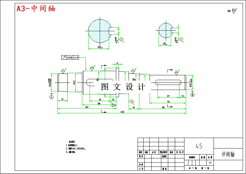
CAD版本图纸,共7张
摘要
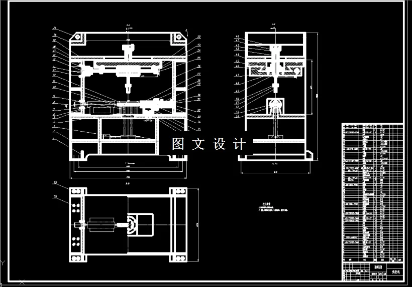
300kg提升机以单绳缠绕式提升机为例,它的作用是: ①将钢丝绳缠绕在i提升机卷筒上;②承受各种正常载荷(包括固定载荷和工作载荷);③承受各种积极情况所造成的非常载荷。在载荷超出正常载荷情况下,主轴装置也不会有太大的残余变形。单绳缠绕式提升机的主轴装置是其核心部件,精心制造,这对于确保矿井提升机安全可靠运行,预防和杜绝故障及事故的发生,也具有十分重要的意义。本提升机主要就是由电动机、减速器、卷筒、制动器以及滑轮组构成。采用两级传动的减速器,即齿轮和蜗轮蜗杆传动。
温馨提示:
1、题目前面的备注【字母数字编号】为本站整理分类的编号,与课题内容无关,请选题时忽视;
2、若题目上备注三维,则表示文件里包含三维源文件,由于三维组成零件数量较多,为保证预览截图的简洁性,本站将三维文件夹进行了打包。三维及CAD预览截图,均为本站电脑打开软件进行截图的,保证能够打开,下载原件超高清,下载后解压即可;
3、本站所有资源如无特殊说明,都需要本地电脑安装Office2007。图纸软件为AutoCAD,PROE,UG,SolidWorks,CATIA等;
4、本站所有图文资料仅供用户学习参考,不作为任何商用或其他用途;
5、本站不保证下载资源的准确性、安全性和完整性, 不包修改,不支持退换,同时也不承担用户因使用这些下载资源对自己和他人造成任何形式的伤害或损失;
6、 下载文件中如有侵权或不适当内容,请与我们联系,我们立即纠正。