

作品包括
Word版设计说明书1份,共54页,约20000字
CAD版本图纸,共10张
SW三维图一套
![Z3230-小型钢管切割机结构设计[含SW三维图] Z3230-小型钢管切割机结构设计[含SW三维图]](/static/upload/image/20260523/1779529472965765.webp)
摘要
不锈钢管由于其本身具有强度高、耐冲击、耐高温、韧性好、良好的力学性能和优良的耐腐蚀性能等特点,无论是在航空航天高科技领域还是在建筑、消防、排水、工业等生活领域应用的越来越广泛。而随着零部件的精度要求越来越高,对不锈钢管的切割精度要求也越来越高。我国目前的管材的加工方法尚存在许多不足之处,与国外发达国家相比也存在着一定的差距,因此设计一种结构简单、高精度、自动化程度高的不锈钢管切割机是很有必要的。
围绕因传统切割方式所带来的劳动强度大、生产效率低、原材料浪费严重等诸多问题,本课题在通过结合机电一体化新技术,设计一种新型钢管切割机,在提高切割系统自动化的同时还要保证钢管切管机的高精度、高效率的要求,实现最合理的工作条件,最终做到经济适用,提高其可靠性,并适合我国切管机制造业的发展需求。
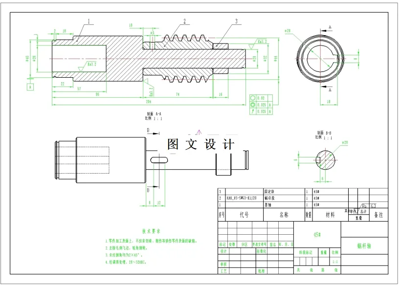
本文通过钢管切割机的方案确定,详细地设计、计算与校核锯齿切割传动装置、钢管上料装置及锯齿的移动装置等,采用电、液压混合的驱动方式,采用丝杠、蜗杆的传动形式,同时基于三维建模SolidWorks对钢管切割机的结构部件进行了模型设计,并对其进行反复纠正设计缺陷。
关键词:钢管;切割机;锯齿;结构设计Solidworks
目录
小型钢管切割机结构设计 I
摘要 I
The Design Of The Corn Sheller II
Abstract II
目录 I
第一章 绪 论 1
1.1 研究背景 1
1.2 国内外研究现状 1
1.2.1 国外研究现状 1
1.3 本文研究内容 1
第二章 钢管切割机的方案确定 3
2.1 设计要求 3
2.2 传动方案的确定 4
2.2.1 机械传动方式 4
2.2.2 驱动方案确定 4
2.2.3 电动机的选型 5
2.3 本章小结 7
第三章 钢管切割装置的设计 8
3.1 各轴参数的确定 8
3.2 传动零件的设计计算 9
3.2.1 蜗杆直径的确定 9
3.2.2 传动特性的分析 10
3.3 蜗轮轴的设计 11
3.3.1 基本结构设计 11
3.3.2 蜗轮轴的强度校核 12
3.3.3 键及轴承的强度校核 15
3.4 本章小结 16
第四章 进给运动的设计计算 18
4.1 进给系统的设计 18
4.1.1 滚珠丝杠的设计 18
4.1.2 支承轴承的确定 21
4.1.3 生产加工分析 23
4.2 伺服驱动系统的设计 24
4.2.1 负载惯量计算 24
4.2.2 负载力矩计算 25
4.2.3 电动机轴所需力矩 26
4.2.4 电机型号确定 27
4.3 本章小节 28
第五章 钢管切割机的虚拟设计 29
5.1 钢管切割机的实体模型 29
5.2 锯齿移动系统的设计 30
5.2.1 基本参数的确定 30
5.2.2 液压缸的设计分析 32
5.2.3 导轨的设计分析 33
5.3 抛光辊轴的有限元分析 35
5.3.1 静力学分析 35
5.3.2 模态分析 37
5.4 本章小结 38
总结与展望 40
参考文献 41
致 谢 42
温馨提示:
1、题目前面的备注【字母数字编号】为本站整理分类的编号,与课题内容无关,请选题时忽视;
2、若题目上备注三维,则表示文件里包含三维源文件,由于三维组成零件数量较多,为保证预览截图的简洁性,本站将三维文件夹进行了打包。三维及CAD预览截图,均为本站电脑打开软件进行截图的,保证能够打开,下载原件超高清,下载后解压即可;
3、本站所有资源如无特殊说明,都需要本地电脑安装Office2007。图纸软件为AutoCAD,PROE,UG,SolidWorks,CATIA等;
4、本站所有图文资料仅供用户学习参考,不作为任何商用或其他用途;
5、本站不保证下载资源的准确性、安全性和完整性, 不包修改,不支持退换,同时也不承担用户因使用这些下载资源对自己和他人造成任何形式的伤害或损失;
6、 下载文件中如有侵权或不适当内容,请与我们联系,我们立即纠正。