

作品包括:
Word版设计说明书1份
CAD版本图纸,共9张
SW三维图一套
摘要
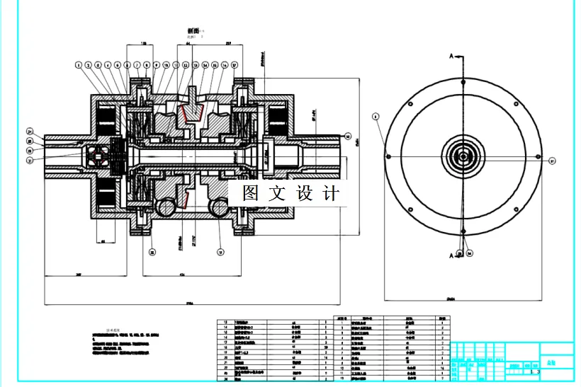
目前国际上大功率履带拖拉机以及部分工程车辆的传动系广泛采用液力变矩器与动力换档变速箱组合形式,即动力机械传动。还有部分先进机型采用了全液压传动技术,其操纵已由手动电液控制或微电脑控制技术方面发展,并取得非常好的效果,大大提高了整机行驶平顺和作业性能,虽然他们都具有无级变速的功能,操纵轻便,整机动力性好,可靠性高,但由于传动系的传动效率较低,直接影响了整机生产率和经济性,,此设计主要是针对行星齿轮机构以及控制部分离合器的设计。对于行星齿轮采用单排的结构形式,这样可以减小整个无级变速器的轴向尺寸,但是为了能够承受较大的和变化的载荷,于是在中心轮的周围均匀地分布着数个行星轮来共同分担载荷。本设计采用3个行星论均匀的布置形式就可以达到要求。其控制部分采用多片的用压力油控制的湿式离合器。离合器随着载荷的增加可以增多摩擦片的对数或增加其径向尺寸。在设计的过程中这两方面是综合考虑的,因为不可能使轴向或径向的尺寸过分的偏大。1083535
温馨提示:
1、题目前面的备注【字母数字编号】为本站整理分类的编号,与课题内容无关,请选题时忽视;
2、若题目上备注三维,则表示文件里包含三维源文件,由于三维组成零件数量较多,为保证预览截图的简洁性,本站将三维文件夹进行了打包。三维及CAD预览截图,均为本站电脑打开软件进行截图的,保证能够打开,下载原件超高清,下载后解压即可;
3、本站所有资源如无特殊说明,都需要本地电脑安装Office2007。图纸软件为AutoCAD,PROE,UG,SolidWorks,CATIA等;
4、本站所有图文资料仅供用户学习参考,不作为任何商用或其他用途;
5、本站不保证下载资源的准确性、安全性和完整性, 不包修改,不支持退换,同时也不承担用户因使用这些下载资源对自己和他人造成任何形式的伤害或损失;
6、 下载文件中如有侵权或不适当内容,请与我们联系,我们立即纠正。