

作品包括:
Word版设计说明书1份
开题报告一份
CAD版本图纸,共6张
摘要
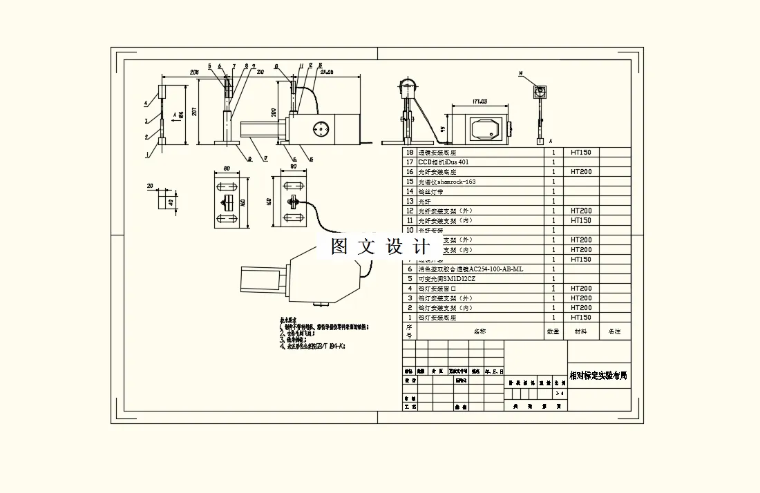
目前以及未来一段时间,全世界的能源使用率将会不断提高,社会对使用传统燃料的燃烧装置仍具有较大的依赖性,这会导致碳烟和其他有害污染物的排放,增加对环境的破坏。为了减少碳烟污染需要对碳烟的生成机理进行研究。研究过程中对碳烟的测量是必不可少的环节。碳烟测量有侵入式测量和非侵入式测量两种方式,非侵入式测量因为具有着干扰小且能进行实时测量的特点被大量使用。碳烟光谱发射技术(SSE)是一种利用碳烟自身辐射的非侵入测量方法,有着原理简单、操作简便等优点,非常适用于测量密闭环境中的火焰。在过去的研究里,SSE较常被用在层流射流火焰中,在层流对冲火焰的运用较少,而层流对冲扩散火焰是一种准一维火焰,其对碳烟生成机理研究具有非常重要的意义。针对此问题,本文旨在设计一套针对层流对冲扩散火焰的测量系统以测量对冲火焰中的碳烟体积分数和碳烟温度。 本文设计了采用SSE技术测量对冲扩散火焰碳烟温度和碳烟体积分数的实验系统,其中包括标定系统、定位系统、整体光路布置及数据处理方法,并且针对碳烟测量中存在的火焰辐射衰减、E(mλ)的取值和辐射聚焦偏移的问题进行了讨论,对使用的数据处理方法进行了精度分析。设计的测量系统仪器利用率高,实验步骤简单且可靠。
温馨提示:
1、题目前面的备注【字母数字编号】为本站整理分类的编号,与课题内容无关,请选题时忽视;
2、若题目上备注三维,则表示文件里包含三维源文件,由于三维组成零件数量较多,为保证预览截图的简洁性,本站将三维文件夹进行了打包。三维及CAD预览截图,均为本站电脑打开软件进行截图的,保证能够打开,下载原件超高清,下载后解压即可;
3、本站所有资源如无特殊说明,都需要本地电脑安装Office2007。图纸软件为AutoCAD,PROE,UG,SolidWorks,CATIA等;
4、本站所有图文资料仅供用户学习参考,不作为任何商用或其他用途;
5、本站不保证下载资源的准确性、安全性和完整性, 不包修改,不支持退换,同时也不承担用户因使用这些下载资源对自己和他人造成任何形式的伤害或损失;
6、 下载文件中如有侵权或不适当内容,请与我们联系,我们立即纠正。