

作品包括:
Word版设计说明书1份
CAD版本图纸,共5张
摘要
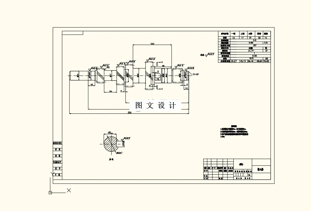
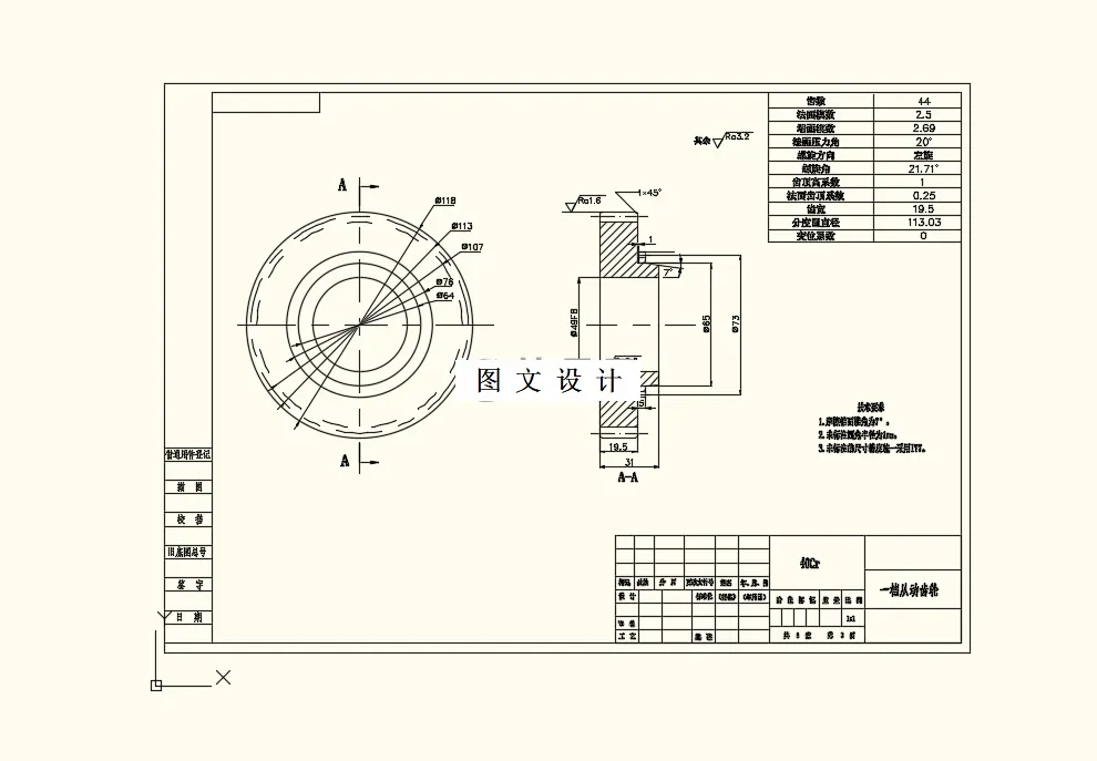
本文针对本田飞度这款车型,查阅相关参数和设计资料,完成了变速器齿轮传动机构的结构尺寸设计。利用软件完成了该变速器齿轮的模型建立,并利用 ANSYS 对五档齿轮进行了静力分析、瞬态分析及模态分析。有限元分析结果表明,静力分析下齿轮最大应力值发生在齿根,达到了 357MPa;而瞬态分析下齿轮承受的最大应力值是随时间变化的,变化范围在 233~498MPa 内。根据有限元分析结果,齿轮齿面的应力分布是不均匀的,因此本文进行了结构改进,最终发现当同时增大齿轮压力角和螺旋角时不仅可以改善齿面应力分布不均匀的现象,还将瞬态分析下齿面交变应力从 233~498MPa 降低到了 109~254MPa。在上述改进效果的前提下,在齿轮端面上加工环形槽来实现轻量化,最后实现了主动齿轮 20.8%的减材,取得了良好的效果。这些结构改进工作可以为变速器齿轮的设计开发提供一定的参考。
温馨提示:
1、题目前面的备注【字母数字编号】为本站整理分类的编号,与课题内容无关,请选题时忽视;
2、若题目上备注三维,则表示文件里包含三维源文件,由于三维组成零件数量较多,为保证预览截图的简洁性,本站将三维文件夹进行了打包。三维及CAD预览截图,均为本站电脑打开软件进行截图的,保证能够打开,下载原件超高清,下载后解压即可;
3、本站所有资源如无特殊说明,都需要本地电脑安装Office2007。图纸软件为AutoCAD,PROE,UG,SolidWorks,CATIA等;
4、本站所有图文资料仅供用户学习参考,不作为任何商用或其他用途;
5、本站不保证下载资源的准确性、安全性和完整性, 不包修改,不支持退换,同时也不承担用户因使用这些下载资源对自己和他人造成任何形式的伤害或损失;
6、 下载文件中如有侵权或不适当内容,请与我们联系,我们立即纠正。