

作品包括:
Word版设计说明书1份
CAD版本图纸,共11张
摘要
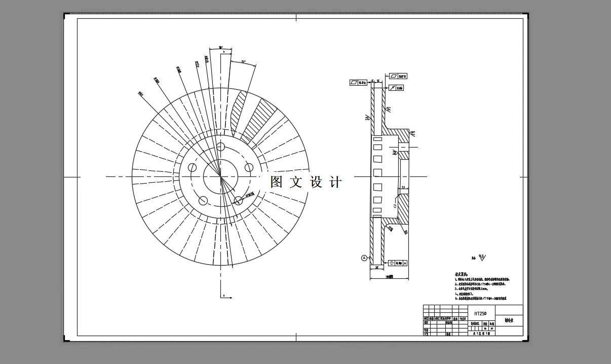
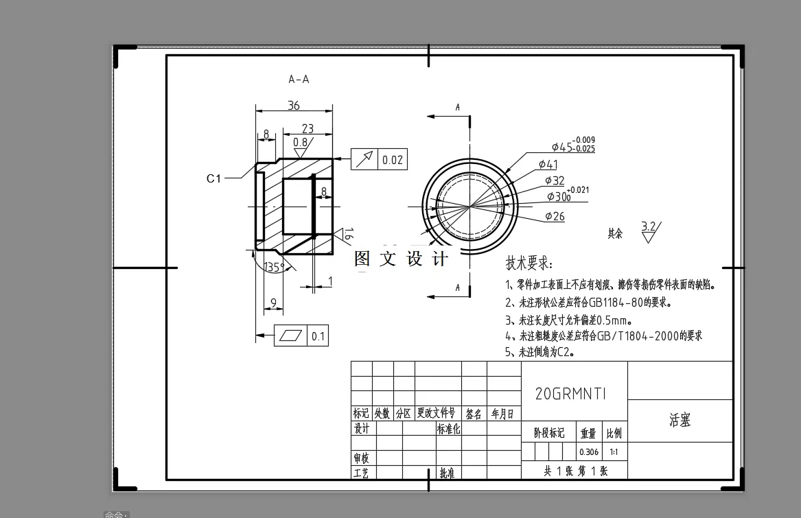
随着科学技术的进步,人们对汽车的需求也随着生活品质的发展和生产力的需求越来越多,汽车行业样貌也随之也日新月异。目前,汽车发展的四大主要方向是四化(即智能化、轻量化、环保化、安全化)。无人驾驶技术是现代汽车发展的一个重点、热点方向,其研究的意义十分重大,不但包含了机械、计算机、人机交互等许多关键的科学问题,是众多学科交融贯通的产物,它还具备重要的运用前景和发展潜力,其潜力之大,前景之广阔,引发了极高的社会关注度。在汽车智能化的大前提下,制动系统作为汽车的重要组成部分之一,也需要随着时代的潮流进步,它所要实现的功能不在只是使运动中的机动车车速度降低或者是停车,以及维持汽车速度的稳定。其不但应该具有实现自动控制汽车速度、紧急制动避险的功能,以满足汽车发展的智能化、安全化的要求,也应该拥有再生制动功能,以提升能量利用率,满足汽车环保化要求。 本文对自动驾驶轻型电动车制动系统设计进行了阐述说明,首先是确定所配合的汽车车型参数,并依据该车型参数对该车的制动性能进行计算以及分析,由此来确定制动系统零部件的设计方案及基本参数,并在设计好制动系统零部件参数及选型后对该制动系统进行校验以探讨该制动器是否与整车匹配。对部分零部件进行有限元分析,得到其应力、应变、模态、受热等分析结果,并依据该分析结果判断该零部件是否满足设计要求,对不满足要求的模型零部件要进行适当改进。
温馨提示:
1、题目前面的备注【字母数字编号】为本站整理分类的编号,与课题内容无关,请选题时忽视;
2、若题目上备注三维,则表示文件里包含三维源文件,由于三维组成零件数量较多,为保证预览截图的简洁性,本站将三维文件夹进行了打包。三维及CAD预览截图,均为本站电脑打开软件进行截图的,保证能够打开,下载原件超高清,下载后解压即可;
3、本站所有资源如无特殊说明,都需要本地电脑安装Office2007。图纸软件为AutoCAD,PROE,UG,SolidWorks,CATIA等;
4、本站所有图文资料仅供用户学习参考,不作为任何商用或其他用途;
5、本站不保证下载资源的准确性、安全性和完整性, 不包修改,不支持退换,同时也不承担用户因使用这些下载资源对自己和他人造成任何形式的伤害或损失;
6、 下载文件中如有侵权或不适当内容,请与我们联系,我们立即纠正。